КОНТРОЛЬНЫЕ РАБОТЫ 3 страница

8. Изобразите схему и опишите сущность процесса ручной электродуговой сварки толстопокрытыми электродами. Укажите назначение покрытия. Разработайте процесс сварки цилиндрической части резервуара из стали марки Ст3 (рис.35). Производство мелкосерийное. Укажите тип соединения, форму разделки кромок под сварку (по ГОСТу) и приведите эскиз сечения шва с указанием размеров. Подберите марку и диаметр электрода, определите режим сварки. По размерам шва подсчитайте массу наплавленного металла. Определите расход электродов с учетом потерь, расход электроэнергии и время сварки изделия. Укажите методы контроля качества сварного шва.

Вариант 22
1. Для изготовления обрезных штампов выбрана сталь Х6ВФ:
а) расшифруйте состав и определите, к какой группе относится данная сталь по назначению;
б) назначьте режим термической обработки, приведите подробное его обоснование, объяснив влияние легирования на превращения, происходящие на всех этапах термической обработки;
в) опишите структуру и свойства стали после термической обработки.
2. Для изготовления некоторых деталей самолеча выбран сплав В95Т1:
а) расшифруйте состав и укажите характеристики механических свойств;
б) опишите, каким способом производится упрочнение этого сплава, и объясните природу упрочнения.
3. Опишите релаксационные процессы полимеров с точки зрения их физического строения.
4. Вычертите диаграмму изотермического превращения аустенита для стали У8. Нанесите на нее кривую режима изотермической обработки, обеспечивающей получение твердости 450 НВ. Укажите, как этот режим называется, опишите сущность превращений и какая структура получается в данном случае?
5. Приведите схему профиля доменной печи и опишите принцип ее работы. Изложите основные физико-химические процессы, происходящие в доменной печи, и укажите назначение основного продукта доменной плавки.
6. По эскизу детали (рис.8) разработайте эскизы элементов литейной формы, модельных плит, стержневого ящика и собранной литниковой системы (в разрезе).
Опишите последовательность изготовления формы одним из методов машинной формовки. Материал детали – сталь 35Л.
7. Перечислите основные литейные свойства сплавов. Приведите характеристику усадки сплавов. Укажите, какие дефекты в отливках связаны с усадкой сплавов и меры их предупреждения.

8. Изобразите схему и опишите сущность процесса автоматической сварки под слоем флюса. Укажите назначение флюса и флюсовой подушки. Разработайте процесс односторонней сварки плиты из стали марки Ст3 (рис.36). Производство крупносерийное. Укажите тип соединения, форму разделки кромок под сварку (по ГОСТу) и приведите эскиз сечения шва с указанием размеров. Выберите марку и диаметр электродной проволоки и флюса, подберите режим сварки. По размерам шва подсчитайте массу наплавленного металла. Определите расход электродной проволоки и флюса с учетом потерь, расход электроэнергии и время сварки изделия. Укажите методы контроля качества сварного шва.

Вариант 23
1. В результате термической обработки полуоси должны получить по всему сечению повышенную прочность (твердость HRC28-35). Для их изготовления выбрана сталь 40ХНМА:
а) расшифруйте состав и определите, к какой группе относится данная сталь по назначению;
б) назначьте режим термической обработки, приведите подробное его обоснование, объяснив влияние легирования на превращения, происходящие на всех этапах термической обработки данной стали;
в) опишите микроструктуру и свойства стали после термической обработки.
2. В качестве материала для заливки вкладышей подшипников скольжения выбран сплав Б16:
а) расшифруйте состав и определите, к какой группе относится данный сплав по назначению;
б) укажите микроструктуру сплава и основные требования, предъявляемые
3. Опишите антифрикционные покрытия металлов полимерами. Приведите характеристику их свойств и условия применения.
4. Вычертите диаграмму состояния железо - карбид железа, укажите структурные составляющие во всех областях диаграммы, опишите превращения и постройте кривую охлаждения (с применением правила фаз) для сплава, содержащего 1,6% С. Какова структура этого сплава при комнатной температуре и как такой сплав называется?
5. Изложите сущность процесса передела чугуна в сталь. Приведите основные химические реакции, характеризующие процесс передела. Перечислите современные плавильные печи и агрегаты, в которых получают сталь.
6. По эскизу детали (рис.9) разработайте эскизы: элементов литейной формы, модели стержневого ящика, собранной литейной формы (в разрезе). Опишите последовательность изготовления литейной формы методом ручной формовки. Материал детали – чугун СЧ20.
7. Укажите причины возникновения трещин в отливках. Перечислите виды трещин. Меры их предупреждения и коробления отливок.

8. Изобразите схему и опишите сущность процесса полуавтоматической сварки в среде углекислого газа. Укажите особенности и достоинства сварки в углекислом газе. Разработайте процесс сварки двутавровой балки (рис.37) из стали марки Ст3.Шов прерывистый: l/t=100/200. Укажите тип соединения, форму разделки кромок под сварку (по ГОСТу) и приведите эскиз сечения шва с указанием размеров. Выберите марку и диаметр электродной проволоки, подберите режим сварки. Укажите вылет электрода, род тока и полярность. По размерам шва подсчитайте массу наплавленного металла. Определите расход электродной проволоки с учетом потерь, расход электроэнергии и время сварки изделия. Укажите методы контроля качества сварного шва.

Вариант 24
1. В результате термической обработки тяги должны получить повышенную прочность по всему сечению (твердость HRC28—35). Для изготовления их выбрана сталь ЗОХГСНА:
а) расшифруйте состав и определите, к какой группе относится данная сталь но назначению;
б) назначьте режим термической обработки, приведите подробное его обоснование, объяснив влияние легирования на все превращения, происходящие при термической обработке данной стали;
в) опишите микроструктуру и свойства стали после термической обработки.
2. Укажите состав, свойства и способ изготовления режущего инструмента из металлокерамических твердых сплавов.
3. Термореактивные пластмассы, их особенности и область применения.
4. Опишите, в чем заключается низкотемпературная термомеханическая обработка конструкционной стали. Почему этот процесс приводит к получению высокой прочности стали? Какими преимуществами и недостатками обладает вариант низкотемпературной термомеханической обработки по сравнению с высокотемпературной термомеханической обработкой?
5. Приведите схему кислородного конвертера и изложите принцип его работы. Опишите особенности процесса плавки стали, укажите основные достоинства и недостатки выплавки стали в конверторах.
6. По эскизу детали (рис.10) разработайте эскизы элементов литейной формы, модельных плит, стержневого ящика и собранной литейной формы (в разрезе). Опишите последовательность изготовления формы одним из методов машинной формовки. Материал детали - чугун СЧ20.
7. Изложите технологическую последовательность изготовления отливок по выплавляемым моделям. Отметьте, какие технологические особенности процесса обеспечивают высокую точность размеров и высокий класс шероховатости поверхностей отливок.

8. Изобразите схему автоматической сварки в среде аргона плавящимся электродом и опишите сущность процесса. Укажите особенности и достоинства сварки в среде инертных газов. Разработайте процесс сварки сосуда (рис.38) из стали12Х18Н10Т. Укажите тип соединения, форму разделки кромок под сварку (по ГОСТу) и приведите эскиз сечения шва с указанием размеров. Выберите марку и диаметр электродной проволоки, подберите режим сварки. Укажите вылет электрода, род тока и полярность. По размерам шва подсчитайте массу наплавленного металла. Определите расход электродной проволоки с учетом потерь, расход электроэнергии и время сварки изделия. Укажите методы контроля качества сварного шва.

Вариант 25
1. В результате термической обработки шестерни должны получить твердый износоустойчивый поверхностный слой при вязкой сердцевине. Для изготовления их выбрана сталь ЗОХГТ:
а) расшифруйте состав и определите, к какой группе относится данная сталь по назначению;
б) назначьте режим термической обработки, приведите подробное его обоснование, объяснив влияние легирования на все превращения, происходящие на всех этапах термической и химико-термической обработки;
в) опишите микроструктуру и свойства стали после обработки.
2. Для изготовления деталей высокой прочности используется мартенситостареющая сталь Н18К8МЗ:
а) расшифруйте состав и укажите группу стали по назначению;
б) назначьте и обоснуйте режим термической обработки, объяснив влияние легирующих элементов на превращения в стали;
в) охарактеризуйте структуру и основные свойства стали.
3. Опишите влияние порошковых и волокнистых наполнителей на свойства резины.
4. В структуре углеродистой стали 30 после закалки не обнаруживается остаточного аустенита, а в структуре стали У12 наблюдается до 30% остаточного аустенита. Объясните причину этого явления. Какой обработкой можно устранить остаточный аустенит?
5. Опишите способы внепечной обработки стали для повышения ее качества. Отметьте факторы, способствующие улучшению качества стали в каждом способе.
6. По эскизу детали (рис.11) разработайте эскизы элементов литейной формы, модели стержневого ящика, собранной литейной формы (в разрезе). Опишите последовательность изготовления литейной формы методом ручной формовки. Материал детали – чугун СЧ20.
7. Изложите сущность способа литья в оболочковые формы и приведите поясняющие эскизы. Укажите достоинства, недостатки и области применения этого способа литья.

8. Изобразите схему и опишите сущность процесса автоматической сварки в среде углекислого газа. Укажите особенности и достоинства сварки в углекислом газе. Разработайте процесс сварки коробчатой балки (рис.39) из стали марки Ст3. Укажите тип соединения, форму разделки кромок под сварку (по ГОСТу) и приведите эскиз сечения шва с указанием размеров. Выберите марку и диаметр электродной проволоки, подберите режим сварки. Укажите вылет электрода, род тока и полярность. По размерам шва подсчитайте массу наплавленного металла. Определите расход электродной проволоки с учетом потерь, расход электроэнергии и время сварки изделия. Укажите методы контроля качества сварного шва.

Вариант 26
1. Для изготовления молотовых штампов выбрана сталь 5ХНСВ:
а) расшифруйте состав и укажите группу стали по назначению;
б) назначьте режим термической обработки, приведите подробное его обоснование, объяснив влияние легирования на превращения, происходящие на всех этапах термической обработки этой стали;
в) укажите структуру, свойства и требования, предъявляемые к штампам горячей штамповки.
2. Назначьте марку алюминиевой бронзы для изготовления мелких ответственных деталей (втулки, фланцы и т. п.):
а) расшифруйте состав и укажите ее механические свойства;
б) опишите структуру, используя диаграмму состояния медь — алюминий.
3. Укажите принципиальное отличие процессов кристаллизации полимеров и металлов.
4. Вычертите диаграмму состояния железо - карбид железа, укажите структурные составляющие во всех областях диаграммы, опишите превращения и постройте кривую охлаждения (с применением правила фаз) для сплава, содержащего 3,8% С. Какова структура этого сплава при комнатной температуре и как такой сплав называется?
5. Опишите способы вторичного переплава слитков, повышающие их качество. Отметьте факторы, способствующие повышению качества слитков в каждом способе.
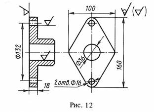
6. По эскизу детали (рис.12) разработайте эскизы элементов литейной формы, модели стержневого ящика, собранной литейной формы (в разрезе). Опишите последовательность изготовления литейной формы методом ручной формовки. Материал детали – чугун СЧ20.
7. Изложите сущность литья в кокили, приведите эскизы, поясняющие конструкцию кокилей. Отметьте технологические особенности этого способа литья, достоинства, недостатки и области его применения.

8. Изобразите схему и опишите сущность процесса контактной точечной электросварки. Начертите и опишите циклограмму процесса точечной сварки. Объясните, за счет чего металл ядра в месте контакта заготовок доводится до жидкопластичного состояния. Разработайте процесс сварки панели (рис.40) из стали марки Ст3. Шаг точек t=5dT. Производство массовое. Укажите подготовку заготовок под сварку. По толщине свариваемых заготовок выберите тип машины и укажите ее технические данные. Рассчитайте площадь контактной поверхности электрода. По значениям j (А/мм2) и p (мН/м2) определите сварочный ток и усилие, приложенное на электродах. Определите время сварки изделия. Укажите возможные дефекты и причины их возникновения.

Вариант 27
1. Какая температура разделяет районы холодной и горячей пластической деформации и почему?
2. Вычертите диаграмму состояния железо — карбид железа, укажите структурные составляющие во всех областях диаграммы, опишите превращения и постройте кривуюохлаждения в интервале температур от 1600 до 0°С (с применением правила фаз) для сплава, содержащего 0,5% С. Выберите для заданного сплава любую температуру между линями ликвидус и солидус и определите состав фаз (т.е. процентное содержание углерода в фазах) и количественное соотношение фаз.
3. Для изготовления резцов выбрана сталь Р6М5. Укажите состав и определите группу стали по назначению. Назначьте и обоснуйте режим термической обработки, объяснив влияние легирования на превращения, происходящие при термической обработке данной стали. Опишите микроструктуру и главные свойства резцов после термической обработки.
4. Для некоторых деталей (щеки барабанов, шары дробильных мельниц и т.п.) выбрана сталь 110Г13. Укажите состав и определите группу стали по назначению. Назначьте режим термической обработки и обоснуйте его выбор. Опишите микроструктуру стали и причины ее высокой износоустойчивости.
5. Приведите характеристику свойств титана и укажите области его применения. Опишите последовательность технологического процесса производства титана из ильменитовых руд магниетермическим способом.
6. По эскизу детали (рис.13) разработайте эскизы элементов литейной формы, модели стержневого ящика, собранной литейной формы (в разрезе). Опишите последовательность изготовления литейной формы методом ручной формовки. Материал детали – чугун СЧ20.
7. Изложите принципы конструирования технологичных литых деталей с учетом литейных свойств сплавов.

8. Изобразите схему и опишите сущность процесса контактной шовной (роликовой) сварки. Начертите и опишите циклограмму процесса шовной сварки. Объясните, за счет чего металл ядра в месте контакта заготовок доводится до жидкопластичного состояния. Разработайте процесс сварки бензобака (рис.41) из стали марки Ст3. Производство массовое. Укажите подготовку заготовок под сварку. По толщине свариваемых заготовок выберите тип машины и укажите ее технические данные. Рассчитайте площадь контактной поверхности электрода(для случая отсутствия вращения ролика). По значениям j (А/мм2) и p (мН/м2) определите сварочный ток и усилие, приложенное на роликах, время сварки изделия. Укажите возможные дефекты и причины их возникновения.

Вариант 28
1. Что такое твердый раствор? Виды твердых растворов (приведите примеры).
2. Вычертите диаграмму состояния железо — карбид железа, укажите структурные составляющие во всех областях диаграммы, опишите превращения и постройте кривую нагревания в интервале температур от 0 до 1600°С (с применением правила фаз) для сплава, содержащего 3,5% С. Для заданного сплава определите процентное содержание углерода в фазах при температуре 750°С
3. Кулачки должны иметь минимальную деформацию и высокую износоустойчивость при твердости поверхностного слоя 750-1000 HV. Для их изготовления выбрана сталь 35ХМЮЛ. Расшифруйте состав стали и определите группу стали по назначению. Назначьте и обоснуйте режим термической и химико-термической обработки, объяснив влияние легирования на превращения, происходящие на всех этапах обработки данной стали. Опишите микроструктуру и свойства кулачков после термической обработки.
4. Для изготовления деталей, работающих в активных коррозионных средах выбрана сталь 14X17Н2:
а) расшифруйте состав и определите группу стали по назначению;
б) объясните назначение легирующих элементов, введенных в эту сталь;
в) назначьте и обоснуйте режим термической обработки и опишите структуру и свойства стали после обработки.
5. Приведите характеристику свойств меди и укажите области ее применения. Опишите последовательность технологического процесса производства меди пирометаллургическим способом.
6. По эскизу детали (рис.14) разработайте эскизы элементов литейной формы, модели стержневого ящика, собранной литейной формы (в разрезе). Опишите последовательность изготовления литейной формы методом ручной формовки. Материал детали – сталь 45 Л.
7. Изложите вопросы автоматизации и механизации изготовления литейных форм. Приведите схему автоматической формовочной линии и опишите ее работу.

8. Изобразите схему и опишите сущность процесса контактной стыковой сварки сопротивлением. Начертите и опишите циклограмму процесса стыковой сварки сопротивлением. Объясните, почему в месте контакта заготовок выделяется наибольшая тепловая энергия. Разработайте процесс сварки стержней (рис.42) из стали марки Ст3. Производство крупносерийное. Укажите подготовку заготовок под сварку. По площади сечения заготовок выберите тип машины и укажите ее технические данные. Рассчитайте площадь контактной поверхности электрода(для случая отсутствия вращения ролика). По значениям j (А/мм2) и p (мН/м2) определите ток и усилие осадки. Укажите возможные дефекты и причины их возникновения.

Вариант 29
1. Как влияет изменение структуры на свойства деформированного металла ? В чем сущность и каково практическое применение наклепа?
2. Вычертите диаграмму состояния железо - карбид железа, укажите структурные составляющие во всех областях диаграммы, опишите превращения и постройте кривую нагревания в интервале температур от 0 до 1600°С (с применением правила фаз) для сплава, содержащего 0,1% С. Выберите для заданного сплава любую температуру между линиями ликвидус и солидус и определите состав фаз (т.е. процентное содержание углерода в фазах) и количественное соотношение фаз.
3. Для изготовления разверток выбрана сталь ХВСГ. Укажите состав и определите группу стали по назначению. Назначьте и обоснуйте режим термической обработки. Опишите микроструктуру и свойства разверток после термической обработки.
4. В котлостроении используется сталь 12Х1МФ. Укажите состав и группу стали по назначению. Назначьтережим термической обработки, приведите его обоснование и опишите структуру стали после термической обработки. Как влияет температура эксплуатации на механические свойства данной стали?
5. Приведите характеристику свойств алюминия и укажите области его применения. Опишите последовательность технологического процесса производства глинозема и электролитического получения алюминия.
6. По эскизу детали (рис.15) разработайте эскизы элементов литейной формы, модельных плит, стержневого ящика, собранной литейной формы (в разрезе). Опишите последовательность изготовления формы одним из методом машинной формовки. Материал детали – чугун СЧ20.
7. Опишите микроструктуру и свойства отливок из высокопрочного чугуна. Приведите примеры маркировки высокопрочного чугуна по Государственному стандарту. Изложите технологические особенности получения отливок из высокопрочного чугуна и укажите области их применения.

8. Изобразите схему и опишите сущность процесса контактной стыковой сварки оплавлением. Начертите и опишите циклограмму процесса стыковой сварки оплавлением. Объясните, за счет чего происходит процесс сварки труб (рис. 43) из стали марки Ст3. Производство массовое. Укажите подготовку заготовок под сварку. По площади сечения свариваемых заготовок выберите тип машины и укажите ее технические данные. По значениям j (А/мм2) и p (мН/м2) определите ток и усилие осадки. Определите установочную длину с учетом припуска на оплавление, осадку и время сварки изделия. Укажите возможные дефекты и причины их возникновения.

Вариант 30
1. В чем заключаются преимущества и недостатки поверхностного упрочнения стальных изделий при нагреве токами высокой частоты по сравнению с упрочнением методом цементации? Назовите марки стали, применяемые для этих видов обработки.
2. Вычертите диаграмму состояния железо-карбид железа. Укажите структурные составляющие во всех областях диаграммы, опишите превращения и постройте кривую нагревания в интервале температур от 0 до !600°С (с применением правила фаз) для сплава, содержащего 2,5% С. Для данного сплава определите при температуре 1250°С: процентное содержание углерода в фазах; количественное соотношение фаз.
3. В результате термической обработки пружины должны получить высокую упругость. Для изготовления их выбрана сталь 60С2ХФА. Укажите состав, назначьте и обоснуйте режим термической обработки, объяснив влияние легирования на превращения, происходящие при термической обработке данной стали. Опишите структуру и свойства пружин после термической обработки.
4. В турбиностроении используют сталь 40Х12Н8Г8МФБ (ЭИ481)Укажите состав и определите группу стали по назначению. Назначьте режим термической обработки и обоснуйте его. Опишите структуру после термической обработки. Как влияет температура эксплуатации на механические свойства данной стали?
5. Приведите характеристику свойств магния и области его применения. Опишите последовательность технологического процесса производства магния из карналлита.
6. По эскизу детали (рис.16) разработайте эскизы элементов литейной формы, модельных плит, стержневого ящика и собранной литейной формы (в разрезе). Опишите последовательность изготовления формы одним из методом машинной формовки. Материал детали – сталь 35Л.
7. Опишите микроструктуру и свойства отливок из ковкого чугуна. Приведите примеры маркировки ковкого чугуна по Государственному стандарту. Изложите технологические особенности получения отливок из ковкого чугуна и укажите области их применения.

8. Изобразите схему и опишите сущность процесса автоматической сварки под слоем флюса. Укажите назначение флюса и флюсовой подушки. Разработайте процесс односторонней сварки плиты из стали марки Ст3 (рис.36). Производство крупносерийное. Укажите тип соединения, форму разделки кромок под сварку (по ГОСТу) и приведите эскиз сечения шва с указанием размеров. Выберите марку и диаметр электродной проволоки и флюса, подберите режим сварки. По размерам шва подсчитайте массу наплавленного металла. Определите расход электродной проволоки и флюса с учетом потерь, расход электроэнергии и время сварки изделия. Укажите методы контроля качества сварного шва.

Вариант 31
1. Как можно исправить крупнозернистую структуру кованой стали марки 30? Обоснуйте выбранный режим термической обработки.
2. Вычертите диаграмму состояния железо - карбид железа, укажите структурные составляющие во всех областях диаграммы, опишите превращения и постройте кривую нагревания в интервале температур от 0 до 1600°С (с применением правила фаз) для сплава, содержащего 3,3% С. Для заданного сплава при температуре 1200°С определитепроцентное содержание углерода в фазах и количественное соотношение фаз.
3. Для изготовления фрез выбрана сталь 9ХС. Укажите состав и определите группу стали по назначению. Назначьте и обоснуйте режим термической обработки, объяснив влияние легирования на превращения, происходящие при термической обработке данной стали. Опишите микроструктуру и свойства фрез после термической обработки.
4. В результате термической обработки детали машин должны получить повышенную прочность по всему сечению (твердость НВ250—280). Для изготовления их выбрана сталь 40ХН:
а) расшифруйте состав и определите, к какой группе относится данная сталь по назначению;
б) назначьте режим термической обработки, приведите подробное его обоснование, объяснив влияние легирования на превращения, происходящие на всех этапах термической обработки этой стали;
в) опишите структуру и свойства стали после термической обработки.
5. Приведите краткую характеристику современного металлургического производства. Опишите его структуру, основные виды продукции и перспективы развития.
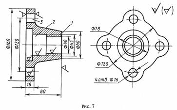
6. По эскизу детали (рис.7) разработайте эскизы: элементов литейной формы, модели стержневого ящика, собранной литейной формы (в разрезе). Опишите последовательность изготовления литейной формы. Материал детали – сталь 35Л.
7. Перечислите основные литейные свойства сплавов. Приведите краткую характеристику жидкотекучести сплавов, укажите факторы, влияющие на жидкотекучесть.

8. Изобразите схему и опишите сущность процесса ручной электродуговой сварки толстопокрытыми электродами. Укажите назначение покрытия. Разработайте процесс сварки цилиндрической части резервуара из стали марки Ст3 (рис.35). Производство мелкосерийное. Укажите тип соединения, форму разделки кромок под сварку (по ГОСТу) и приведите эскиз сечения шва с указанием размеров. Подберите марку и диаметр электрода, определите режим сварки. По размерам шва подсчитайте массу наплавленного металла. Определите расход электродов с учетом потерь, расход электроэнергии и время сварки изделия. Укажите методы контроля качества сварного шва.

Вариант 32
1. В результате термической обработки тяги должны получить повышенную прочность по всему сечению (твердость НВ250—280). Для изготовления выбрана сталь ЗОХНЗ:
а) расшифруйте состав и определите группу стали по назначению;
б) назначьте режим термической обработки, приведите подробное его обоснование, объяснив влияние легирования напревращения, происходящие на всех этапах термической обработки данной стали;
в) опишите структуру и свойства стали после термической обработки.
2. Вычертите диаграмму состояния железо - карбид железа, укажите структурные составляющие во всех областях диаграммы, опишите превращения и постройте кривую нагревания в интервале температур от 0 до 1600°С (с применением правила фаз) для сплава, содержащего 1,6% С. Для заданного сплава определите процентное содержание углерода в фазах при температуре 800°С.
3. Опишите пенопласты, их разновидности и свойства. Укажите области применения пенопластов в машиностроении.
4. Для трубопроводов пароперегревателей используется сталь09Х14Н16Б (ЭИ694). Укажите состав и определите группу стали по назначению. Назначьте режим термической обработкии приведите его обоснование. Опишите влияние температуры на механические свойства стали. Укажите микроструктуру стали после термической обработки.
Дата добавления: 2015-08-01; просмотров: 1763;
