КОНТРОЛЬНЫЕ РАБОТЫ 6 страница
б) назначьте решение термообработке данного сплава.
3. Достоинства и недостатки пластмасс. Применение пластмасс для штамповой оснастки.
4. Назначьте марку жаропрочной стали (сильхром) для клапанов автомобильных двигателей небольшой мощности. Укажите состав, назначьте и обоснуйте режим термической обработки стали. Опишите микроструктуру и основные свойства стали после термической обработки.
5. Приведите схему кислородного конвертера и изложите принцип его работы. Опишите особенности процесса плавки стали, укажите основные достоинства и недостатки выплавки стали в конверторах.
6. По эскизу детали (рис.10) разработайте эскизы элементов литейной формы, модельных плит, стержневого ящика и собранной литейной формы (в разрезе). Опишите последовательность изготовления формы одним из методов машинной формовки. Материал детали - чугун СЧ20.
7. Изложите технологическую последовательность изготовления отливок по выплавляемым моделям. Отметьте, какие технологические особенности процесса обеспечивают высокую точность размеров и высокий класс шероховатости поверхностей отливок.

8. Изобразите схему автоматической сварки в среде аргона плавящимся электродом и опишите сущность процесса. Укажите особенности и достоинства сварки в среде инертных газов. Разработайте процесс сварки сосуда (рис.38) из стали12Х18Н10Т. Укажите тип соединения, форму разделки кромок под сварку (по ГОСТу) и приведите эскиз сечения шва с указанием размеров. Выберите марку и диаметр электродной проволоки, подберите режим сварки. Укажите вылет электрода, род тока и полярность. По размерам шва подсчитайте массу наплавленного металла. Определите расход электродной проволоки с учетом потерь, расход электроэнергии и время сварки изделия. Укажите методы контроля качества сварного шва.

Вариант 55
1. Для изготовления прошивочных пуансонов выбрана сталь Р18:
а) расшифруйте состав стали и определите, к какой группе по назначению относится данная сталь;
б) назначьте режим термической обработки, приведите подробное его обоснование, объяснив влияние легирования на превращения, происходящие на всех этапах термической обработки данной стали;
в) опишите микроструктуру и свойства стали после термической обработки.
2. Для изготовления деталей самолета выбран сплав Д1:
а) расшифруйте состав сплава;
б) опишите, каким способом производится упрочнение это 14) сплава, и объясните природу упрочнения;
в) укажите характеристики механических свойств сплава.
3. Опишите ситаллы и методы их получения. Влияние состава и величины кристаллов на свойства ситаллов. Укажите область их применения.
4. В результате термической обработки коленчатые валы судовых и автомобильных двигателей должны получить повышенную прочность всему сечению (твердость 250...280 НВ). Для изготовления их выбрана сталь 40ХФА. Укажите состав и определите группу стали по назначению. Назначьте и обоснуйте режим термической обработки, объяснив влияние легирования на превращения при термической обработке данной стали. Опишите структуру и свойства стали после термической обработки.
5. Опишите способы внепечной обработки стали для повышения ее качества. Отметьте факторы, способствующие улучшению качества стали в каждом способе.
6. По эскизу детали (рис.11) разработайте эскизы элементов литейной формы, модели стержневого ящика, собранной литейной формы (в разрезе). Опишите последовательность изготовления литейной формы методом ручной формовки. Материал детали – чугун СЧ20.
7. Изложите сущность способа литья в оболочковые формы и приведите поясняющие эскизы. Укажите достоинства, недостатки и области применения этого способа литья.

8. Изобразите схему и опишите сущность процесса автоматической сварки в среде углекислого газа. Укажите особенности и достоинства сварки в углекислом газе. Разработайте процесс сварки коробчатой балки (рис.39) из стали марки Ст3. Укажите тип соединения, форму разделки кромок под сварку (по ГОСТу) и приведите эскиз сечения шва с указанием размеров. Выберите марку и диаметр электродной проволоки, подберите режим сварки. Укажите вылет электрода, род тока и полярность. По размерам шва подсчитайте массу наплавленного металла. Определите расход электродной проволоки с учетом потерь, расход электроэнергии и время сварки изделия. Укажите методы контроля качества сварного шва.

Вариант 56
1. Для изготовления штампов горячей штамповки выбрана сталь 5XНВ:
а) расшифруйте состав и определите группу стали, к которой относится данная сталь по назначению;
б) назначьте режим термической обработки, приведите подробное его обоснование, объяснив влияние легирования на превращения, происходящие на всех этапах термической обработки этой стали;
в) укажите микроструктуру и свойства стали после термической обработки.
2. Для изготовления деталей путем глубокой вытяжки применяется латунь Л80:
а) расшифруйте состав и опишите структуру сплава;
б) назначьте режим промежуточной термической обработки.применяемой между отдельными операциями вытяжки, и обоснуйте его.
3. Пленочные материалы, их разновидности, свойства и область применения в машиностроении.
4. В котлостроении используется сталь 12Х2МФСР. Укажите состав и определите группу стали по назначению. Назначьте режим термической обработки и приведите его обоснование. Объясните влияние легирующих элементов на превращения при термической обработке стали. Опишите влияние температуры на механические свойства стали.
5. Опишите способы вторичного переплава слитков, повышающие их качество. Отметьте факторы, способствующие повышению качества слитков в каждом способе.
6. По эскизу детали (рис.12) разработайте эскизы элементов литейной формы, модели стержневого ящика, собранной литейной формы (в разрезе). Опишите последовательность изготовления литейной формы методом ручной формовки. Материал детали – чугун СЧ20.
7. Изложите сущность литья в кокили, приведите эскизы, поясняющие конструкцию кокилей. Отметьте технологические особенности этого способа литья, достоинства, недостатки и области его применения.

8. Изобразите схему и опишите сущность процесса контактной точечной электросварки. Начертите и опишите циклограмму процесса точечной сварки. Объясните, за счет чего металл ядра в месте контакта заготовок доводится до жидкопластичного состояния. Разработайте процесс сварки панели (рис.40) из стали марки Ст3. Шаг точек t=5dT. Производство массовое. Укажите подготовку заготовок под сварку. По толщине свариваемых заготовок выберите тип машины и укажите ее технические данные. Рассчитайте площадь контактной поверхности электрода. По значениям j (А/мм2) и p (мН/м2) определите сварочный ток и усилие, приложенное на электродах. Определите время сварки изделия. Укажите возможные дефекты и причины их возникновения.

Вариант 57
1. В результате термической обработки шестерни должны получить твердый износоустойчивый поверхностный слой при вязкой сердцевине. Для их изготовления выбрана сталь 18ХГТ:
а) расшифруйте состав и определите группу стали по назначению;
б) назначьте режим термической и химико-термической обработки, приведите подробное его обоснование, объяснив влияние легирования на превращения, происходящие на всех этапах обработки данной стали;
в) опишите структуру свойства стали после термической обработки.
2. Для некоторых деталей (щеки барабанов, шары дробильных мельниц и т.п.) выбрана сталь Г13:
а) расшифруйте состав и определите группу стали по назначению;
б) назначьте режим термической обработки и обоснуйте его выбор;
в) опишите микроструктуру стали и причины ее высокой износоустойчивости.
3. Опишите стеклопластики. Укажите характеристики наполнителя по природе и форме, требования к связующему. Преимущества и недостатки стеклопластиков.
4. Что такое закалка? Используя диаграмму состояния железо - цементит, укажите температуру нагрева под закалку стали 50 и У12. Опишите превращения, происходящие в сталях при выбранном режиме обработки, получаемую структуру и свойства.
5. Приведите характеристику свойств титана и укажите области его применения. Опишите последовательность технологического процесса производства титана из ильменитовых руд магниетермическим способом.
6. По эскизу детали (рис.13) разработайте эскизы элементов литейной формы, модели стержневого ящика, собранной литейной формы (в разрезе). Опишите последовательность изготовления литейной формы методом ручной формовки. Материал детали – чугун СЧ20.
7. Изложите принципы конструирования технологичных литых деталей с учетом литейных свойств сплавов.

8. Изобразите схему и опишите сущность процесса контактной шовной (роликовой) сварки. Начертите и опишите циклограмму процесса шовной сварки. Объясните, за счет чего металл ядра в месте контакта заготовок доводится до жидкопластичного состояния. Разработайте процесс сварки бензобака (рис.41) из стали марки Ст3. Производство массовое. Укажите подготовку заготовок под сварку. По толщине свариваемых заготовок выберите тип машины и укажите ее технические данные. Рассчитайте площадь контактной поверхности электрода(для случая отсутствия вращения ролика). По значениям j (А/мм2) и p (мН/м2) определите сварочный ток и усилие, приложенное на роликах, время сварки изделия. Укажите возможные дефекты и причины их возникновения.

Вариант 58
1. Для изготовления деталей штампов, обрабатывающих металл в холодном состоянии, выбрана сталь ХГЗСВ:
а) расшифруйте состав и определите, к какой группе относится данная сталь по назначению;
б) назначьте режим термической обработки стали, приведите подробное его обоснование, объяснив влияние легирования на превращения, происходящие на всех этапах термической обработки:
в) опишите микроструктуру и свойства стали после термической обработки.
2. Для трубопроводов пароперегревателей используется сталь 1Х14Н16Б (ЭИ694):
а) расшифруйте состав и определите группу стали по назначению;
б) назначьте режим термической обработки и приведите его обоснование;
в) опишите влияние температуры на механические свойства этой стали. Укажите микроструктуру стали после термической обработки.
3. Полиэтилен высокого и низкого давления. Опишите его свойства и область применения в машиностроении.
4. Покажите графически режим отжига для получения перлитного ковкого чугуна. Опишите структурныепревращения, происходящие в процессе отжига. Каковы механические свойства чугуна после термической обработки, его структура?
5. Приведите характеристику свойств меди и укажите области ее применения. Опишите последовательность технологического процесса производства меди пирометаллургическим способом.
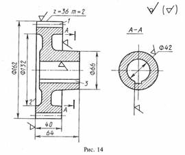
6. По эскизу детали (рис.14) разработайте эскизы элементов литейной формы, модели стержневого ящика, собранной литейной формы (в разрезе). Опишите последовательность изготовления литейной формы методом ручной формовки. Материал детали – сталь 45 Л.
7. Изложите вопросы автоматизации и механизации изготовления литейных форм. Приведите схему автоматической формовочной линии и опишите ее работу.

8. Изобразите схему и опишите сущность процесса контактной стыковой сварки сопротивлением. Начертите и опишите циклограмму процесса стыковой сварки сопротивлением. Объясните, почему в месте контакта заготовок выделяется наибольшая тепловая энергия. Разработайте процесс сварки стержней (рис.42) из стали марки Ст3. Производство крупносерийное. Укажите подготовку заготовок под сварку. По площади сечения заготовок выберите тип машины и укажите ее технические данные. Рассчитайте площадь контактной поверхности электрода(для случая отсутствия вращения ролика). По значениям j (А/мм2) и p (мН/м2) определите ток и усилие осадки. Укажите возможные дефекты и причины их возникновения.

Вариант 59
1. В результате термической обработки шестерни должны получить твердый износоустойчивый поверхностный слой при вязкой сердцевине. Для их изготовления выбрана сталь 18ХГТ:
а) расшифруйте состав и определите группу стали по назначению;
б) назначьте режим термической и химико-термической обработки, приведите подробное его обоснование, объяснив влияние легирования на превращения, происходящие на всех этапах обработки данной стали;
в) опишите структуру и свойства стали после термической обработки.
2. Для изготовления некоторых деталей самолета выбран сплав АМгЗ:
а) расшифруйте состав и опишите способ упрочнения этого сплава, объяснив природу упрочнения;
б) приведите характеристики механических свойств сплава.
3. Опишите способы переработки пластмасс в изделия в зависимости от вида наполнителя и природы связующего.
4. Вычертите диаграмму состояния железо - карбид железа, укажите структурные составляющие во всех областях диаграммы, опишите превращения и постройте кривую охлаждения (с применением правила фаз) для сплава, содержащего 0,2% С. Какова структура этого сплава при комнатной температуре и как такой сплав называется?
5. Приведите характеристику свойств алюминия и укажите области его применения. Опишите последовательность технологического процесса производства глинозема и электролитического получения алюминия.
6. По эскизу детали (рис.15) разработайте эскизы элементов литейной формы, модельных плит, стержневого ящика, собранной литейной формы (в разрезе). Опишите последовательность изготовления формы одним из методом машинной формовки. Материал детали – чугун СЧ20.
7. Опишите микроструктуру и свойства отливок из высокопрочного чугуна. Приведите примеры маркировки высокопрочного чугуна по Государственному стандарту. Изложите технологические особенности получения отливок из высокопрочного чугуна и укажите области их применения.

8. Изобразите схему и опишите сущность процесса контактной стыковой сварки оплавлением. Начертите и опишите циклограмму процесса стыковой сварки оплавлением. Объясните, за счет чего происходит процесс сварки труб (рис. 43) из стали марки Ст3. Производство массовое. Укажите подготовку заготовок под сварку. По площади сечения свариваемых заготовок выберите тип машины и укажите ее технические данные. По значениям j (А/мм2) и p (мН/м2) определите ток и усилие осадки. Определите установочную длину с учетом припуска на оплавление, осадку и время сварки изделия. Укажите возможные дефекты и причины их возникновения.

Вариант 60
1. В результате термической обработки рессоры должны получить высокую упругость. Для их изготовления выбрана сталь 65С2ВА:
а) расшифруйте состав и определите группу стали по назначению;
б) назначьте режим термической обработки, приведите подробное его обоснование, объяснив влияние легирования на превращения, происходящие на всех этапах термической обработки данной стали;
в) опишите структуру и свойства стали после термической наработки.
2. Для изготовления ряда деталей самолета выбран сплав Д16:
а) расшифруйте состав и укажите характеристики механических свойств сплава после термической обработки;
б) опишите способ упрочнения этого сплава и объясните природу упрочнения.
3. Опишите антифрикционные полимерные покрытия, их свойства, способ нанесения и условия применения.
4. Вычертите диаграмму состояния железо - карбид железа, укажите структурные составляющие во всех областях диаграммы, опишите превращения и постройте кривую охлаждения (с применением правила фаз) для сплава, содержащего 3,3% С. Какова структура этого сплава при комнатной температуре и как такой сплав называется?
5. Приведите характеристику свойств магния и области его применения. Опишите последовательность технологического процесса производства магния из карналлита.
6. По эскизу детали (рис.16) разработайте эскизы элементов литейной формы, модельных плит, стержневого ящика и собранной литейной формы (в разрезе). Опишите последовательность изготовления формы одним из методом машинной формовки. Материал детали – сталь 35Л.
7. Опишите микроструктуру и свойства отливок из ковкого чугуна. Приведите примеры маркировки ковкого чугуна по Государственному стандарту. Изложите технологические особенности получения отливок из ковкого чугуна и укажите области их применения.

8. Изобразите схему и опишите сущность процесса автоматической сварки под слоем флюса. Укажите назначение флюса и флюсовой подушки. Разработайте процесс односторонней сварки плиты из стали марки Ст3 (рис.36). Производство крупносерийное. Укажите тип соединения, форму разделки кромок под сварку (по ГОСТу) и приведите эскиз сечения шва с указанием размеров. Выберите марку и диаметр электродной проволоки и флюса, подберите режим сварки. По размерам шва подсчитайте массу наплавленного металла. Определите расход электродной проволоки и флюса с учетом потерь, расход электроэнергии и время сварки изделия. Укажите методы контроля качества сварного шва.

Вариант 61
1. Копиры должны иметь минимальную деформацию и высокую износоустойчивость поверхностного слоя при твердости НУ750—1000. Для их изготовления выбрана сталь 38ХВФЮА:
а) расшифруйте состав и определите, к какой группе относится данная, сталь но назначению;
б) назначьте режим термической и химико-термической обработки, приведи те подробное его обоснование, объяснив влияние легирования на превращения, происходящие на всех этапах обработки данной стали:
в) опишите структуру свойства стали после обработки.
2. В качестве материала для заливки вкладышей подшипников скольжения выбран сплав Б89:
а) расшифруйте состав и определите группу сплавов, к которой относится этот сплав по назначению;
б) зарисуйте и опишите микроструктуру;
в) укажите основные требования, предъявляемые к сплавам данной группы.
3. Опишите современное представление о молекулярном строении полимеров, Укажите структуру термопластических и термореактивных полимеров.
4. Вычертите диаграмму состояния железо - карбид железа, укажите структурные составляющие во всех областях диаграммы, опишите превращения и постройте кривую охлаждения (с применением правила фаз) для сплава, содержащего 0,35% С. Какова структура этого сплава при комнатной температуре и как такой сплав называется?
5. Приведите краткую характеристику современного металлургического производства. Опишите его структуру, основные виды продукции и перспективы развития.
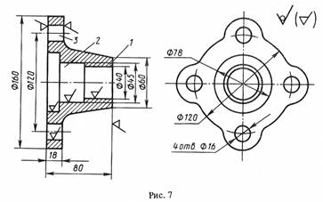
6. По эскизу детали (рис.7) разработайте эскизы: элементов литейной формы, модели стержневого ящика, собранной литейной формы (в разрезе). Опишите последовательность изготовления литейной формы. Материал детали – сталь 35Л.
7. Перечислите основные литейные свойства сплавов. Приведите краткую характеристику жидкотекучести сплавов, укажите факторы, влияющие на жидкотекучесть.

8. Изобразите схему и опишите сущность процесса ручной электродуговой сварки толстопокрытыми электродами. Укажите назначение покрытия. Разработайте процесс сварки цилиндрической части резервуара из стали марки Ст3 (рис.35). Производство мелкосерийное. Укажите тип соединения, форму разделки кромок под сварку (по ГОСТу) и приведите эскиз сечения шва с указанием размеров. Подберите марку и диаметр электрода, определите режим сварки. По размерам шва подсчитайте массу наплавленного металла. Определите расход электродов с учетом потерь, расход электроэнергии и время сварки изделия. Укажите методы контроля качества сварного шва.

Вариант 62
1. Для изготовления деталей, работающих в активных коррозионных средах, выбрана сталь OX18H12T:
а) расшифруйте состав и определите группу стали по назначению;
б) объясните причины введения легирующих элементов в эту сталь;
в) назначьте и обоснуйте режим термической обработки и опишите микроструктуру данной стали после термической обработки.
2. Опишите металлокерамические твердые сплавы группы ТТК. Укажите их состав, свойства и область применения в машиностроении.
3. Назовите полимеры органическою, элементоорганического и неорганического состава. Опишите старение полимерных материалов и пути повышения их надежности.
4. Вычертите диаграмму состояния железо - карбид железа, укажите структурные составляющие во всех областях диаграммы, опишите превращения и постройте кривуюохлаждения (с применением правила фаз) для сплава, содержащего 2,7% С. Какова структура этого сплава при комнатной температуре и как такой сплав называется?
5. Приведите схему профиля доменной печи и опишите принцип ее работы. Изложите основные физико-химические процессы, происходящие в доменной печи, и укажите назначение основного продукта доменной плавки.
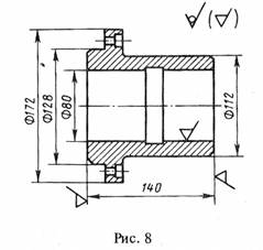
6. По эскизу детали (рис.8) разработайте эскизы элементов литейной формы, модельных плит, стержневого ящика и собранной литниковой системы (в разрезе).
Опишите последовательность изготовления формы одним из методов машинной формовки. Материал детали – сталь 35Л.
7. Перечислите основные литейные свойства сплавов. Приведите характеристику усадки сплавов. Укажите, какие дефекты в отливках связаны с усадкой сплавов и меры их предупреждения.

8. Изобразите схему и опишите сущность процесса автоматической сварки под слоем флюса. Укажите назначение флюса и флюсовой подушки. Разработайте процесс односторонней сварки плиты из стали марки Ст3 (рис.36). Производство крупносерийное. Укажите тип соединения, форму разделки кромок под сварку (по ГОСТу) и приведите эскиз сечения шва с указанием размеров. Выберите марку и диаметр электродной проволоки и флюса, подберите режим сварки. По размерам шва подсчитайте массу наплавленного металла. Определите расход электродной проволоки и флюса с учетом потерь, расход электроэнергии и время сварки изделия. Укажите методы контроля качества сварного шва.

Вариант 63
1. Как изменяется блочная (мозаичная) структура при нагреве предварительно деформированного металла? В чем сущность процесса полигонизации?
2. Вычертите диаграмму состояния железо — карбид железа, укажите структурные составляющие во всех областях диаграммы, опишите превращения и постройте кривую нагревания в интервале температур от 0 до 1600°С (с применением правила фаз) для сплава, содержащего 1,1% С. Выберите для заданного сплава любую температуру между линиями ликвидус и солидус и определите состав фаз (т.е. процентное содержание углерода в фазах) и количественное соотношение фаз.
3. В результате термической обработки пружины должны получить высокую упругость. Для изготовления их выбрана сталь 63С2А. Укажите состав, назначьте и обоснуйте режим термической обработки. Опишите микроструктуру и свойства стали после термической обработки.
4. Объясните природу жаропрочности сплавов на никелевой основе в связи с их составом, термической обработкой и получаемой структурой. Приведите примеры этих сплавов и укажите область применения.
5. Изложите сущность процесса передела чугуна в сталь. Приведите основные химические реакции, характеризующие процесс передела. Перечислите современные плавильные печи и агрегаты, в которых получают сталь.
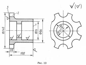
6. По эскизу детали (рис.9) разработайте эскизы: элементов литейной формы, модели стержневого ящика, собранной литейной формы (в разрезе). Опишите последовательность изготовления литейной формы методом ручной формовки. Материал детали – чугун СЧ20.
7. Укажите причины возникновения трещин в отливках. Перечислите виды трещин. Меры их предупреждения и коробления отливок.

8. Изобразите схему и опишите сущность процесса полуавтоматической сварки в среде углекислого газа. Укажите особенности и достоинства сварки в углекислом газе. Разработайте процесс сварки двутавровой балки (рис.37) из стали марки Ст3.Шов прерывистый: l/t=100/200. Укажите тип соединения, форму разделки кромок под сварку (по ГОСТу) и приведите эскиз сечения шва с указанием размеров. Выберите марку и диаметр электродной проволоки, подберите режим сварки. Укажите вылет электрода, род тока и полярность. По размерам шва подсчитайте массу наплавленного металла. Определите расход электродной проволоки с учетом потерь, расход электроэнергии и время сварки изделия. Укажите методы контроля качества сварного шва.

Вариант 64
1. В чем различие между упругой и пластической деформацией?
2. Вычертите диаграмму состояния железо — карбид железа, укажите структурные составляющие во всех областях диаграммы, опишите превращения и постройте кривую охлаждения в интервале температур от 1600 до 0°С (с применением правила фаз) для сплава, содержащего 0,9% С. Выберите для заданного сплава любую температуру между линиями ликвидус и солидус и определите; состав фаз (т.е.процентное содержание углерода в фазах) и количественное соотношение.
3. В результате термической и химико-термической обработки червяки должны получить твердый износоустойчивый поверхностный слой при вязкой сердцевине. Для их изготовления выбрана сталь 12Х2Н4ВА. Укажите состав стали и определите группу стали по назначению. Назначьте и обоснуйте режим термической и химико-термической обработки, объяснив влияние легирования на превращения, происходящие на всех этапах обработки данной стали. Опишите микроструктуру и свойства червяков в готовом виде.
4. Назначьте нержавеющую сталь для изготовления деталей, работающих в среде уксусной кислоты при температуре до 40° С. Приведите химический состав стали, необходимую термическую обработку и получаемую структуру. Объясните коррозионную устойчивость материала и роль каждого легирующего элемента.
5. Приведите схему кислородного конвертера и изложите принцип его работы. Опишите особенности процесса плавки стали, укажите основные достоинства и недостатки выплавки стали в конверторах.
6. По эскизу детали (рис.10) разработайте эскизы элементов литейной формы, модельных плит, стержневого ящика и собранной литейной формы (в разрезе). Опишите последовательность изготовления формы одним из методов машинной формовки. Материал детали - чугун СЧ20.
7. Изложите технологическую последовательность изготовления отливок по выплавляемым моделям. Отметьте, какие технологические особенности процесса обеспечивают высокую точность размеров и высокий класс шероховатости поверхностей отливок.

8. Изобразите схему автоматической сварки в среде аргона плавящимся электродом и опишите сущность процесса. Укажите особенности и достоинства сварки в среде инертных газов. Разработайте процесс сварки сосуда (рис.38) из стали12Х18Н10Т. Укажите тип соединения, форму разделки кромок под сварку (по ГОСТу) и приведите эскиз сечения шва с указанием размеров. Выберите марку и диаметр электродной проволоки, подберите режим сварки. Укажите вылет электрода, род тока и полярность. По размерам шва подсчитайте массу наплавленного металла. Определите расход электродной проволоки с учетом потерь, расход электроэнергии и время сварки изделия. Укажите методы контроля качества сварного шва.

Дата добавления: 2015-08-01; просмотров: 1436;
