КОНТРОЛЬНЫЕ РАБОТЫ 1 страница
Задания на контрольные работы выдают индивидуально каждому студенту. Задание включает вопросы и задачи по основным разделам дисциплины.
При выполнении контрольных работ студенты изучают методику выбора и назначения черных и цветных металлов и сплавов для изготовления конкретных деталей машин и различного вида инструментов, а также знакомятся сособенностями строения, технологией получения и областью применения наиболее распространенных неметаллических материалов. Одновременно студент должен научиться пользоваться рекомендуемыми справочными материалами с тем, чтобы уметь в дальнейшем правильно выбрать материал при курсовом и дипломном проектировании.
Контрольная работа выполняется в отдельной тетради с соблюдением всех норм ГОСТа. Рисунки и схемы выполняются карандашом, линейкой и в соответствии с ГОСТом. В начале записываются вопросы, затем ответы и выводы, а также используемая литература. На кафедре вывешивается расписание консультаций - фамилия, имя, отчество преподавателя. Контрольные работы после выполнения необходимо зарегистрировать и сдать в деканат до начала экзаменационной сессии. Во время сессии после прохождения и защиты лабораторных работ все студенты обязаны защитить сданные контрольные работы (до сдачи зачета и экзамена).
К экзамену по дисциплине «Материаловедение» допускаются студенты, выполнившие и защитившие, предусмотренные учебным планом:
- лабораторные работы;
- контрольные работы;
- и др.
Вариант 1
1. В результате термической обработки шестерни должны получить твердый износоустойчивый поверхностный слой при вязкой сердцевине. Для изготовления их выбрана сталь I2X2H4:
а) расшифруйте состав и определите, к какой группе относится данная сталь по назначению;
б) назначьте режим термической и химико-термической обработки, приведи те подробное обоснование, объяснив влияние легирования на превращения, происходящие на всех этапах термической обработки данной сталь;
в) опишите микроструктуру и свойства стали после термической обработки.
2. Для отливок сложной конфигурации используется бронза БрОФ4-0,2:
а) расшифруйте состав сплава и укажите его структуру;
б) назначьте режим термической обработки для снятия внутренних напряжений, возникающих после термической обработки.
3. Газонаполненные пластмассы (пено- и поропласты). Опишите способы их изготовления,свойства и область применения.
4. Вычертите диаграмму изотермическою превращения аустенита для стали У8, нанесите на нее кривую режима изотермической обработки, обеспечивающей получение твердости 45...50 HRC. Укажите, как этот режим называется,опишите сущность превращений и какая структура получается в данном случае.
5. Приведите краткую характеристику современного металлургического производства. Опишите его структуру, основные виды продукции и
перспективы развития.
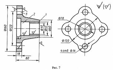
6. По эскизу детали (рис.7) разработайте эскизы: элементов литейной формы, модели стержневого ящика, собранной литейной формы (в разрезе). Опишите последовательность изготовления литейной формы. Материал детали – сталь 35Л.
7. Перечислите основные литейные свойства сплавов. Приведите краткую характеристику жидкотекучести сплавов, укажите факторы, влияющие на жидкотекучесть.

8. Изобразите схему и опишите сущность процесса ручной электродуговой сварки толстопокрытыми электродами. Укажите назначение покрытия. Разработайте процесс сварки цилиндрической части резервуара из стали марки Ст3 (рис.35). Производство мелкосерийное. Укажите тип соединения, форму разделки кромок под сварку (по ГОСТу) и приведите эскиз сечения шва с указанием размеров. Подберите марку и диаметр электрода, определите режим сварки. По размерам шва подсчитайте массу наплавленного металла. Определите расход электродов с учетом потерь, расход электроэнергии и время сварки изделия. Укажите методы контроля качества сварного шва.

Вариант 2
1. В результате термической и химико-термической обработки червяки должны получить твердый износоустойчивый поверхностный слой при вязкой сердцевине. Для их изготовления выбрана сталь 18Х2Н4ВА:
а) расшифруйте состав стали и определите, к какой группе относится данная сталь по назначению;
б) назначьте режим термической и химико-термической обработки, приведите подробное его обоснование, объяснив влияние легирования на превращения, происходящие па всех этапах обработки данной стали;
в) опишите микроструктуру и свойства червяков в готовом
виде.
2. Для изготовления калибров выбрана сталь 9Х18:
а) расшифруйте состав и определите, к какой группе относится данная сталь по назначению;
б) назначьте режим термической обработки, приведите подробное его обоснование, объяснив влияние легирования на превращения, происходящие на всех этапах термической обработки стали;
в) опишите микроструктуру и свойства стали после термической обработки.
3. Преимущества и недостатки клеевых соединений пластмасс. Методы контроля.
4. Вычертите диаграмму состояния железо - карбид железа, укажите структурные составляющие во всех областях диаграммы, опишите превращения и постройте кривую охлаждения (с применением правила фаз) для сплава, содержащего 0,8% С. Какова структура этого сплава при комнатной температуре и как такой сплав называется?
5. Приведите схему профиля доменной печи и опишите принцип ее работы. Изложите основные физико-химические процессы, происходящие в доменной печи, и укажите назначение основного продукта доменной плавки.
6. По эскизу детали (рис.8) разработайте эскизы элементов литейной формы, модельных плит, стержневого ящика и собранной литниковой системы (в разрезе).
Опишите последовательность изготовления формы одним из методов машинной формовки. Материал детали – сталь 35Л.
7. Перечислите основные литейные свойства сплавов. Приведите характеристику усадки сплавов. Укажите, какие дефекты в отливках связаны с усадкой сплавов и меры их предупреждения.

8. Изобразите схему и опишите сущность процесса автоматической сварки под слоем флюса. Укажите назначение флюса и флюсовой подушки. Разработайте процесс односторонней сварки плиты из стали марки Ст3 (рис.36). Производство крупносерийное. Укажите тип соединения, форму разделки кромок под сварку (по ГОСТу) и приведите эскиз сечения шва с указанием размеров. Выберите марку и диаметр электродной проволоки и флюса, подберите режим сварки. По размерам шва подсчитайте массу наплавленного металла. Определите расход электродной проволоки и флюса с учетом потерь, расход электроэнергии и время сварки изделия. Укажите методы контроля качества сварного шва.

Вариант 3
1. В результате термической обработки детали машин должны получить повышенную прочность по всему сечению (твердость HB250—280). Для изготовления их выбрана сталь 40ХН:
а) расшифруйте состав и определите, к какой группе относится данная сталь по назначению;
б) назначьте режим термической обработки, приведите подробное его обоснование, объяснив влияние легирования напревращения происходящие на всех этапах термической обработки этой стали.
в) Опишите структуру и свойства стали после термической обработки.
2. Для изготовления слабонагруженных деталей выбран сплав АЛ5:
а) расшифруйте состав и укажите способ изготовления деталей из данного сплава;
б) опишите метод повышения механических свойств этого сплава и объясните природу явления.
3. Укажите состав и свойства керамики, применяемой в электроприборостроении.
4. Вычерчите диаграмму изотермического превращения аустенита для стали У8. Нанесите на нее кривую режима изотермической обработки, обеспечивающей получение твердости 150 НВ. Укажите, как этот режим называется и какая структура получается в данном случае.
5. Изложите сущность процесса передела чугуна в сталь. Приведите основные химические реакции, характеризующие процесс передела. Перечислите современные плавильные печи и агрегаты, в которых получают сталь.
6. По эскизу детали (рис.9) разработайте эскизы: элементов литейной формы, модели стержневого ящика, собранной литейной формы (в разрезе). Опишите последовательность изготовления литейной формы методом ручной формовки. Материал детали – чугун СЧ20.
7. Укажите причины возникновения трещин в отливках. Перечислите виды трещин. Меры их предупреждения и коробления отливок.

8. Изобразите схему и опишите сущность процесса полуавтоматической сварки в среде углекислого газа. Укажите особенности и достоинства сварки в углекислом газе. Разработайте процесс сварки двутавровой балки (рис.37) из стали марки Ст3.Шов прерывистый: l/t=100/200. Укажите тип соединения, форму разделки кромок под сварку (по ГОСТу) и приведите эскиз сечения шва с указанием размеров. Выберите марку и диаметр электродной проволоки, подберите режим сварки. Укажите вылет электрода, род тока и полярность. По размерам шва подсчитайте массу наплавленного металла. Определите расход электродной проволоки с учетом потерь, расход электроэнергии и время сварки изделия. Укажите методы контроля качества сварного шва.

Вариант 4
1.Для изготовления деталей штампов, обрабатывающих
металл в горячем состоянии, выбрана сталь 5ХНМА:
а) расшифруйте состав и определите группу стали, к
которой относится данная сталь по назначению:
б) назначьте режим термической обработки, приведите
подробное его обоснование, объяснив влияние легирования на
превращения, происходящие на всех папах термической
обработки этой стали;
в) опишите микроструктуру и свойства стали после се
обработки.
2. Для изготовления деталей, работающих в активных
коррозионных средах, выбрана сталь 2Х17Н2:
а) расшифруйте состав и определите группу стали но
назначению;
б) объясните назначение легирующих элементов, введенных в эту сталь;
в) назначьте и обоснуйте режим термической обработки и
опишите структуру в свойства стали после обработки.
3. Укажите состав и свойства керамики, применяемой к электроприборостроении.
4. Используя диаграмму изотермического превращения аустенита, объясните, почему нельзя получить в стали чисто мартенситную структуру при охлаждении ее со скоростью меньше критической?
5. Приведите схему кислородного конвертера и изложите принцип его работы. Опишите особенности процесса плавки стали, укажите основные достоинства и недостатки выплавки стали в конверторах.
6. По эскизу детали (рис.10) разработайте эскизы элементов литейной формы, модельных плит, стержневого ящика и собранной литейной формы (в разрезе). Опишите последовательность изготовления формы одним из методов машинной формовки. Материал детали - чугун СЧ20.
7. Изложите технологическую последовательность изготовления отливок по выплавляемым моделям. Отметьте, какие технологические особенности процесса обеспечивают высокую точность размеров и высокий класс шероховатости поверхностей отливок.

8. Изобразите схему автоматической сварки в среде аргона плавящимся электродом и опишите сущность процесса. Укажите особенности и достоинства сварки в среде инертных газов. Разработайте процесс сварки сосуда (рис.38) из стали12Х18Н10Т. Укажите тип соединения, форму разделки кромок под сварку (по ГОСТу) и приведите эскиз сечения шва с указанием размеров. Выберите марку и диаметр электродной проволоки, подберите режим сварки. Укажите вылет электрода, род тока и полярность. По размерам шва подсчитайте массу наплавленного металла. Определите расход электродной проволоки с учетом потерь, расход электроэнергии и время сварки изделия. Укажите методы контроля качества сварного шва.

Вариант 5
1. Кулачки должны иметь минимальную деформацию и высокую твердость и износоустойчивость поверхностного слоя (НУ750—1000). Для изготовления их выбрана сталь ЗОХМА:
а) расшифруйте состав и определите группу стали по назначению;
б) назначьте режим термической и химико-термической обработки, приведите подробное его обоснование, объяснив влияние легирования на превращения в стали при ее термической обработке.
в) опишите структуру и свойства изделий на поверхности и в сердцевине.
2. Для обшивки летательных аппаратов использован сплав ВТ6. Приведите состав сплава, режим упрочняющей термической обработки и получаемую структуру. Опишите процессы, протекающие при термической обработке, и преимущества сплава ВТ6 по сравнению с ВТ5.
3. Опишите антифрикционные пластмассовые материалы. Укажите их свойства и область применения в машиностроении.
4. Вычертите диаграмму состояния железо - карбид железа, укажите структурные составляющие во всех областях диаграммы, опишете превращения и постройте кривую охлаждения (с применением правила фаз) для сплава, содержащего 1,1% С. Какова структура этого сплава при комнатной температуре и как такой сплав называется?
5. Опишите способы внепечной обработки стали для повышения ее качества. Отметьте факторы, способствующие улучшению качества стали в каждом способе.
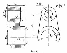
6. По эскизу детали (рис.11) разработайте эскизы элементов литейной формы, модели стержневого ящика, собранной литейной формы (в разрезе). Опишите последовательность изготовления литейной формы методом ручной формовки. Материал детали – чугун СЧ20.
7. Изложите сущность способа литья в оболочковые формы и приведите поясняющие эскизы. Укажите достоинства, недостатки и области применения этого способа литья.

8. Изобразите схему и опишите сущность процесса автоматической сварки в среде углекислого газа. Укажите особенности и достоинства сварки в углекислом газе. Разработайте процесс сварки коробчатой балки (рис.39) из стали марки Ст3. Укажите тип соединения, форму разделки кромок под сварку (по ГОСТу) и приведите эскиз сечения шва с указанием размеров. Выберите марку и диаметр электродной проволоки, подберите режим сварки. Укажите вылет электрода, род тока и полярность. По размерам шва подсчитайте массу наплавленного металла. Определите расход электродной проволоки с учетом потерь, расход электроэнергии и время сварки изделия. Укажите методы контроля качества сварного шва.

Вариант 6
1. Для изготовления машинных метчиков выбрана сталь Р10К5Ф5:
а) расшифруйте состав и определите, к какой группе относится данная сталь по назначению;
б) назначьте режим термической обработки, приведите подробное его обоснование, объяснив влияние легирования на превращения, происходящие на всех этапах термической обработки данной стали;
в) опишите структуру и свойства стали после термической обработки.
2. Для изготовления некоторых деталей самолета выбран сплав АМгЗ:
а) расшифруйте состав и опишите способ упрочнения этого сплава, объяснив природу упрочнения;
б) приведите характеристики механических свойств сплава.
3. Термореактивные пластмассы, их особенности и область применения.
4. Вычертите диаграмму состояния железо - карбид железа, укажите структурные составляющие во всех областях диаграммы, опишите превращения и постройте кривую охлаждения (с применением правила фаз) для сплава, содержащего 0,5% С. Какова структура этого сплава при комнатной температуре, и как такой сплав называется?
5. Опишите способы вторичного переплава слитков, повышающие их качество. Отметьте факторы, способствующие повышению качества слитков в каждом способе.
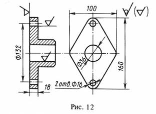
6. По эскизу детали (рис.12) разработайте эскизы элементов литейной формы, модели стержневого ящика, собранной литейной формы (в разрезе). Опишите последовательность изготовления литейной формы методом ручной формовки. Материал детали – чугун СЧ20.
7. Изложите сущность литья в кокили, приведите эскизы, поясняющие конструкцию кокилей. Отметьте технологические особенности этого способа литья, достоинства, недостатки и области его применения.

8. Изобразите схему и опишите сущность процесса контактной точечной электросварки. Начертите и опишите циклограмму процесса точечной сварки. Объясните, за счет чего металл ядра в месте контакта заготовок доводится до жидкопластичного состояния. Разработайте процесс сварки панели (рис.40) из стали марки Ст3. Шаг точек t=5dT. Производство массовое. Укажите подготовку заготовок под сварку. По толщине свариваемых заготовок выберите тип машины и укажите ее технические данные. Рассчитайте площадь контактной поверхности электрода. По значениям j (А/мм2) и p (мН/м2) определите сварочный ток и усилие, приложенное на электродах. Определите время сварки изделия. Укажите возможные дефекты и причины их возникновения.

Вариант 7
1. Для изготовления обрезных штампов выбрана сталь X12M:
а) расшифруйте состав и определите, к какой группе относится данная сталь по назначению;
б) назначьте режим термической обработки, приведите его подробное обоснование, объяснив влияние легирования на все превращения, происходящие при термической обработке стали;
в) опишите микроструктуру и свойства стали после термической обработки.
2. Для изготовления некоторых деталей самолета выбран сплав AЛ2:
а) расшифруйте состав и укажите способ изготовления деталей из данного сплава;
б) опишите метод повышения механических свойств сплава и сущность этого плавления.
3. Приведите классификацию технической керамики по составу и укажите область ее применения в машиностроении.
4. Вычертите диаграмму изотермического превращения аустенита для стали У8. Нанесите на нее кривую режима изотермической обработки, обеспечивающей получение твердости 20...25 HRC. Укажите, как этот режим называется, опишите сущность превращений и какая структура получается в данном случае.
5. Приведите характеристику свойств титана и укажите области его применения. Опишите последовательность технологического процесса производства титана из ильменитовых руд магниетермическим способом.
6. По эскизу детали (рис.13) разработайте эскизы элементов литейной формы, модели стержневого ящика, собранной литейной формы (в разрезе). Опишите последовательность изготовления литейной формы методом ручной формовки. Материал детали – чугун СЧ20.
7. Изложите принципы конструирования технологичных литых деталей с учетом литейных свойств сплавов.

8. Изобразите схему и опишите сущность процесса контактной шовной (роликовой) сварки. Начертите и опишите циклограмму процесса шовной сварки. Объясните, за счет чего металл ядра в месте контакта заготовок доводится до жидкопластичного состояния. Разработайте процесс сварки бензобака (рис.41) из стали марки Ст3. Производство массовое. Укажите подготовку заготовок под сварку. По толщине свариваемых заготовок выберите тип машины и укажите ее технические данные. Рассчитайте площадь контактной поверхности электрода(для случая отсутствия вращения ролика). По значениям j (А/мм2) и p (мН/м2) определите сварочный ток и усилие, приложенное на роликах, время сварки изделия. Укажите возможные дефекты и причины их возникновения.

Вариант 8
1. Для изготовления шаберов выбрана сталь Х5:
а) расшифруйте состав и определите группу стали по назначению;
б) назначьте режим термической обработки, приведите подробное его обоснование, объяснив влияние легирования на превращения, происходящие на всех этапах термической обработки данной стали;
в) опишите структуру и свойства стали после термической обработки.
2. Для изготовления токопроводящих упругих элементов выбран сплав БрБНТ-1,9. Приведите химический состав, режим термической обработки и получаемые механические свойства материала. Опишите процессы, происходящие при термической обработке, и объясните природу упрочнения в связи с диаграммой состояния медь.
3. Пленочные материалы, их разновидности, свойства и область применения в машиностроении.
4. Углеродистые стали 35 и У8 после закалки и отпуска имеют структуру мартенсит отпуска и твердость: первая 45 HRC, вторая 60 HRC. Используя диаграмму состояния железо-карбид железа и учитывая превращения, происходящие при отпуске, укажите температуру закалки и температуру отпуска для каждой стали. Опишите превращения, происходящие в этих сталях в процессе закалки и отпуска, и объясните, почему сталь У8 имеет большую твердость, чем сталь 35.
5. Приведите характеристику свойств меди и укажите области ее применения. Опишите последовательность технологического процесса производства меди пирометаллургическим способом.
6. По эскизу детали (рис.14) разработайте эскизы элементов литейной формы, модели стержневого ящика, собранной литейной формы (в разрезе). Опишите последовательность изготовления литейной формы методом ручной формовки. Материал детали – сталь 45 Л.
7. Изложите вопросы автоматизации и механизации изготовления литейных форм. Приведите схему автоматической формовочной линии и опишите ее работу.

8. Изобразите схему и опишите сущность процесса контактной стыковой сварки сопротивлением. Начертите и опишите циклограмму процесса стыковой сварки сопротивлением. Объясните, почему в месте контакта заготовок выделяется наибольшая тепловая энергия. Разработайте процесс сварки стержней (рис.42) из стали марки Ст3. Производство крупносерийное. Укажите подготовку заготовок под сварку. По площади сечения заготовок выберите тип машины и укажите ее технические данные. Рассчитайте площадь контактной поверхности электрода(для случая отсутствия вращения ролика). По значениям j (А/мм2) и p (мН/м2) определите ток и усилие осадки. Укажите возможные дефекты и причины их возникновения.

Вариант 9
1. В результате термической обработки поршневые пальцы должны получить твердый износоустойчивый поверхностный слой при вязкой сердцевине. Для их изготовления выбрана сталь 18ХГГ:
а) расшифруйте состав и определите группу, к которой относится данная сталь по назначению;
б) назначьте режим термической и химико-термической обработки, приведите подробное его обоснование, объяснив влияние легирования на превращения, происходящие на всех этапах обработки данной стали;
в) опишите микроструктуру и свойства стали в готовом виде.
2. Для изготовления деталей путем глубокой вытяжки применяется латунь Л70:
а) расшифруйте состав и опишите структуру сплава;
б) назначьте режим промежуточной термической обработки, применяемой между отдельными операциями вытяжки; обоснуйте выбранный режим;
в) приведите общую характеристику механических свойств сплава.
3. Термопластичные пластмассы, их особенность и область применения. Приведите примеры важнейших термопластов.
4. С помощью диаграммы состояния железо - цементит установите температуру полного и неполного отжима и нормализации для стали 20. Охарактеризуйте эти режимы термической обработки и опишите структуру и свойства стали.
1.
2.
3.
4.
5. Приведите характеристику свойств алюминия и укажите области его применения. Опишите последовательность технологического процесса производства глинозема и электролитического получения алюминия.
6. По эскизу детали (рис.15) разработайте эскизы элементов литейной формы, модельных плит, стержневого ящика, собранной литейной формы (в разрезе). Опишите последовательность изготовления формы одним из методом машинной формовки. Материал детали – чугун СЧ20.
7. Опишите микроструктуру и свойства отливок из высокопрочного чугуна. Приведите примеры маркировки высокопрочного чугуна по Государственному стандарту. Изложите технологические особенности получения отливок из высокопрочного чугуна и укажите области их применения.

8. Изобразите схему и опишите сущность процесса контактной стыковой сварки оплавлением. Начертите и опишите циклограмму процесса стыковой сварки оплавлением. Объясните, за счет чего происходит процесс сварки труб (рис. 43) из стали марки Ст3. Производство массовое. Укажите подготовку заготовок под сварку. По площади сечения свариваемых заготовок выберите тип машины и укажите ее технические данные. По значениям j (А/мм2) и p (мН/м2) определите ток и усилие осадки. Определите установочную длину с учетом припуска на оплавление, осадку и время сварки изделия. Укажите возможные дефекты и причины их возникновения.

Вариант 10
1. В результате термической обработки рычаги должны получить повышенную прочность по всему сечению (твердость HRC28—35). Для изготовления их выбрана сталь 35ХМА:
а) расшифруйте состав и определите, к какой группе относится данная: сталь по назначению;
б) назначьте режим термической обработки, приведите его подробней; обоснование, объяснив влияние легирования на превращения, происходящие на всех этапах термической обработки этой стали;
в) опишите микроструктуру и свойства стали после термической обработки.
2. В качестве материала для ответственных подшипников скольжения выбран сплав БрСЗО:
а) расшифруйте состав и определите, к какой группе относится данный сплав по назначению;
б) укажите основные свойства и требования, предъявляемые к сплавам этой группы.
3. Укажите основные особенности пластмасс как конструкционного материала и рекомендации по использованию пластмасс в машиностроении.
4. Вычертите диаграмму состояния железо — карбид железа, укажите структурные составляющие во всех областях диаграммы, опишите превращения и постройте кривую охлаждения (с применением правила фаз) для сплава, содержащего 1,4% С. Какова структура этого сплава при комнатной температуре и как такой сплав называется?
5. Приведите характеристику свойств магния и области его применения. Опишите последовательность технологического процесса производства магния из карналлита.
6. По эскизу детали (рис.16) разработайте эскизы элементов литейной формы, модельных плит, стержневого ящика и собранной литейной формы (в разрезе). Опишите последовательность изготовления формы одним из методом машинной формовки. Материал детали – сталь 35Л.
7. Опишите микроструктуру и свойства отливок из ковкого чугуна. Приведите примеры маркировки ковкого чугуна по Государственному стандарту. Изложите технологические особенности получения отливок из ковкого чугуна и укажите области их применения.

8. Изобразите схему и опишите сущность процесса автоматической сварки под слоем флюса. Укажите назначение флюса и флюсовой подушки. Разработайте процесс односторонней сварки плиты из стали марки Ст3 (рис.36). Производство крупносерийное. Укажите тип соединения, форму разделки кромок под сварку (по ГОСТу) и приведите эскиз сечения шва с указанием размеров. Выберите марку и диаметр электродной проволоки и флюса, подберите режим сварки. По размерам шва подсчитайте массу наплавленного металла. Определите расход электродной проволоки и флюса с учетом потерь, расход электроэнергии и время сварки изделия. Укажите методы контроля качества сварного шва.

Вариант 11
1. Копиры должны иметь минимальную деформацию и высокую износоустойчивость (твердость поверхностного слоя HV750-1000). Для их изготовления выбрана сталь 38XMЮA:
а) расшифруйте состав и определите, к какой группе по назначению относится данная сталь;
Дата добавления: 2015-08-01; просмотров: 1595;
