Понятие об операционном усилителе.
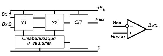
При построении аналоговых схем автоматического управления электроприводами широкое применение в качестве элементной базы нашли операционные усилители. Операционным называется усилитель постоянного тока с большим коэффициентом усиления, предназначенный для выполнения различных операций с аналоговыми сигналами. На Рис. 66 приведена блок-схема операционного усилителя УД140У2. Усилитель построен на двух дифференциальных каскадах и выходном эмиттерном повторителе. Схема снабжена узлами стабилизации и защиты. Один вход усилителя является инвертирующим, второй – не инвертирующим.

Рис. 66. Блок-схема операционного усилителя.
Операционный усилитель в общем случае включается в схему с различными (активными и реактивными) входными сопротивлениями и сопротивлениями обратной связи. В общем случае его передаточная функция имеет вид:
(7.37)
|
Выбирая в качестве сопротивлений резисторы или конденсаторы можно получить устройства с разными функциональными зависимостями выходного напряжения от входного: усилители-инверторы, усилители-повторители, сумматоры, устройства
деления и умножения, регуляторы
пропорциональные, интегрирующие, дифференцирующие и т.д. Операционные усилители используются и при построении некоторых цифровых устройств в качестве базового элемента.
Дата добавления: 2015-07-30; просмотров: 667;
