Измерение активной мощности в схеме звезда – звезда с нулевым проводом
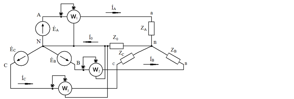
Для измерения активной мощности в трёхфазной четырёхпроводной системе в общем случае, т. е. при неравномерной нагрузке, необходимо три ваттметра, включённых по схеме рис. 27

Рис. 27. Схема для измерения активной мощности в трёхфазной системе
У первого ваттметра обмотка напряжения обмотка напряжения включена на фазное напряжение ÚА. Линейный ток ÍА входит в начало токовой обмотки.
Поэтому
(105)
Обмотка напряжения второго ваттметра включена на фазное напряжение ÚВ. Линейный ток ÍВ входит в начало токовой обмотки.
Отсюда
(106)
Обмотка напряжения третьего ваттметра включена на фазное напряжение ÚС. Линейный ток ÍС входит в начало токовой обмотки.
Поэтому
(107)
Активная мощность в нулевом проводе
(108)
Полная мощность трёхфазной системы будет равна
Р = Р1 + Р2 + Р3 + Р0 (109)
При равномерной нагрузке I0 = 0, поэтому и Р0 = 0. Все три ваттметра будут давать одинаковые показания. Поэтому достаточно измерить мощность одной из фаз и результат утроить
Р = 3Р1 (110)
Дата добавления: 2015-07-30; просмотров: 1081;
