Порядок выполнения работы. Задание 1. Изучение однородного электростатического поля.
Задание 1. Изучение однородного электростатического поля.
1. При выполнении работы необходимо следить, чтобы электроды не оказались замкнутыми накоротко. Во избежание этого категорически запрещается зондом касаться электродов.
2. Перенести на чистый лист миллиметровой бумаги оси координат, задающие симметрию расположения электродов электролитической ванны. На этот же лист нанести электроды
и
при фиксированном их расположении относительно осей
и
. Приготовить два листа миллиметровой бумаги для графического изображения исследуемых полей (однородного и неоднородного).
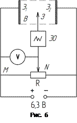
3. Собрать цепь по схеме, изображенной на рис. 6, и установить движок потенциометра
примерно на середине.
4. Налить в ванну воды столько, чтобы она равномерно покрыла поверхность ванны тонким слоем.
5. Включить источник питания, вольтметр и осциллограф, дождаться появления на экране осциллографа сигнала в виде горизонтальной линии.
6. По заданию преподавателя установить на вольтметре значение потенциала
. Зондом, опущенным в ванну вертикально, найти точку, которой соответствует на экране осциллографа узкая линия сигнала. Координаты этой точки нанести на лист миллиметровой бумаги или записать в таблицу (на усмотрение преподавателя). Для этого же
найти аналогично еще 4 точки.
7. Соединить найденные точки в линию, указав возле нее значение потенциала
(первая эквипотенциальная поверхность).
8. Пункты 6 и 7 повторить для
и
, изменяя потенциал на 1-2 В для каждой эквипотенциальной поверхности.
9. По построенным эквипотенциальным поверхностям изобразить силовые линии напряженности.
10. Рассчитать напряженность электрического поля по формуле:

где
- разность потенциалов между выбранными эквипотенциальными поверхностями;
- расстояние между ними.
11. Значения напряженности в разных точках поля записать на лист миллиметровой бумаги.
Задание 2. Изучение неоднородного электростатического поля.
1. По указанию преподавателя взять металлическое тело из набора электродов, нанести форму и координаты данного тела на второй лист миллиметровой бумаги.
2. Поместить металлическое тело в ванну с водой симметрично между электродами
и
.(По усмотрению преподавателяэлектрод
можнозаменить электродом из набора).
3. Повторить п. п. 6-9 из задания 1, только для каждого потенциала снять 8-10 точек. Для более наглядного изображения поля взять 7-8 значений потенциала
.
4. Повторить п. п. 10-11 из задания 1.
5. Сделать выводы о влиянии металлического тела на первоначально исследованное электростатическое поле.
Таблица
| № п/п |
|
|
|
|
| ··· |
|
|
|
|
|
|
|
|
| ||
| · · · | ||||||||
Дата добавления: 2015-07-30; просмотров: 607;
