Методические указания по выполнению работы
1. Ознакомиться с измерительными приборами и оборудованием, используемыми при выполнении работы, а также со схемой включения измерительного комплекта К505 при измерениях токов, напряжений и мощностей в трехфазных трехпроводных и че-тырехпроводных электрических цепях.
2. Исследовать трехфазную цепь при соединении потребителей электрической энергии звездой (см. рис. 2).
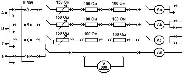
3. Собрать трехпроводную трехфазную цепь (см. рис. 2) по монтажной схеме рис. 14, используя в качестве нагрузки каждой фазы последовательно включенные резисторы.
4. Измерить токи и мощности по фазам с помощью измерительного комплекта К505. Измерение фазных и линейных напряжений проводить цифровым вольтметром, установленным на панели стенда, поочередно подключая его к соответствующим точкам цепи. Питание цепи осуществлять от трехфазного источника, расположенного на панели источников питания с Uл=220 В.

Рис.14
5. Изменяя сопротивление переменных резисторов в фазах трехфазной цепи, измерить и записать в табл.1 значения линейных токов Iл, фазных Uф и линейных Uл напряжений, а также показания ваттметра для различных режимов работы цепи.
Таблица 1
| Номера измерений | Режим работы цепи | Измерения | Вычисления | ||||||||||||
| IA,A | IB,A | IC,A | IN,A | PA,Вт | PB,Вт | PC,Вт и а. | Ua,B | Ub,B | Uc,B | Uab | UbcB | Ua,B | UnNB | P,Вт | UЛ/UФ |
| — |
Дата добавления: 2015-07-30; просмотров: 958;
