Статические характеристики биполярных транзисторов
В схеме с общей базой входные (эмиттерные) характеристики представляют собой зависимость I э= f (Uэ ) при Uк = const.(рис. 30).
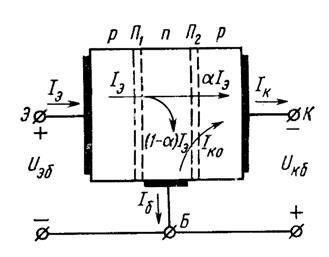
Рис. 30. Схема включения транзистора с общей базой (ОБ)
| Характеристика при U к = 0 аналогична прямой ветви диодной вольтамперной характеристики. При подаче (- Uк ) она смещается влево (у p-n-p транзистора). Это свидетельствует о наличии вну-
|
Это сопротивление создается слабо легированной областью базы. Оно является общим для входной и выходной цепей. Рост Uкприводит к росту Iкбо .Коллекторный переход расширяется, Iэ.рек и ширина базы уменьшаются. Как следствие растет Iэ, поскольку увеличивается доля напряжения эмиттер-база, приложенного непосредственно к переходу.
Выходные характеристики представляют собой зависимость тока Iк=f(Uк)при Iэ = const. . Нулевая характеристика аналогична обратной ветви вольтамперной характеристики диода. С ростом Iэ характеристика смещается, т.к. увеличивается ток коллектора на величину DIкр = a DIэ » DIэ.
|
Кроме того, наклон характеристики с ростомIэрастет, поскольку с ростомнапряженияUкуменьшаютсяширина базыdбирекомбинационныйток эмиттераIэ.реки растетдырочная составляющая тока коллектораIкр.Выходные характеристики имеют три области. В 1-й Iк сильно зависит отUк (начальный участок). Эта зона размещается слева от оси тока, поскольку при Uк = 0, Iк ¹ 0, т.к. дырки переходят в коллектор под действием внутренней разности потенциалов j 0. Вторая зона характеризуется слабой зависимостью Iк от Uк. Ток коллектора несколько растет из-за увеличения объемного заряда коллекторного перехода при росте Uкб. При этом снижается толщина базового слоя, растут a и Iк . одновременно снижается напряжение на эмиттерном переходе, отчего падает концентрация дырок вблизи него. Рост Iк во 2-й зоне при росте Uкб. характеризуется дифференциальным сопротивлением коллекторного перехода
при Iэ=const.
Для маломощных транзисторов r к(б)= (0,5 - 1,0) Мом. Поскольку характеристики во 2-й зоне почти линейны, можно записать Iк = f (Uкб) :
Iк = a Iэ + Uкб / r к(б) + Iко(3.8)
наличие Iко является одной из причин зависимости выходных характеристик от температуры. При росте температуры Iк растет, растет и коэффициент a .
Третья зона - пробой коллекторного перехода, возможный при недопустимом росте Uкб . Электрический пробой при этом очень быстро может перейти в тепловой. Uкб макс. указано в справочнике.
В схеме с общим эмиттером входные характеристики - это зависимость Iб = j (Uбэ) при Uк = const. Входным является ток базы. Uб и Uк отсчитываются от эмиттера, т.е. Uб = Uбэ, Uк = Uкэ )рис. 32, 33)..
|
| |
| Рис. 32. Схема включения транзистора с общим эмиттером (ОЭ) | Рис. 33. Характеристики транзистора в схеме ОЭ: а - выходные; б - входные | |
Нулевая характеристика (Uкэ = 0, Uб < 0)- это суммарная характеристика эмиттерного и коллекторного переходов, соединенных параллельно и подключенных к источнику питания в прямом направлении. В коллекторной цепи протекает ток, противоположный обычному току коллектора. Iк отрицателен, а ток базы равен
I б = Iэ - Iк = Iб + ½ Iк½.(3.9)
При небольшом отрицательном напряжении на коллекторе ток
Iк < 0, Iб = Iэ - Iк . При этом ток базы резко падает и характеристика идет ниже. Снижение Iбпри росте Uкобусловлено эффектом модуляции базы. Входные характеристики идут из точки с Iб < 0.
Выходные характеристики транзистора в схеме с ОЭ - это зависимость Iк = j (Uк) при Iб = const. Напряжение на коллекторном переходе
Uкб = Uкэ-Uбэ. Имеются те же три зоны.
1-я зона - от начала координат до перелома. При Uкэ = 0потоки дырок из коллектора в базу и из эмиттера в коллектор компенсированы, ток коллектора Iк» 0. Рост Uкэприводит к снижению напряжения на коллекторном переходе и уменьшению инжекции носителей.
Во 2-й зоне действует обратное напряжение. Точка перехода - при
U = 0,5 - 1,5 В . С учетом Iэ = Iк + Iб, получим:
,
где b = Iк/ Iб = a/ (1 - a ) - коэффициент передачи тока базы в схеме ОЭ. При a = (0,9 - 0,99), b = (9 – 99) - получаем усиление по току
Iк = bI б + Uкэ / r к(э) + Iко(э) (3.10)
где r к(э) = r к(б) / (1 +b)- дифференциальное сопротивление коллекторного перехода в схеме ОЭ,Iко(э) = ( 1 + b) Iко - обратный ток коллектора в схеме ОЭ. Во второй зоне тоже есть наклон характеристик из-за модуляции базы, но он больше из-за более сильного изменения b (r к(э)мало, составляет 30 - 40 Ком). При нулевом токе базы через транзистор протекает начальный или сквозной ток Iко(э)= ( 1 + b) Iко. Нулевая характеристика проходит через начало координат и в рабочей области (½Ur½> 1В) располагается на уровне, примерно равном bIко . Обратный ток цепи коллектор - эмиттер зависит от состояния входной цепи. Выходные характеристики в зоне малых U пересекают ось ординат в точке Iк < 0 (обратный ток перехода ), но начальный участок, где Iк<0, практического значения не имеет и в справочниках обычно не приводится.
Наличие повышенного тока I ко нежелательно. При подаче смещения Uбэ>0 эмиттерный переход перейдет в непроводящее состояние и Iк снизится до Iк0 . Область ниже характеристики, соответствующей Iб = 0, называется областью отсечки (рис. 34)..
Рис. 34. Зависимость коэффициента β от тока базы
| В этой схеме более сильно влияние температуры, т.к. Iко(э) больше и b более сильно меняется при изменении температуры. На рис. 34 приведена зависимость β = φ (Iб ). Она подобна зависимости α = f(Iэ) (рис. 28). Большему току эмиттера соответствует больший ток базы.
|
коллекторных напряжениях, чем в схеме с ОБ
Дата добавления: 2015-07-30; просмотров: 676;

Рис. 30. Схема включения транзистора с общей базой (ОБ)
Рис. 34. Зависимость коэффициента β от тока базы