ЭЛЕКТРИЧЕСТВО И МАГНЕТИЗМ: КАКАЯ МЕЖДУ НИМИ СВЯЗЬ?
Как вы сами уже догадываетесь, цель данного урока: освоить теоретические сведения касающиеся, электричества, магнетизма и проследить связь между этими двумя понятиями. Потому что именно благодаря магнитным (электромагнитным) явлениям, мы можем получить электричество, без которого сейчас не мыслима жизнедеятельность человека. В конце урока вас ждет не сложная, но довольно интересная практическая работа.
Непосредственную связь между электричеством и магнетизмом открыл в 1819 г. датский профессор физики Ганс Эрстед. Проводя опыты, ученый обнаружил, что всякий раз, когда он включал ток, магнитная стрелка, находящаяся поблизости от проводника с током, стремилась повернуться перпендикулярно проводнику, а когда выключал, магнитная стрелка возвращалась в исходное положение. Ученый сделал вывод: вокруг проводника с током возникает магнитное поле, которое воздействует на магнитную стрелку.
Вы можете в этом убедиться, если сами проведете аналогичный опыт. Для этого потребуются: батарея гальванических элементов, например 3336Л, миниатюрная лампа накаливания, предназначаемая для карманного электрического фонаря, медный провод толщиной 0,2 - 0,3 мм в эмалевой, хлопчатобумажной или шелковой изоляции и компас. С помощью отрезков провода, удалив с их концов изоляцию, подключите к батарее лампу накаливания. Лампа горит, потому что образовалась электрическая цепь. Батарея в данном случае является источником питания этой цепи. Поднесите один из соединительных проводников поближе к компасу, смотрите рис. и вы увидите, как его магнитная стрелка сразу же станет поперек проводника. Она укажет направление круговых магнитных силовых линий, рожденных током.
|
|
| При изменении направления тока в проводнике меняется и направление линий магнитного поля. |
Наиболее сильное магнитное поле тока будет возле самого проводника. По мере удаления от проводника магнитное поле, рассеиваясь, ослабевает.
А если изменить направление тока в проводнике, поменяв местами подключение его к полюсам батареи? Изменится и направление магнитных силовых линий - магнитная стрелка повернется в другую сторону. Значит, направление силовых линий магнитного поля, возбуждаемого током, зависит от направления тока в проводнике.
Какова в этих опытах роль лампы накаливания? Она служит как бы индикатором наличия тока в цепи. Она, кроме того, ограничивает ток в цепи. Если к батарее подключить только проводник, магнитное поле тока станет сильнее, но батарея быстро разрядится.
Если в проводнике течет постоянный ток неизменного значения, его магнитное поле также не будет изменяться. Но если ток уменьшится, то слабее станет и его магнитное поле. Увеличится ток, усилится его магнитное поле, исчезнет ток - магнитное поле пропадет. Словом, ток и его магнитное поле неразрывно связаны и взаимно - зависимы.
Магнитное поле тока легко усилить, если проводник с током свернуть в катушку. Силовые линии магнитного поля такой катушки можно сгустить, если внутрь ее поместить гвоздь или железный стержень. Такая катушка с сердечником станет электромагнитом, способным притягивать сравнительно тяжелые железные предметы. Это свойство тока используется во множестве электрических приборов.
|
| Проводник с током, свернутый в катушку, становится электромагнитом. |
А если магнитную стрелку поднести к проводу с переменным током? Она станет неподвижной, даже если провод свернуть в катушку. Значит ли это, что вокруг проводника с переменным током нет магнитного поля? Магнитное поле есть, но оно тоже переменное. Магнитная же стрелка не будет отклоняться только вследствие своей «неповоротливости» - инерционности, она не будет успевать следовать за быстрыми изменениями магнитного поля.
Первый электромагнит, основные черты которого сохранились во многих современных электрических приборах, например в электромагнитных реле, излучателях головных телефонов, изобрел английский ученый Стерджен в 1821 г. А спустя два десятилетия после этого события французский физик Андре Ампер сделал новое, исключительно важное по тому времени открытие. Он опытным путем установил, что два параллельно расположенных проводника, по которым течет ток, способны совершать механическую работу: если ток в обоих проводниках течет в одном направлении, то они притягиваются, а если в противоположных, отталкиваются.
Догадываетесь, почему так происходит? В первом случае, когда направление тока в обоих проводниках одинаково, их магнитные поля, также имеющие одинаковое направление, как бы стягиваются в единое поле, увлекая за собой проводники. Во втором случае магнитные поля вокруг проводников, имеющие теперь противоположные направления, отталкиваются и тем самым раздвигают проводники.
В первой половине прошлого столетия ценнейший вклад в науку внес английский физик - самоучка Майкл Фарадей. Изучая связь между электрическим током и магнетизмом, он открыл явление электромагнитной индукции. Суть его заключается в следующем. Если внутрь катушки из изолированной проволоки быстро ввести магнит, стрелка электроизмерительного прибора, подключенного к концам катушки, на мгновение отклонится от нулевой отметки на шкале прибора.
|
| а) 6) Энергия магнитного поля создает движение электронов - электрический ток. |
При таком же быстром движении магнита внутри катушки, но уже в обратном направлении, стрелка прибора также быстро отклонится в противоположную сторону и вернется в исходное положение. Вывод мог быть один: магнитное поле пересекает провод и возбуждает (индуцирует) в нем движение свободных электронов - электрический ток. Впрочем, можно поступить иначе: перемещать не магнит, а катушку вдоль неподвижного магнита. Результат будет такой же. Магнит можно заменить катушкой, в которой течет постоянный ток. Магнитное поле этой катушки, вызванное током, при пересечении витков второй катушки также будет возбуждать в ней электродвижущую силу, создавая в ее цепи электрический ток.
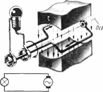
Явление электромагнитной индукции лежит в основе действия генератора переменного тока, представляющего собой катушку из провода, вращающуюся между полюсами сильного магнита или электромагнита (на рис. катушка показана в виде одного витка провода).
|
| Схема генератора переменного тока. |
Вращаясь, катушка пересекает силовые линии магнитного поля, и в ней индуцируется (вырабатывается) электрический ток.
В 1837 г. русский академик Б. С. Якоби открыл явление, обратное по действию генератора тока. Через катушку, помещенную в магнитном поле, ученый пропускал ток, и катушка начинала вращаться. Это был первый в мире электромагнитный двигатель. Фарадей, открывший закон электромагнитной индукции, опытным путем обнаружил еще очень важное явление - возможность передавать переменный ток из катушки в катушку на расстояние без какой - либо прямой электрической связи между ними. Суть этого явления заключается в том, что переменный или прерывающийся (пульсирующий) ток, текущий в одной из катушек, преобразуется в переменное магнитное поле, которое пересекает витки второй катушки и тем самым возбуждает в ней переменную ЭДС. На этой основе создан замечательный прибор, который называется трансформатор, играющий очень важную роль в электротехнике и радиотехнике.
Дата добавления: 2015-07-06; просмотров: 2362;
