Волновые процессы в обмотках трансформаторов.
Волны грозового или коммутационного характера, набегающие по ЛЭП на ПС приводят к возникновению импульсных напряжений, воздействующих на обмотку трансформатора.
В трансформаторе под действием импульса напряжения возникают сложные электромагнитные процессы, приводящие к перенапряжениям как между витками катушек (продольная изоляция), так и между катушками и заземленными частями (главная изоляция).
При воздействии импульсного напряжения в обмотке возникают волновые процессы, имеющие некоторую аналогию с процессами в линиях электропередачи.

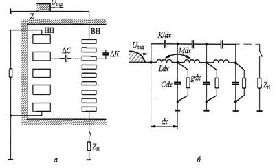
Рис. 4.14. Конструктивная схема однофазной катушечной обмотки (а) и электрическая схема замещения (б) высоковольтного трансформатора: Zh - сопротивление нейтрали трансформатора
Из-за того, что провод обмотки навивается вокруг магнитопровода, появляются два дополнительных параметра схемы замещения: емкость между соседними витками К и взаимная индуктивность М. Величины L, С - средние значения индуктивности, емкости относительно земли.
Электромагнитный переходный процесс в трансформаторе зависит от ряда факторов:
• схемы соединения обмоток;
• режима нейтрали (заземлена или изолирована);
• конструкции обмоток;
• падения волны по одной, двум, трем фазам ЛЭП.
Вначале рассмотрим основные закономерности переходного процесса для однофазного трансформатора с катушечной обмоткой. На обмотку ВН воздействует прямоугольная волна напряжения. Весь процесс воздействия волны можно представить состоящим из трех стадий: а) начальный процесс t = 0;б) установившийся режим (переходные процессы закончились) t = оо; в) п/п 0 < t < оо.
Дата добавления: 2015-07-06; просмотров: 2799;
