Дія електричного струму на організм людини
Дія електричного струму на живу тканину носить своєрідний різносторонній характер. Проходячи через організм, електричний струм проводить термічну, електролітичну і біологічну дію.
Термічна дія виявляється в нагріванні тканин аж до опіків окремих ділянок тіла, перегріву кровоносних судин і крові, що викликає в них функціональні розлади.
Електролітична дія викликає розкладання крові і плазми - порушення їх фізико-хімічних складів.
Біологічна дія виявляється в подразненні і збудженні живих тканин організму, що може супроводжуватися мимовільним судорожним скороченням м'язів. При цьому можуть виникати різноманітні порушення в організмі - повне припинення діяльності серця і легенів, а також механічних пошкоджень тканин.
Чинники, що визначають небезпечне ураження електричним струмом, поділяються на три групи:
- чинники електричного характеру - сила струму, напруга, рід і частота струму, опір тіла людини електричному струму;
- чинники не електричного характеру - індивідуальні особливості людини, чинник уваги, час дії, шлях струму;
- чинники довкілля - температура, вологість, запиленість, атмосферний тиск, електричне і магнітне поле.
Розглянемо ці чинники детальніше:
Величина струму є основним чинником, від якого залежить ушкодження: чим більший струм, тим небезпечніша його дія.
0,6-1,5 мА - пороговий відчутний струм;
10-15 мА - пороговий невідпускаючий струм;
25-50 мА - діє на м'язи грудної клітини, утрудняє і навіть припиняє дихання;
100 мА - викликає зупинку серця або його фібриляцію. Найбільш небезпечна частота 20-200 Гц змінного струму.
Рід струму – до 450 В найбільш небезпечний змінний струм;
>500 В - постійний струм;
450-500 В - небезпека однакова;
t0 - потовиділення і перегрівання - небезпека збільшується;
g - знижує загальний опір організму електричному струму;
р - при підвищенні тиску електротравматизм менший.
Електричне поле - за наявності електричного поля небезпека менша.
Магнітне поле - не викликає патології, але зміна чисельного значення напруженості поля призводить до виникнення струмів в організмі людини і електричній травмі.
Шлях руху струму: найбільш вразливими місцями є: тильна частина кисті; рука вища кисті; шия, скроня, спина; нижня частина ноги; плече.
4.3. Класифікація приміщень за ступенем небезпеки
ураження електричним струмом
Приміщення підрозділяються:
- приміщення з підвищеною небезпекою – вологість j > 75 %; струмопровідний пил, підлоги, температура t > 35 °C;
- приміщення особливо небезпечні характеризуються наявністю однієї з наступних трьох умов, що створюють небезпеку:
а) з хімічно активним середовищем, що руйнує ізоляцію;
б) наявність 2-х і більше чинників, властивих приміщенням з підвищеною небезпекою;
в) з особливою вогкістю, j до 100 %;
- приміщення без підвищеної небезпеки - нормальні умови і неструмопровідні підлоги.
4.4. Аналіз небезпеки ураження електричним
струмом у різних електричних мережах
Основні випадки ураження електричним струмом стаються при доторканні людиною не менше ніж до двох точок мережі, що мають різні потенціали. Небезпека такого доторкання залежить від умов ввімкнення людини в мережу, схеми мережі, режиму її нейтралі, величини напруги, стан ізоляції струмопровідних частин від землі. Ввімкнення людини в електричну мережу може бути однофазним, і двофазним. Електричні мережі поділяються на однофазні і трифазні.
Трифазні мережі змінного струму бувають з ізольованою від землі нейтраллю і глухо заземлені.
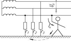
Розглянемо однополюсне доторкання до однофазної мережі змінного струму (рис. 4.1.).

Рис. 4.1. Однополюсне дотикання до однофазної мережі
змінного струму
Всі струмопровідні частини будь-якої мережі, що знаходяться під напругою, нормально мають бути ізольовані від землі. Опір дроту по відношенню до землі, називається опором ізоляції або опором витоку, що складаються з опору ізоляції самого дроту і послідовно ввімкнення дільниць шляху на землю (будівельні конструкції, підлога, грунт). По цьому ланцюжку опору під дією різниці потенціалів між дротом і землею протікає невеликий струм, який називається струмом витоку (r1 і r2 - опір ізоляції чи опір витоку).
В разі доторкання людини до фази мережі його опір
вмикається паралельно з опором витоку цієї фази. Струм, що протікає через людину, буде дорівнювати:
,
| (4.1) |
де
- опір ізоляції або витоку.
З урахуванням опору взуття
і опору підлоги
, які вмикаються послідовно з опором людини, величина струму, що проходить через людину, буде дорівнювати:
;
| (4.2) |
де
- від декількох МОм до декількох Ом;
- 60 кОм - дерев'яна суха підлога.
Розглянемо 2-х полюсне дотикання до однофазної мережі (рис. 4.2.)

Рис. 4.2. Двополюсне дотикання до однорідної мережі
змінного струму
Струм, що проходить через людину, буде дорівнювати:
;
| (4.3) |
Дотикання до однієї фази 3-х фазної мережі з ізольованою нейтраллю (рис. 4.3.).

Рис. 4.3. Однополюсне дотикання до 3-х фазної мережі
з ізольованою нейтраллю.
Струм, що проходить через людину, дорівнює:
;
| (4.4) |
Дотикання до однієї фази 3-х фазної мережі із заземленою нейтраллю (рис. 4.4.).

Рис. 4.4. Однополюсне дотикання до 3-х фазної мережі
із заземленою нейтраллю
У мережах із заземленою нейтраллю напруга фаз відносно землі дорівнює фазній напрузі джерела, оскільки опір заземлення напруги нейтралі rз набагато менший опору витоків r, ємкісного опору фаз відносно землі і самої людини
.
- опір розтікання струму в землі при стіканні струму з людини в землю.
У разі, коли
<<
, то
.
При обрахуванні
і
:
;
| (4.5) |
Двополюсне дотикання людини до 3-х фазної мережі (рис. 4.5.).

Рис.4.5. Двополюсне дотикання до 3-х фазної мережі.
При двополюсному дотиканні до трифазної мережі незалежно від заземлення нейтралі:
;
| (4.6) |
Крім того, через тіло людини протікатиме струм і у напрямку до землі, але цей струм можна не враховувати, оскільки він буде мізерний через порівняно великій опір взуття і підлоги.
Дата добавления: 2015-07-18; просмотров: 1272;

,
;
;
;
;
;