Постоянные запоминающие устройства.
Основная составная часть ПЗУ - элемент памяти, которая сохраняет 1 бит информации. Элементы памяти объединены в матрицу накопителя информации. Совокупность с п элементов памяти, в которой размещается п-разрядное слово, называют ячейкой памяти, при этом величина п определяет разрядность ячейки. Количество ячеек памяти равняется 2m, где m -количество адресных входов, а информационная емкость микросхемы 2m x n бит. Каждая ячейка памяти имеет свой адрес. Большинство ПЗУ имеют словарную организацию, то есть предполагают параллельное считывание п разрядов слова Dn-1-D0.
По способу программирования, то есть по способу занесения информации, различают такие типы ПЗУ: программируемые одноразово и многократно.
К первой группе належат ПЗУ, программируемые маской, которые программирует изготовитель способом заказанного фотошаблона (маски), и одноразово программируемые пользователем способом прожига плавких перемычек на кристалле (ППЗУ, PROM программными ПЗУ).
Вторая группа делится на БИС с ультрафиолетовым стиранием (EPROM) и с электрическим стиранием, которые еще называют флешь-память (РПЗУ, EEPROM репрограммированное ПЗУ).
6.2.1. Программируемые маской ПЗУ (ПЗУМ или ROM - Read Only Memory).
Микросхемы этого типа используют для сохранения стандартных подпрограмм, физических констант, таблиц. Информацию заносят в ПЗУ через специальную маску на завершающей стадии производства, поэтому микросхемы ПЗУ этого типа получили название программируемые маской.
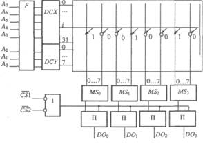
Принцип построения большинства микросхем ПЗУМ одинаковый и может быть представлен структурой микросхем К155РЕ21-К155РЕ24 (рис. 5.2).

Рис. 6.2. ПЗУ, программируемые маской.
Основные элементы структурной схемы: матрица элементов памяти (ЭП), дешифраторы строк DCX и столбцов DCY, селекторы MS0-MS3,, адресный формирователь F, усилители считывания П. Элемент памяти представляет собой резистивную или полупроводниковую (диодную, транзисторную) перемычку, размещенную на пересечении строки и столбца. Перемычки формируют в процессе изготовления микросхемы в тех точках матрицы, куда следует занести логическую 1. В тех точках матрицы, где должен быть логический 0, перемычку не формируют.
В обозначении микросхем ПЗУМ используют буквы РЕ, например БИС КР568РЕ2 с информационной емкостью 8 Кх8. В этой микросхеме записаны символы международного телеграфного кода № 2. БИС имеет 13 адресных входов, который разрешает адресовать 213 8-разрядных ячеек. Считывания информации происходит, если уровень сигнала CS нулевой. Если CS = 1, то выходы D0-D7 находятся в високоимпедансному состоянии, поскольку вход CS инверсный.
Дата добавления: 2015-08-26; просмотров: 1191;
