Аварийная радиостанция Р-861 «Актиния».
Коротковолновая радиостанция Р-861 «Актиния» предназначена для обеспечения двухсторонней симплексной радиосвязи экипажей ВС, потерпевших аварию, с морскими подвижными службами или спасательными самолетами (вертолетами) и автоматической передачи сигналов бедствия.
Основные технические характеристики радиостанции приведены в табл. 5. В состав Р-861 входят приемопередатчик с блоками питания, антенна, телефон ШЛ-61 и микрофоны. Блок питания включает в себя две аккумуляторные батареи (10¸13 В) в специальных водонепроницаемых кассетах. Антенна радиостанции представляет собой телескопический штырь изменяемой длины от 0,5 до 5,5 м, составляемый из металлизированных стеклопластиковых звеньев.
Все органы управления радиостанции выведены на лицевую панель приемопередатчика. Конструкция радиостанции позволяет сохранять работоспособность в весьма жестких условиях эксплуатации, а корпус, в который она помещается, — ее плавучесть.



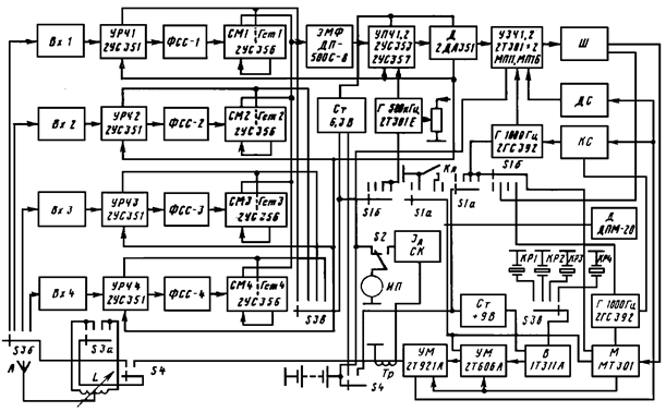
Функциональная схема радиостанции Р-861
Функционально радиостанция Р-861 состоит из приемного и передающего трактов и ряда элементов и каскадов, используемых при приеме и передаче. К ним относятся антенна (А), вариометр (L), УЗЧ шлемофона (Ш). Приемный тракт радиостанции супергетеродинного типа с однократным преобразованием частоты. Состоит из входных цепей (Вх), усилителей радиочастоты (УРЧ), фильтров сосредоточенной селекции (ФСС), смесителей (СМ) и генераторов (Ген) для четырех фиксированных частот, электромеханического фильтра (ЭМФ), двух усилителей промежуточной частоты (УПЧ1,2), совмещенного детектора сигнала и АРУ (2ДА351) двух каскадов УЗЧ, стабилизаторов напряжения (Ст) и генераторов (Г) с частотой 500 кГц. Выбор рабочего канала производится переключателем S3 («частота кГц»). Переключение режима «Прием – Передача» осуществляется переключателем S4, а вида работы «ОТКЛ – ТЛФ – ТЛГ – SOS» — переключателем S1. Переключатель S2 обеспечивает переключение измерительного прибора ИП «Ток Ант. – Напр. – АККУМ».
Передающий тракт радиостанции состоит из возбудителя (В), предоконечного и оконечного усилителей мощности УМ со сложной схемой выхода, модулятора (М), телеграфного ключа, автоматического датчика (Д) с генератором 1000 Гц, схемы контроля (СК) тока в антенне (IА), схемы самопрослушивания ДС и генератора с частотой 1000 Гц.
Возбудитель передатчика генерирует стабилизированные кварцевыми резонаторами КР1¸КР4 высокочастотные колебания на четырех фиксированных частотах, которые усиливаются УМ и подаются в антенную цепь.
В двухполосной радиотелефонии с АМ звуковые колебания преобразуются ларингофонами в электрические, которые усиливаются модулятором и подаются в цепи предоконечного и оконечного УМ.
При автоматической передаче сигналов бедствия используются тональная телеграфия (А2) с глубиной модуляции m ³ 85%. Тональный сигнал формируется генератором с частотой 1000 Гц, который управляет электромеханическим датчиком сигналов бедствия. В результате генератор 1000 Гц формирует сигнал бедствия, состоящий из 12 тире длительностью (4+1) с, с повторением сигнала «SOS».
Дата добавления: 2015-07-14; просмотров: 3282;
