ЛИНЕЙНЫЙ КОДЕР
По принципу действия кодеры делятся на три основные группы: счетного типа, взвешивающего типа и матричные.
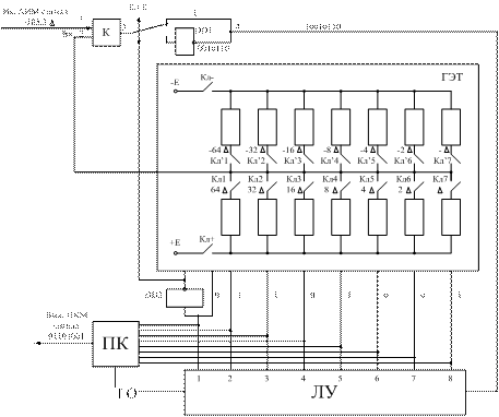
Наибольшее распространение в ЦСП получили кодер и декодер взвешивающего типа. Принцип работы кодера заключается в уравновешивании кодируемых амплитудных отсчетов АИМ–сигнала эталонными токами с определенным весом.
В состав кодера входят:
К – компаратор (сравнивающее устройство);
ГЭТ – генератор эталонных токов;
ЛУ– логическое устройство (служит для записи решений компаратора);
ПК – преобразователь кода (преобразует параллельный код в последовательный);
ГО – генераторное оборудование (управляет работой схемы и в начале тактов кодирования устанавливает все выходы ЛУ в ноль);
КЛ – ключи;
DD1, DD2 – инверторы.

Рисунок 7 – Структурная схема линейного кодера взвешивающего типа двухполярного сигнала
Описание [1] стр. 51
Дата добавления: 2015-08-26; просмотров: 2028;
