Вопрос 3. Вычитатель-усилитель и сумматоры.
Вычитатель-усилитель (рис.8.6) предназначен для усиления разностных сигналов. Если R1=R2 и Rо.с=R, то Uвых=(Uвх2-Uвх1)
.
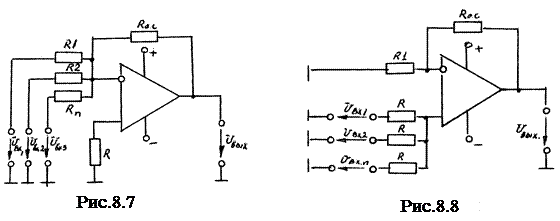
Сумматоры. Схемы инвертирующего и неинвертирующего сумматоров приведены на рис.8.7, 8.8. Для инвертирующего сумматора выходное напряжение определяется по формуле
.
При равенстве входных сопротивлений R1=R2=R
Uвых=-
(Uвх.1+Uвх.2+...+Uвх.n) - для инвертирующего сумматора;
- для неинвертирующего сумматора.
В схеме сумматоров переменным параметром является сопротивление обратной связи Rо.с, которое и определяет коэффициент усиления. Формулы
|
приведены для постоянных величин (числовой сумматор) Uвх.1, Uвх.2 и т.д. В работе исследуется также инвертирующий геометрический сумматор, для которого складываются мгновенные значения Uвх.1 и Uвх.2.
Дата добавления: 2015-08-26; просмотров: 1467;
