Последовательность конструирования лонжерона
Рациональной можно считать приведенную последовательность конструирования:
1. По известным М и Q (или T) из (2) и (4) рассчитываются Fn и δ.
2. По Q (или T) из условий (7) в соответствии с методикой, изложенной в лабораторной работе № 2, определяются параметры соединения пояс-стенка.
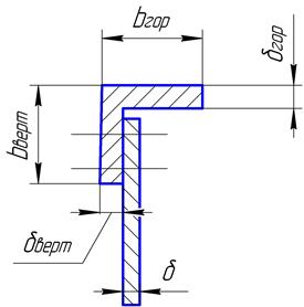
3. Из условия размещения потребного числа рядов заклепок (болтов) определяется ширина вертикальной полки пояса bверт (рис. 5.6).
4. По условию (3) и условию прочности на смятие под заклепкой (болтом) рассчитывается толщина вертикальной полки δверт (рис. 5.6).
Из двух значений выбирают большее.
5. Вычисляется площадь горизонтальной полки: Fгор = Fn - bвертδверт.
6. По условию (3) находят (bгор/δгор) (см. рис. 5.6) и формируют горизонтальную полку пояса.
7. По условию (5) определяется расстояние между подкрепляющими стойками а (см. рис. 5.2). Подбирается сечение стойки и ее крепление к стенке и поясам.
В данной работе этот пункт не выполняется.
8. По формулам (8) - (10) и в соответствии с методикой, изложенной в лабораторной работе № 2, определяются параметры соединения пояс-обшивка.

Рисунок 5.6.
Задание к лабораторной работе
Для заданной схемы (рис. 5,7) и нагрузок сконструировать лонжерон и его соединение с обшивкой:
1) подобрать материал стенки и пояса лонжерона;
2) определить площадь и форму поперечного сечения пояса и толщину стенки;
3) выбрать вид соединения и определить параметры швов пояс-стенка и пояс- обшивка;
4) выполнить чертеж соединения и спецификацию, составить номера документов.

Рисунок 5.7.
Обосновать принятые решения.
Исходные данные
Дата добавления: 2016-02-24; просмотров: 605;
