У терригенных осадочных пород в зависимости от стадий их преобразования
(и к алевролитам, и к песчаникам одинаковые стрелки. Ю.Х.).
Следует заметить, что для слоистых толщ значения ρвкрест и ρвдоль неодинаковы. Такая среда называется анизотропной и характеризуется коэффициентом анизотропии √ρвкрест /ρвдоль .
Лекция 7. Тема: Методика электроразведки и сущность ее методов на основе естественных и искусственных постоянных электрических полей.
Для возбуждения и регистрации электромагнитных полей существует два способа:
1) Гальванический (с помощью штыревых металлических электродов).
2) Индуктивный или индукционный (с помощью индукционных рамок или магнитных антенн).
Оба этих способа или их сочетание, например гальваническое заземление-индуктивный прием, используются в двух основных модификациях электроразведки:
- Электромагнитное профилирование,то есть картировании участков геологоразведочных работ путем перемещения электроразведочных установок или модулей по системе профилей.
- Электромагнитное зондирование,то есть изучении геологических разрезов, на глубину в заданных точках, где инструментом бурения выступает электрический ток.
Эти модификации реализуются путем использования электроразведочной аппаратуры.Производится возбуждение (создание) электромагнитных полей и измерение составляющих этих полей (значений напряженности и потенциалов). Применяются специальные электроразведочные установки. Они состоят из питающих и измерительных модулей, включающих генераторы и измерители, электроразведочные провода, штыревые металлические электроды, индукционные рамки и магнитные антенны и др. Схемы гальванического и индуктивного возбуждения и приема сигналов электромагнитного поля приведены на рис. 2.6.

Рис. 2.6. Схемы гальванического (а) и индуктивного (б) возбуждения и приема сигналов электромагнитного поля
А и В - питающие электроды -, M и N - измерительные электроды, Г – генератор,
И – измеритель, Q – площадь генераторной петли, g – площадь измерительной рамки
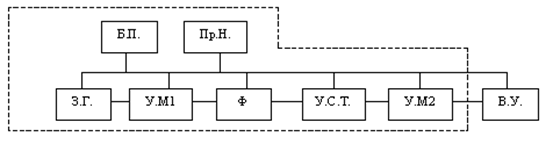
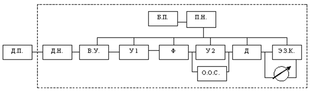
На рис. 2.7 и 2.7-а показаны типовые блок схемы генератора и измерителя электроразведочной аппаратуры.

Рис 2.7. Типовая блок-схема электроразведочного генератора
З.Г. – задающий генератор, У.М. – усилитель мощности, Ф – фильтр, У.С.Т. – устройство стабилизации тока, В.У. – выходное устройство, Б.П. – блок питания, Пр.Н. – преобразователь напряжения.

Рис. 2.7-а. Типовая блок-схема электроразведочного измерителя
Д.П. – датчик поля, ДН. – делитель напряжения, В.У. – входное устройство (обеспечение высокоомного входа), У – усилитель, Ф – фильтр (фильтрация всевозможных помех), Д – детектор (выпрямление сигнала), Э.З.К. – электрозаписная книга, О.О.С. – отрицательная обратная связь (многократное усиление), Б.П. – блок питания, П.Н. – преобразователь напряжения
Дата добавления: 2015-08-21; просмотров: 1014;
