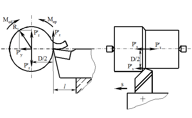
Для різання необхідно, щоб Mор опору різанню був переборений обертальним моментом верстата Mоб.
Окрім скручування заготовки від дії сили Pz створюється момент, який згинає заготовку в вертикальній площині.
Для різання необхідно, щоб Mор опору різанню був переборений обертальним моментом верстата Mоб.

Рисунок 7.5 – Дія складових сили різання на заготовку
Сила Py' згинає заготовку в горизонтальній площині. При недостатній жорсткості системи ВПІД ця сила може визвати вібрації. Py', складаючись з силою Pz', утворюють силу R1, яка може створювати сумарний, що згинає, який діє на заготовку і впливає на точність обробленої поверхні.
Сила
.
Сила Px підтискує заготовку до переднього центру (див. рис. 4.5) або прагне зсунути заготовку в осьовому напрямку при закріпленні її в патроні та створює момент
Mх = P'х·D/2,
який “вивертає” заготовку із центрів.
За своїми числовими значеннями Pх' = Pх; Py' = Py; Pz' = Pz.
в) Дія сил на верстат. Сила різання Pz, будучи найбільшою за значенням та співпадаючою з напрямком швидкості різання, через різець діє на супорт і станину. Сила Pz' через заготовку діє на центри та задню бабку. По цій силі виконуються розрахунки важливих деталей верстата та потужності, яка витрачається на різання, а відповідно, і необхідної потужності електродвигуна верстата.
Радіальна сила Py діє через різець на супорт і станину, а сила Py' через заготовку – на шпиндель, центри і задню бабку верстата. По цій силі виконуються розрахунки верстата на жорсткість і розрахунки радіального тиску на підшипники шпинделя.
Сила подачі Pх діє через різець на механізм подачі верстата, а сила Pх' через заготовку – на шпиндель і його опори в осьовому напрямку. Сила Pх переборюється механізмом подачі верстата, тому в основному по ній і розраховуються деталі коробки подач, фартуха та упорні підшипники шпинделя, а також потужність, що необхідна для виконання руху подачі.
| <== предыдущая лекция | | | следующая лекция ==> |
| Походження Землі: гіпотези І.Канта, Лапласа, В.Г.Фесенкова и О.Ю.Шмідта | | | Загальні положення. 2.Основні принципи сучасного будівництва. |
Дата добавления: 2015-08-14; просмотров: 598;
