Поршневой насос. Устройство и принцип действия
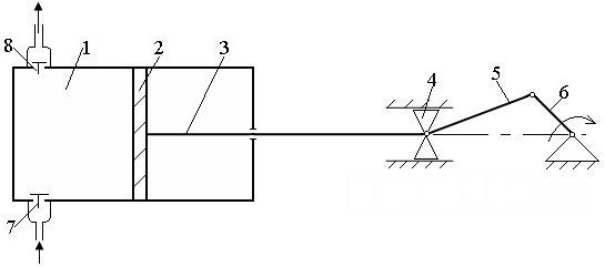
Поршневой насос состоит (рисунок 62): 1 - рабочий цилиндр; 2 - поршень (вытеснитель); 3 - шток; 4 - (ползун) крейцкопф; 5 - шатун; 6 - кривошип или коленчатый вал; 7 - всасывающий клапан; 8 - нагнетательный клапан.

Рисунок 62 – Схема поршневого насоса
В принципе поршневые насосы самовсасывающие и их не надо заполнять жидкостью пред пуском. Однако после длительной остановки его все же заливают жидкостью, т.к. смазка всех трущихся частей осуществляется перекачивающей жидкостью.
При ходе поршня вправо в цилиндре создается разрежение, и камера заполняется жидкостью через всасывающий клапан. При ходе поршня влево, давление повышается, всасывающий клапан закрывается, и жидкость подается в нагнетательный трубопровод. Цикл поршневого насоса в идеальном случае состоит из процессов всасывания и процесса нагнетания, т.к. жидкость – несжимаемая среда.
Дата добавления: 2015-07-10; просмотров: 997;
