Особенности устройства и принцип действия
Генератор типа 37.3701
- переменного тока, трехфазный, со встроенным выпрямительным блоком и электронным регулятором напряжения, правого вращения (со стороны привода), с вентилятором у приводного шкива и вентиляционными окнами в торцевой части. Для защиты от грязи задняя крышка генератора закрыта защитным кожухом.
В основе работы генератора лежит эффект электромагнитной индукции. Если катушку, например, из медного провода, пронизывает магнитный поток, то при его изменении на выводах катушки появляется переменное электрическое напряжение. Такие катушки, помещенные в пазы магнитопровода (железного пакета), представляют собой обмотки статора - важнейшей неподвижной части генератора - именно они генерируют переменный электрический ток.
Магнитный поток в генераторе создается ротором. Он тоже представляет собой катушку (обмотка возбуждения), через которую пропускается постоянный ток (ток возбуждения). Эта обмотка уложена в пазы своего магнитопровода (полюсной системы). В состав ротора - важнейшей подвижной части генератора - входят также вал и контактные кольца. При вращении ротора напротив катушек обмотки статора появляются попеременно "северный", и "южный" полюсы ротора, т. е. направление магнитного потока, пронизывающего обмотки статора, меняется, что и вызывает появление в них переменного напряжения.
Можно было бы использовать в качестве ротора постоянный магнит, но создание магнитного потока электромагнитом позволяет легко регулировать выходное напряжение генератора в широких диапазонах скоростей вращения и тока нагрузки путем изменения тока возбуждения.
Для того, чтобы получить из переменного напряжения постоянное, используют шесть силовых полупроводниковых диодов, которые составляют между собой выпрямительный блок установленный внутри корпуса генератора. Некачественное соединение между выводами генератора и регулятора напряжения приводит к изменению выходного напряжения системы электроснабжения. В частности, повышенное сопротивление на участке между выводами масса генератора и регулятора (у автомобилей ВАЗ оно не должно превышать 0,01 Ом) вызывает перезаряд аккумуляторной батареи из-за роста напряжения генераторной установки.
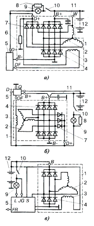
3.Схемы электроснабжения, техническое обслуживание
систем электроснабжения. Рис. Принципиальные схемы генераторных установок: 1- генератор; 2 - обмотка статора генератора; 3 - обмотка возбуждения генератора; 4 - силовой выпрямитель; 5 - регулятор напряжения; 6, 8 -резисторы в системе контроля работоспособности генераторной установки; 7 - дополнительный выпрямитель обмотки возбуждения; 9 - лампа контроля работоспособного состояния генераторной установки; 10-выключатель зажигания; 11 -конденсатор; 12 - аккумуляторная батарея
Дата добавления: 2015-08-11; просмотров: 858;
