Устройство и особенности работы
Биполярный транзистор с изолированным затвором (IGBT - Insulated Gate Bipolar Transistors) - полностью управляемый полупроводниковый прибор, в основе которого трёхслойная структура. Его включение и выключение осуществляются подачей и снятием положительного напряжения между затвором и истоком.
Коммерческое использование IGBT началось с 80-х годов и уже претерпела четыре стадии своего развития.
I поколение IGBT (1985 г.): предельные коммутируемые напряжения 1000 В и токи 200 А в модульном и 25 А в дискретном исполнении, прямые падения напряжения в открытом состоянии 3,0-3,5 В, частоты коммутации до 5 кГц (время включения/выключения около 1 мкс).
II поколение (1991 г.): коммутируемые напряжения до 1600 В, токи до 500 А в модульном и 50 А в дискретном исполнении; прямое падение напряжения 2,5-3,0 В, частота коммутации до 20 кГц ( время включения/ выключения около 0,5 мкс).
III поколение (1994 г.): коммутируемое напряжение до 3500 В, токи 1200 А в модульном исполнении. Для приборов с напряжением до 1800 В и токов до 600 А прямое падение напряжения составляет 1,5-2,2 В, частоты коммутации до 50 кГц (времена около 200 нс).
IV поколение (1998 г.): коммутируемое напряжение до 4500 В, токи до 1800 А в модульном исполнении; прямое падение напряжения 1,0-1,5 В, частота коммутации до 50 кГц (времена около 200 нс).
IGBT являются продуктом развития технологии силовых транзисторов со структурой металл-оксид-полупроводник, управляемых электрическим полем (MOSFET-Metal-Oxid-Semiconductor-Field-Effect-Transistor) и сочетают в себе два транзистора в одной полупроводниковой структуре: биполярный (образующий силовой канал) и полевой (образующий канал управления). Прибор введён в силовую цепь выводами биполярного транзистора E (эмиттер) и C (коллектор), а в цепь управления - выводом G (затвор).
Таким образом, IGBT имеет три внешних вывода: эмиттер, коллектор, затвор. Соединения эмиттера и стока (D), базы и истока (S) являются внутренними. Сочетание двух приборов в одной структуре позволило объединить достоинства полевых и биполярных транзисторов: высокое входное сопротивление с высокой токовой нагрузкой и малым сопротивлением во включённом состоянии.
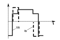
Диаграмма напряжения и тока управления приведена на рис. 63

Рис. 63
Схематичный разрез структуры IGBT показан на рис. 64,а. Биполярный транзистор образован слоями p+ (эмиттер), n (база), p (коллектор); полевой - слоями n (исток), n+ (сток) и металлической пластиной (затвор). Слои p+ и p имеют внешние выводы, включаемые в силовую цепь. Затвор имеет вывод, включаемый в цепь управления. На рис. 64,б изображена структура IGBT IV поколения, выполненого по технологии "утопленного" канала (trench-gate technology), позволяющей исключить сопротивление между p-базами и уменьшить размеры прибора в несколько раз.

Рис. 64.
Процесс включения IGBT можно разделить на два этапа: после подачи положительного напряжения между затвором и истоком происходит открытие полевого транзистора (формируется n - канал между истоком и стоком). Движение зарядов из области n в область p приводит к открытию биполярного транзистора и возникновению тока от эмиттера к коллектору. Таким образом, полевой транзистор управляет работой биполярного.
Для IGBT с номинальным напряжением в диапазоне 600-1200 В в полностью включённом состоянии прямое падение напряжения, так же как и для биполярных транзисторов, находится в диапазоне 1,5-3,5 В. Это значительно меньше, чем характерное падение напряжения на силовых MOSFET в проводящем состоянии с такими же номинальными напряжениями.
С другой стороны, MOSFET c номинальными напряжениями 200 В и меньше имеют более низкое значение напряжения во включённом состоянии, чем IGBT , и остаются непревзойдёнными в этом отношении в области низких рабочих напряжений и коммутируемых токов до 50 А.
По быстродействию IGBT уступают MOSFET, но значительно превосходят биполярные. Типичные значения времени рассасывания накопленного заряда и спадания тока при выключении IGBT находятся в диапазонах 0,2-0,4 и 0,2-1,5 мкс, соответственно.
Область безопасной работы IGBT позволяет успешно обеспечить его надёжную работу без применения дополнительных цепей формирования траектории переключения при частотах от 10 до 20 кГц для модулей с номинальными токами в несколько сотен ампер. Такими качествами не обладают биполярные транзисторы, соединённые по схеме Дарлингтона.
Так же как и дискретные, MOSFET вытеснили биполярные в ключевых источниках питания с напряжением до 500 В, так и дискретные IGBT делают то же самое в источниках с более высокими напряжениями (до 3500 В).
Дата добавления: 2015-08-08; просмотров: 870;
