Основные параметры логических элементов
1. Коэффициент объединения по входу Коб – это число входов микросхемы, с помощью которых реализуется логическая функция.
2. Коэффициент разветвления по выходу Краз показывает, какое число логических входов устройств этой же серии может быть одновременно присоединено к выходу данного логического элемента.
3. Быстродействие характеризуется временем задержки распространения сигналов. Обычно различают время задержки распространения сигнала при включении логического элемента tзд р1,0, время задержки распространения сигнала при выключении логического элемента tзд р0,1 и среднее время задержки распространения tзд р ср.
Под временем задержки распространения сигнала при включении логического элемента понимают интервал времени между входным и выходным импульсами при переходе выходного напряжения от уровня логической единицы к уровню логического нуля, измеренный на уровне 0,5 (рис. 1, г).
Временем задержки распространения сигнала при выключении считают интервал времени между входными и выходными импульсами при переходе выходного напряжения от уровня логического нуля к уровню логической единицы, измеренный на уровне 0,5.
Средним временем задержки распространения называют интервал времени, равный полусумме времен задержки распространения сигнала при включении и выключении логического элемента:
tзд р ср = (tзд р1,0 + tзд р0,1). (1)

Рис. 1. Переключательные характеристики (амплитудные) логических элементов, инвертирующих (а, б) и не инвертирующих (в) входной сигнал;
зависимость импульсной помехи от ее длительности (г):
/// — зона допустимой положительной помехи; \\\ — зона допустимой отрицательной помехи
4. Напряжения высокого U1 и низкого U0 уровней (входные U1вх и выходные U0вых) и их допустимая нестабильность. Под U1 и U0 понимают номинальные значения напряжений микросхемы в статическом режиме (рис. 1, а, б, в). Нестабильность выражается в относительных единицах или процентах.
5. Пороговые напряжения высокого U1пор и низкого U0пор уровней (входные U1вх пор, U0вх пор и выходные U1вых пор, U0вых пор). Под пороговым напряжением понимают наименьшее (U1пор) или наибольшее (U0пор) значение соответствующих уровней, при котором начинается переход логического элемента в другое состояние. Количественно оно характеризуется точкой на амплитудной характеристике ЛЭ, в которой модуль дифференциального коэффициента усиления микросхемы равен единице (рис. 1, а, б, в).
6. Входные токи I0вх, I1вх при входных напряжениях низкого и высокого уровней.
7. Помехоустойчивость. Статическая помехоустойчивость оценивается как минимальная разность между значениями выходного и входного сигналов данного уровня:
U1пом = U1вых min – U1вх пор, (2)
U0пом = U0вх пор – U0вых max. (3)
Из (2) и (3) следует, что статическая помехоустойчивость – это минимальное значение напряжения помехи на выходе ЛЭ, которое может вызвать срабатывание подключенного к нему ЛЭ той же серии. При малых длительностях помехи, меньших или соизмеримых с tзд р, напряжение помехи может быть значительно больше, так как для изменения состояния ключей,
входящих в состав ЛЭ, требуется не только амплитуда сигнала, но и определенный заряд. Он обеспечивает перезарядку конденсаторов и рассасывание накопленного избыточного заряда в базах ключей на биполярных транзисторах. Динамическая помехоустойчивость обычно задается в виде графика, связывающего допустимое напряжение помехи и ее длительность (рис. 1, г).
Из рис. 1, г видно, что при коротких импульсах помехи и их значения могут быть достаточно большими и даже превышающими U1вх (при положительной помехе) и U0вх (при отрицательной помехе).
8. Потребляемая мощность Рпот или ток потребления Iпот. Передаточные характеристики логического элемента, не инвертирующего и инвертирующего входные сигналы, показаны на рис. 1, а-в. У логических элементов одного и того же типа наблюдается разброс параметров, а изменения температуры окружающей среды приводят к изменению параметров элементов. Все это влечет за собой деформацию передаточных характеристик, которые показаны на рис. 1 в виде зон, в пределах которых находятся характеристики исправного элемента.
Для сравнения между собой микросхем отдельных серий используют интегральный параметр, называемый энергией переключения. Она находится как произведение потребляемой мощности Рпот и задержки распространения tзд р. Работа, затрачиваемая на выполнение единичного переключения, называется энергией переключения. В литературе обычно приводится значение энергии переключения одного ЛЭ (одного инвертора) данной серии.
Транзисторно-транзисторные логические элементы (ТТЛ) широко распространены в технике из-за большого быстродействия, высокой помехоустойчивости, умеренного потребления энергии, хорошей нагрузочной способности и малой стоимости.
Характерной особенностью ТТЛ ЛЭ является наличие на их входе многоэмиттерных транзисторов (МЭТ), с помощью которых реализуется требуемая логическая функция. Так, у четырехвходового ЛЭ (рис. 2, а) многоэмиттерный транзистор VT1 отличается от обычного тем, что у него имеется несколько эмиттеров. Они расположены так, что их непосредственное взаимодействие через участок базы практически отсутствует. МЭТ является эквивалентом нескольких транзисторов, включенных по схеме рис. 2, б.
Работу логического элемента можно рассматривать как в положительной, так и в отрицательной логике. При этом логические элементы, выполняющие функцию И в положительной логике, в отрицательной логике выполняют функции ИЛИ, и наоборот.

Рис. 2. Схема ТТЛ с четырьмя входами (а); эквивалентная схема многоэмиттерного транзистора (б); передаточная характеристика логического элемента (в); условное обозначение четырехвходового логического элемента И-НЕ (д)
Базовые элементы ТТЛ различаются только выполнением инвертора. При его проектировании обычно ставятся задачи улучшения переходных характеристик, повышения помехоустойчивости и нагрузочной способности, а также снижения потребляемой мощности.
ТТЛ элементы имеют сравнительно высокое быстродействие, малые входные и большие выходные токи. Они хорошо работают на емкостную нагрузку, так как перезарядка конденсаторов осуществляется через низкоомную выходную цепь.
Недостатком их является кратковременное увеличение мощности, потребляемой в переходных режимах, что вызывает появление в цепях питания импульсов помех. Соответственно при увеличении рабочей частоты наблюдается повышение потребляемой мощности. При большом количестве одновременно переключаемых логических элементов броски тока в цепи питания достигают единиц — десятков ампер. Поэтому по цепи питания около отдельных групп корпусов приходится устанавливать конденсаторы большой емкости, которые компенсируют кратковременные импульсы тока и обеспечивают уменьшение взаимосвязей ЛЭ через цепь питания.
В быстродействующих ЛЭ широко применяют ненасыщенные ключи, у которых в цепь обратной связи включен диод Шоттки. Такое соединение биполярного транзистора и диода Шоттки называют транзистором Шоттки и на принципиальных схемах показывают в виде одного транзистора.
В связи с небольшим значением выходных сопротивлений нельзя объединить между собой выходы нескольких ТТЛ ЛЭ, так как в случае разных выходных сигналов через выходные транзисторы ЛЭ будут протекать большие токи.
Логические элементы с эмиттерной связью (ЭСЛ) относятся к числу наиболее быстродействующих. Используя их, создают сверхбыстродействующие цифровые устройства различного назначения. Для ЛЭ этой группы характерны: большая нагрузочная способность; независимость тока потребления от частоты переключения; небольшая энергия переключения.
ЛЭ ЭСЛ строятся на основе дифференциального усилительного каскада. При сравнительно небольшой разности потенциалов между входами дифференциального усилителя транзистор одного плеча запирается, а другой находится в активной области. Смена полярности дифференциального сигнала приводит к тому, что запирается ранее открытый транзистор и открывается закрытый. При этом общий ток, потребляемый каскадом, практически не меняется. По существу, в ЛЭ ЭСЛ осуществляется «переключение» тока с одного плеча на другое. Поэтому говорят, что в основу их работы положено использование токовых переключателей (ТП). В связи с тем, что транзисторы в таких схемах никогда не попадают в режим насыщения, устройства с токовыми переключателями имеют максимально возможное быстродействие. Для реализации логических зависимостей в плечи дифференциального каскада включают дополнительные компоненты.
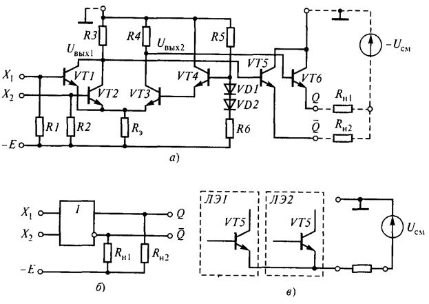
Базовая схема ЛЭ ЭСЛ приведена на рис. 3, а. В ней токовый переключатель выполнен на транзисторах VT1—VT4. Потенциал базы транзистора VT4 задан с помощью резисторов R5, R6 и диодов VD1, VD2, введенных для параметрической температурной компенсации. Если на входах Х1, Х2 низкий потенциал логического 0, то транзисторы VT1, VT2 заперты из-за положительного относительно базы потенциала их эмиттеров. Падение напряжения на резисторе Rэ равно URэ = Iэ3Rэ ≈ –(E –UБ4–UБЭ3–UБЭ4).
Если на один из входов или оба входа подать напряжение такого значения, что потенциал Uбэ транзисторов VT1 или VT2 станет больше порогового значения, то соответствующий или оба транзистора вместе откроются. Ток, протекающий через них, создаст падение напряжения на резисторе RЭ. Потенциалы UБЭ3 и UБЭ4 будут ниже порогового значения. В результате транзисторы VT3, VT4 закроются, и произойдет переключение тока плеч. Напряжение Uвых1 понизится, а Uвых2 повысится. Базовый элемент позволит выполнить функцию ИЛИ или ИЛИ-НЕ в положительной логике, причем вид функции зависит от того, с коллектора каких транзисторов снимается выходной сигнал. Для повышения нагрузочной способности и расширения функциональных возможностей на выходе токового переключателя включены транзисторы VT5, VT6. Они имеют свободный вывод эмиттера и предназначены для использования в качестве выходных эмиттерных повторителей. Для этого к их эмиттерам подключаются резисторы Rн1, Rн2 (рис. 3, б), которые для повышения быстродействия обычно берут сравнительно небольшими (240...50 Ом). С целью уменьшения потребляемой мощности при малых значениях сопротивлений нагрузок (Rн = 50, 75, 100 Ом) часто используют второй источник питания –Uсм (рис. 3, а).

Рис. 3. Базовый элемент ЭСЛ (а); возможная схема его включения (б); объединение эмиттеров (в)
Для повышения помехоустойчивости у ЭСЛ заземляется коллекторная цепь, причем токовый переключатель и транзисторы эмиттерных повторителей имеют раздельные выводы, хотя схемотехнически они подключаются к одной шине. Это обусловлено тем, что токовый переключатель потребляет неизменный ток и при переключении не создает помех по цепи питания.
Ток эмиттерного повторителя зависит от сигнала ЛЭ, что приводит к появлению бросков тока в шине питания. Раздельные выводы этих цепей позволяют подключить все токовые переключатели, выполняющие логические функции, к одной шине, а эмиттерные повторители, для которых помехи по цепи питания не так страшны, – к другой. Эти шины можно питать или от разных источников напряжения, или соединять между собой в одной точке около конденсатора большой емкости.
Так как во входных цепях ЛЭ ЭСЛ установлены резисторы R1, R2, неиспользованные выводы можно оставлять свободными. Эти резисторы также выполняют роль сопротивлений Rн1 и Rн2 при последовательном соединении микросхем.
При практическом применении функциональные возможности нескольких ЛЭ ЭСЛ можно расширить, соединяя между собой выводы эмиттеров транзисторов разных ЛЭ. При этом выходное напряжение будет равно логической 1 в случае, если хотя бы у одного эмиттерного повторителя на базе будет сигнал логической 1 (рис. 3, в). Другими словами, объединение эмиттерных выводов нескольких микросхем позволяет создать вторую монтажную ступень логики — монтажное ИЛИ (монтажное И в отрицательной логике). При эмиттерном объединении нагрузку следует подключать к напряжению –UCM. Применяют также коллекторное объединение, при котором соединяются между собой коллекторы транзисторов нескольких ЛЭ.
ЛЭ ЭСЛ имеют большее быстродействие и меньшие входные токи по сравнению с ЛЭ ТТЛ, но по помехоустойчивости и потребляемой мощности они уступают ЛЭ ТТЛ.
Существенными преимуществами логических элементов на МОП-транзисторах перед логическими элементами на биполярных транзисторах являются: малая мощность, потребляемая входной цепью, в результате чего соответственно возрастает коэффициент разветвления по выходу Краз >> 10÷ 20; простота технологического процесса изготовления; сравнительно низкая стоимость и малая потребляемая мощность.
Однако по быстродействию даже лучшие ЛЭ на МОП-транзисторах уступают схемам на биполярных транзисторах. Это обусловлено тем, что у них имеются сравнительно большие входные емкости, на перезарядку которых затрачивается определенное время. Кроме того, выходное сопротивление у открытого МОП-транзистора обычно больше, чем у биполярного, что увеличивает время зарядки конденсаторов нагрузки и ограничивает нагрузочную способность ЛЭ.
Наиболее перспективны серии, выполненные на комплементарных МОП-транзисторах (КМОП). В них отсутствуют нагрузочные резисторы, а МОП-транзисторы с разной электропроводностью каналов выполняют роль ключей. При напряжении на затворах, большем порогового, для транзисторов с каналом определенного типа соответствующий транзистор отперт, а другой заперт. При другом значении, большем порогового, для транзисторов с электропроводностью противоположного типа отпертый и запертый транзисторы меняются местами. Такие структуры успешно работают при изменении в широких пределах напряжения источника питания (от 3 до 15 В), что недостижимо для ЛЭ, в состав которых входят резисторы. В статическом режиме при большом сопротивлении нагрузки ЛЭ КМОП практически не потребляют мощности. Для них также характерны: стабильность уровней входного сигнала и малое его отличие от напряжений источника питания; высокое входное и небольшое выходное сопротивления; хорошая помехоустойчивость; легкость согласования с микросхемами других серий.

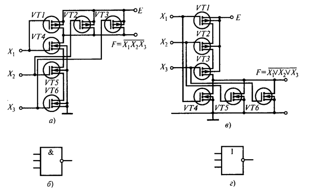
Рис. 4. Схема ЛЭ КМОП, выполняющего логическую функцию ЗИ-НЕ (а),
и его условное обозначение (б); схема ЛЭ КМОП, выполняющего логическую функцию ИЛИ-НЕ (в), и его условное обозначение (г)
ЛЭ КМОП, выполняющие функцию ЗИ-НЕ, приведен на рис. 4, а. В нем использованы транзисторы с индуцированным каналом. Транзисторы VT1-VT3 имеют канал p-типа и открыты при напряжении затворов, близких к нулю. Транзисторы VT4-VT6 имеют канал n-типа и открыты при напряжениях затворов, больших порогового значения Uвх пор.
При нулевом входном сигнале хотя бы на одном из входов ЛЭ один из транзисторов VT1-VT3 открыт и выходное напряжение равно Е. И только в том случае, если на всех входах есть сигнал логической единицы (обычно равный Е), все транзисторы VT1-VT3 закрыты, а ярусно включенные транзисторы VT4-VT6 открыты. Выходное напряжение равно потенциалу общей шины (логический 0). Таким образом, сочетание ярусного включения транзисторов с каналами, имеющими один тип электропроводности, и параллельного соединения транзисторов с каналами другого типа электропроводности позволили реализовать функцию И-НЕ. Условное обозначение такого ЛЭ показано на рис. 4, б.
Если группы ярусно и параллельно включенных транзисторов поменять местами, то будет реализован элемент, выполняющий функцию ИЛИ-НЕ (рис. 4, в). Он работает аналогично предыдущему. Условное обозначение его приведено на рис. 4, г. Транзисторы VT4-VT6 открыты в том случае, если на их затворах логическая 1, и заперты при входных сигналах логического 0.
Из рассмотренных схем видно, что в статическом режиме один из транзисторов, включенных последовательно, всегда закрыт, а другой открыт. Так как закрытый транзистор имеет большое сопротивление Rси закр, то ток в цепи определяется только малыми значениями токов утечек и микросхема практически не потребляет электрическую мощность.
ЛЭ КМОП-серий широко применяются при построении экономичных цифровых устройств малого и среднего быстродействия. По мере усовершенствования технологии их изготовления они все больше составляют конкуренцию для ЛЭ ТТЛ при создании быстродействующих устройств.
Тема: «Назначение и классификация триггеров: синхронные и асинхронные, статические и динамические, одноступенчатые (RS-, D-, VD-) и двухступенчатые (T-, JK-) триггеры»
Особенностью последовательностных логических устройств является зависимость выходного сигнала не только от действующих в настоящий момент на входе логических переменных, но и от тех значений переменных, которые действовали на входе в предыдущие моменты времени. Для выполнения этого условия значения переменных должны быть запомнены логическим устройством. Эту функцию запоминания в цифровых схемах выполняют триггерные элементы, или триггеры.
Триггером называется устройство, способное формировать два устойчивых значения выходного сигнала и скачкообразно изменять эти значения под действием внешнего управляющего сигнала. Именно способность формировать на выходе два устойчивых значения сигнала, которые могут поддерживаться без изменения сколь угодно длительный промежуток времени, и позволяет применять триггер в качестве элемента памяти.
{Триггерами называют устройства, имеющие два устойчивых состояния, у которых переход из одного состояния в другое происходит вследствие регенеративного процесса.
Под регенеративным процессом обычно понимают переходный процесс в электрической цепи, охваченной положительной ОС с петлевым усилением Kβ > 1, действующей в широком диапазоне частот, который характеризуется резкими изменениями токов и падений напряжений на элементах цепи.
Переход триггера из одного устойчивого состояния в другое происходит при воздействии управляющего сигнала и сопровождается скачкообразным изменением токов и напряжений.}
В общем случае триггер содержит собственно элемент памяти и некоторую входную комбинационную схему, преобразующую входные сигналы триггера в сигналы, требуемые для управления элементом памяти. Простейший триггер состоит только из элемента памяти, который может быть реализован на основе инвертирующего усилителя, охваченного глубокой положительной обратной связью (ПОС).
В качестве базовых узлов, на основе которых может быть построен триггер, могут использоваться и элементы И-НЕ или ИЛИ-НЕ, передаточная характеристика которых подобна характеристике инвертирующего усилителя. Так как для построения триггера исходный усилитель должен быть охвачен цепью ПОС, необходимо взять два элемента. Простейший триггер, включающий только непосредственно элемент памяти, приведен на рис. 1. Такой элемент содержит два информационных входа, на которые подаются входные переменные x1 и x0, и два выхода, с которых снимаются сигналы y1 и y0, причем {постулат триггера}:
если y0 = 1, то y1 = 0,
если y0 = 0, то y1 = 1.

Рис. 1. Схемы простейших триггеров на элементах 2И-НЕ (а) и 2ИЛИ-НЕ (б)
При описании триггера также пользуются понятием активного логического уровня. Для изменения выходного сигнала триггера (для изменения его состояния) на вход схемы рис. 1,а следует подать сигнал x = 0. Для переключения триггера на рис. 1,б требуется сигнал x = 1. Для обоих триггеров если x0 = 0, а x1 = 1, то y0 = 1 и y1 = 0. Однако в триггере на рис. 1,а активным определяющим сигналом будет x0 = 0, а в триггере на рис. 1,б – x1 = 1.
Принято считать:
если Q = 1, а Q = 0, то триггер находится в состоянии установки, или просто установлен,
если Q = 0, а Q = 1, то триггер находится в сброшенном состоянии, или просто сброшен.
Дата добавления: 2015-08-08; просмотров: 8156;
