Освещение высоковольтной камеры (ВВК) и машинного отделения.
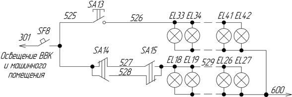
Для подачи напряжения 110 В в цепь освещения ВВК и машинного отделения необходимо включить автоматический выключатель SF8 «Освещение ВВК и машинного отделения» (см. рисунок 38), расположенный на панели автоматов в шкафу МПСУ и Д.
Для освещения ВВК необходимо включить переключатель SA13. Лампы EL33…EL42 получают питание по цепи: провод 301 (+110 В), контакт автоматического выключателя SF8, провод 525, контакт переключателя SA13, провод 526, соединенные параллельно лампы EL33…EL42, провод 600.

Рисунок 38. Схема освещения ВВК и машинного отделения
Для освещения машинного отделения необходимо включить один из двух переключателей SA14 (расположен в тамбуре) или SA15 (расположен в машинном отделении). Лампы EL18…EL27 получают питание по цепи: провод 301 (+110 В), контакт автоматического выключателя SF8, провод 525, контакт переключателя SA14, провод 527 (528), контакт переключателя SA15, провод 529, соединенные параллельно лампы EL18…EL27, провод 600.
Дата добавления: 2015-08-04; просмотров: 1427;
