Прожектор.
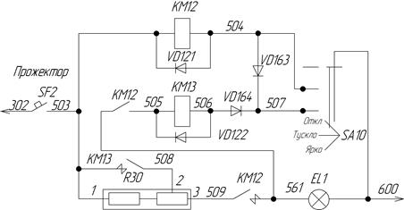
Для подачи напряжения 110 В в цепь питания лампы прожектора необходимо включить автоматический выключатель SF2 «Прожектор», расположенный на панели автоматов в шкафу МПСУ и Д. Управление включением прожектора осуществляется переключателем SA10, который имеет три положения: «Откл.», «Тускло» и «Ярко» (см. рисунок 34).

Рисунок 34. Схема цепи управления прожектором
После установки переключателя SA10 в положение «Тускло» образуется цепь: провод 302 (+110 В), контакт выключателя автоматического SF2, провод 503, катушка электромагнитного контактора КМ12, провод 504, контакт переключателя SA10 (положение «Тускло»), провод 600. Контактор КМ12 включается, и лампа прожектора получает питание по цепи: провод 302 (+110 В), контакт выключателя автоматического SF2, провод 503, добавочный резистор R30, провод 509, силовой контакт контактора КМ12, провод 561, лампа прожектора EL1, провод 600.
После установки переключателя SA10 в положение «Ярко» создается цепь для включения контактора КМ13. При этом цепь катушки контактора КМ12 от провода 504 замыкается через диод VD163, провод 507, контакт переключателя SA10 (положение «Ярко») на провод 600. Контактор КМ12 включается и катушка контактора КМ13 получает питание по цепи: провод 503, контакт блок-контакта контактора КМ12, провод 505, катушка контактора КМ13, провод 506, диодVD164, провод 507, контакт переключателя SA910 (положение «Ярко»), провод 600. Контактор КМ13 включается, замыкая своим силовым контактом цепь между проводами 503 и 508. При этом шунтируется значительная часть (выводы 1-2) добавочного сопротивления R30, что приводит к более яркому свечению лампы прожектора.
Дата добавления: 2015-08-04; просмотров: 984;
