Раздел 4 .Методические рекомендации к выполнению и оформлению контрольных заданий по ТКМ 2 страница
в) опишите структуру и свойства стали после термической обработки.
3. Неметаллическая керамика высокой огнеупорности. Состав, свойства, преимущества и недостатки.
4. Вычертите диаграмму состояния железо - карбид железа, укажите структурные составляющие во всех областях диаграммы, опишите превращения и постройте кривую охлаждения (с применением правила фаз) для сплава, содержащего 0,5% С. Какова структура этого сплава при комнатной температуре и как такой сплав называется?
5. Приведите краткую характеристику современного металлургического производства. Опишите его структуру, основные виды продукции и перспективы развития.
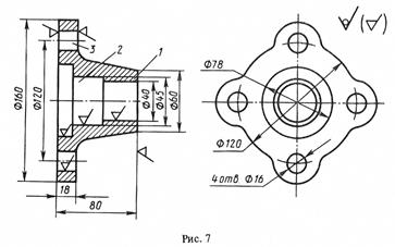
6. По эскизу детали (рис.7) разработайте эскизы: элементов литейной формы, модели стержневого ящика, собранной литейной формы (в разрезе). Опишите последовательность изготовления литейной формы. Материал детали – сталь 35Л.
7. Перечислите основные литейные свойства сплавов. Приведите краткую характеристику жидкотекучести сплавов, укажите факторы, влияющие на жидкотекучесть.

8. Изобразите схему и опишите сущность процесса ручной электродуговой сварки толстопокрытыми электродами. Укажите назначение покрытия. Разработайте процесс сварки цилиндрической части резервуара из стали марки Ст3 (рис.35). Производство мелкосерийное. Укажите тип соединения, форму разделки кромок под сварку (по ГОСТу) и приведите эскиз сечения шва с указанием размеров. Подберите марку и диаметр электрода, определите режим сварки. По размерам шва подсчитайте массу наплавленного металла. Определите расход электродов с учетом потерь, расход электроэнергии и время сварки изделия. Укажите методы контроля качества сварного шва.

Вариант 12
1. Для изготовления молотовых штампов выбрана сталь 5ХГМ:
а) расшифруйте состав и определите, к какой группе относится данная сталь по назначению;
б) назначьте режим термической обработки, приведите подробнее его обоснование, объяснив влияние легирования на превращения, происходящие на всех этапах термической обработки данной стали;
в) опишите структуру и главные свойства стали после термической обработки.
2. Для некоторых приборов точной механики применяется сплав инвар Н36:
а) расшифруйте состав и определите, к какой группе относится данный сплав по назначению;
б) опишите влияние легирующих элементов, на основную характеристику сплава и причины выбора данного сплава в связи с аномалией изменения термического коэффициента расширения.
3. Опишите влияние порошковых и волокнистых наполнителей на свойства резины.
4. Вычертите диаграмму состояния железо - карбид железа, укажите структурные составляющие во всех областях диаграммы, опишите превращения и постройте кривую охлаждения (с применением правила фаз) для сплава, содержащего 4,5% С. Какова структура этого сплава при комнатной температуре и как такой сплав называется?
5. Приведите схему профиля доменной печи и опишите принцип ее работы. Изложите основные физико-химические процессы, происходящие в доменной печи, и укажите назначение основного продукта доменной плавки.
6. По эскизу детали (рис.8) разработайте эскизы элементов литейной формы, модельных плит, стержневого ящика и собранной литниковой системы (в разрезе).
Опишите последовательность изготовления формы одним из методов машинной формовки. Материал детали – сталь 35Л.
7. Перечислите основные литейные свойства сплавов. Приведите характеристику усадки сплавов. Укажите, какие дефекты в отливках связаны с усадкой сплавов и меры их предупреждения.

8. Изобразите схему и опишите сущность процесса автоматической сварки под слоем флюса. Укажите назначение флюса и флюсовой подушки. Разработайте процесс односторонней сварки плиты из стали марки Ст3 (рис.36). Производство крупносерийное. Укажите тип соединения, форму разделки кромок под сварку (по ГОСТу) и приведите эскиз сечения шва с указанием размеров. Выберите марку и диаметр электродной проволоки и флюса, подберите режим сварки. По размерам шва подсчитайте массу наплавленного металла. Определите расход электродной проволоки и флюса с учетом потерь, расход электроэнергии и время сварки изделия. Укажите методы контроля качества сварного шва.

Вариант 13
1. В результате термической обработки червяки должны получить твердый износоустойчивый поверхностный слой при вязкой сердцевине. Для их изготовления выбрана сталь 12ХНЗА:
а) расшифруйте состав стали и определите, к какой группе относится данная сталь по назначению;
б) назначьте режим термической обработки, приведитеподробное его обоснование, объяснив влияние легирования на превращения, происходящие на всех этапах термической обработки данной стали;
в) опишите микроструктуру и свойства стали после термической обработки.
2. Для изготовления деталей путем глубокой вытяжки применяется латунь Л62:
а) расшифруйте состав и опишите микроструктуру сплава:
б) назначьте режим промежуточной термической обработки, применяемой между отдельными операциями вытяжки; обоснуйте выбранный режим;
в) приведите общую характеристику механических свойств сплава.
3. Опишите поведение термопластов при деформировании. Каковы причины релаксационных явлений? Их зависимость от условий нагружения.
4. Что такое нормализация? Используя диаграмму состояния железо-цементит, укажите температуру нормализации стали 45 и стали У12. Опишите превращения, происходящие в сталях при выбранном режиме обработки, получаемую структуру и свойства.
5. Изложите сущность процесса передела чугуна в сталь. Приведите основные химические реакции, характеризующие процесс передела. Перечислите современные плавильные печи и агрегаты, в которых получают сталь.
6. По эскизу детали (рис.9) разработайте эскизы: элементов литейной формы, модели стержневого ящика, собранной литейной формы (в разрезе). Опишите последовательность изготовления литейной формы методом ручной формовки. Материал детали – чугун СЧ20.
7. Укажите причины возникновения трещин в отливках. Перечислите виды трещин. Меры их предупреждения и коробления отливок.

8. Изобразите схему и опишите сущность процесса полуавтоматической сварки в среде углекислого газа. Укажите особенности и достоинства сварки в углекислом газе. Разработайте процесс сварки двутавровой балки (рис.37) из стали марки Ст3.Шов прерывистый: l/t=100/200. Укажите тип соединения, форму разделки кромок под сварку (по ГОСТу) и приведите эскиз сечения шва с указанием размеров. Выберите марку и диаметр электродной проволоки, подберите режим сварки. Укажите вылет электрода, род тока и полярность. По размерам шва подсчитайте массу наплавленного металла. Определите расход электродной проволоки с учетом потерь, расход электроэнергии и время сварки изделия. Укажите методы контроля качества сварного шва.

Вариант 14
1. В результате термической обработки пружины должны получить высокую упругость. Для изготовления их выбрана сталь 63С2А:
а) расшифруйте состав и определите, к какой группе относится данная сталь по назначению;
б) назначьте режим термической обработки, приведите подробное его обоснование, объяснив влияние легирования на превращения, происходящие на всех этапах термической обработки данной стали;
в) опишите микроструктуру и свойства стали после термической обработки.
2. Для обшивки скоростных самолетов применяются сплавы на основе титана:
а) обоснуйте причины применения этих сплавов взамен алюминиевых;
б) приведите примеры титановых сплавов и сравните их механические характеристики с характеристиками алюминиевых сплавов при температуре 200-500°С.
3. Опишите термо- и реактопласты. В чем их различие по структуре и свойствам.
4. Режущий инструмент из стали У10 был перегрет при закалке. Чем вреден перегрев и как можно исправить этот дефект? Сделайте исправление структуры и назначьте режим термической обработки, обеспечивающей нормальную работу инструмента. Опишите его структуру и свойства.
5. Приведите схему кислородного конвертера и изложите принцип его работы. Опишите особенности процесса плавки стали, укажите основные достоинства и недостатки выплавки стали в конверторах.
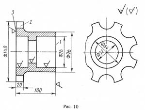
6. По эскизу детали (рис.10) разработайте эскизы элементов литейной формы, модельных плит, стержневого ящика и собранной литейной формы (в разрезе). Опишите последовательность изготовления формы одним из методов машинной формовки. Материал детали - чугун СЧ20.
7. Изложите технологическую последовательность изготовления отливок по выплавляемым моделям. Отметьте, какие технологические особенности процесса обеспечивают высокую точность размеров и высокий класс шероховатости поверхностей отливок.

8. Изобразите схему автоматической сварки в среде аргона плавящимся электродом и опишите сущность процесса. Укажите особенности и достоинства сварки в среде инертных газов. Разработайте процесс сварки сосуда (рис.38) из стали12Х18Н10Т. Укажите тип соединения, форму разделки кромок под сварку (по ГОСТу) и приведите эскиз сечения шва с указанием размеров. Выберите марку и диаметр электродной проволоки, подберите режим сварки. Укажите вылет электрода, род тока и полярность. По размерам шва подсчитайте массу наплавленного металла. Определите расход электродной проволоки с учетом потерь, расход электроэнергии и время сварки изделия. Укажите методы контроля качества сварного шва.

Вариант 15
1. В результате термической обработки полуоси должны получить повышенную прочность по всему сечению (твердость НВ230—280). Для изготовления их выбрана сталь ЗОХГС:
а) расшифруйте состав и определите группу стали по назначению;
б) назначьте режим термической обработки, приведите подробное его обоснование, объяснив влияние легирования на превращения, происходящие на всех этапах термической обработки данной стали:
в) опишите структуру и свойства стали после термической обработки.
2. Для изготовления ряда деталей самолета выбран сплав В96:
а) расшифруйте состав сплава, опишите способ упрочнения этого сплава и объясните природу упрочнения;
б) укажите характеристики механических свойств сплава и сопоставьте их со свойствами сплава Д16.
3. Полиметилметакрилат (органическое стекло). Укажите состав, характерные свойства, способ переработки и область его применения.
4. Используя диаграмму состояния железо-цементит и график зависимости твердости от температуры отпуска, назначьте режим термической обработки (температуру закалки, охлаждающую среду и температуру отпуска) различных приспособлений из стали 45, которые должны иметь твердость 28...30 HRC. Опишите превращения, происходящие на всех этапах термической обработки, получаемую структуру.
5. Опишите способы внепечной обработки стали для повышения ее качества. Отметьте факторы, способствующие улучшению качества стали в каждом способе.
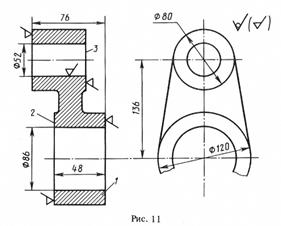
6. По эскизу детали (рис.11) разработайте эскизы элементов литейной формы, модели стержневого ящика, собранной литейной формы (в разрезе). Опишите последовательность изготовления литейной формы методом ручной формовки. Материал детали – чугун СЧ20.
7. Изложите сущность способа литья в оболочковые формы и приведите поясняющие эскизы. Укажите достоинства, недостатки и области применения этого способа литья.

8. Изобразите схему и опишите сущность процесса автоматической сварки в среде углекислого газа. Укажите особенности и достоинства сварки в углекислом газе. Разработайте процесс сварки коробчатой балки (рис.39) из стали марки Ст3. Укажите тип соединения, форму разделки кромок под сварку (по ГОСТу) и приведите эскиз сечения шва с указанием размеров. Выберите марку и диаметр электродной проволоки, подберите режим сварки. Укажите вылет электрода, род тока и полярность. По размерам шва подсчитайте массу наплавленного металла. Определите расход электродной проволоки с учетом потерь, расход электроэнергии и время сварки изделия. Укажите методы контроля качества сварного шва.

Вариант 16
1. Для изготовления пресс-форм выбрана сталь ЗХ2В8:
а) расшифруйте состав и определите группу стали по назначению:
б) назначьте режим термической обработки, приведите подробное его обоснование, объяснив влияние легирования на превращения, происходящие на всех этапах термической обработки данной стали;
в) опишите структуру и свойства стали после термической обработки.
2. Назначьте марку латуни, коррозионно-устойчивой в морской воде:
а) расшифруйте ее состав и опишите структуру, используя диаграмму состояния медь - цинк;
б) укажите способ упрочнения латуни и основные свойства.
3. Пленочные материалы, их разновидности, свойства и область применения в машиностроении.
4. Вычертите диаграмму состояния железо - карбид железа, укажите структурные составляющие во всех областях диаграммы, опишите превращения и постройте кривую охлаждения (с применением правила фаз) для сплава, содержащего 1,9% С. Какова структура этого сплава при комнатной температуре и как такой сплав называется?
5. Опишите способы вторичного переплава слитков, повышающие их качество. Отметьте факторы, способствующие повышению качества слитков в каждом способе.
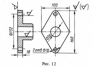
6. По эскизу детали (рис.12) разработайте эскизы элементов литейной формы, модели стержневого ящика, собранной литейной формы (в разрезе). Опишите последовательность изготовления литейной формы методом ручной формовки. Материал детали – чугун СЧ20.
7. Изложите сущность литья в кокили, приведите эскизы, поясняющие конструкцию кокилей. Отметьте технологические особенности этого способа литья, достоинства, недостатки и области его применения.

8. Изобразите схему и опишите сущность процесса контактной точечной электросварки. Начертите и опишите циклограмму процесса точечной сварки. Объясните, за счет чего металл ядра в месте контакта заготовок доводится до жидкопластичного состояния. Разработайте процесс сварки панели (рис.40) из стали марки Ст3. Шаг точек t=5dT. Производство массовое. Укажите подготовку заготовок под сварку. По толщине свариваемых заготовок выберите тип машины и укажите ее технические данные. Рассчитайте площадь контактной поверхности электрода. По значениям j (А/мм2) и p (мН/м2) определите сварочный ток и усилие, приложенное на электродах. Определите время сварки изделия. Укажите возможные дефекты и причины их возникновения.

Вариант 17
1. В результате термической обработки детали машин должны получить повышенную прочность по всему сечению (твердость НВ250—-280). Для их изготовления выбрана сталь 35Х2МА:
а) расшифруйте состав и определите группу стали по назначению;
б) назначьте режим термической обработки, приведите подробное его обоснование, объяснив влияние легирования на превращения, происходящие на всех этапах термической обработки данной стали;
в) опишите структуру и свойства стали после термической обработки.
2. Для изготовления калибров выбрана сталь 9Х18:
а) расшифруйте состав стали и определите, к какой группе относится данная сталь по назначению;
б) назначьте режим термической обработки, приведите подробнее его обоснование, объяснив влияние легирования на превращения, происходящие на всех этапах термической обработки данной стали;
в) опишите микроструктуру и главные свойства стали после термической обработки.
3. Для деталей арматуры выбрана бронза БрОФ10-1:
а) расшифруйте состав и опишите структуру сплава;
б) объясните назначение легирующих элементов;
в) приведите характеристики механических свойств сплава.
4. Вычертите диаграмму изотермического превращения аустенита для стали У8. Нанесите на нее кривую режима изотермической обработки, обеспечивающей получение твердости 25 HRC. Укажите, как этот режим называется, опишите сущность превращений, и какая структура получается в данном случае.
5. Приведите характеристику свойств титана и укажите области его применения. Опишите последовательность технологического процесса производства титана из ильменитовых руд магниетермическим способом.
6. По эскизу детали (рис.13) разработайте эскизы элементов литейной формы, модели стержневого ящика, собранной литейной формы (в разрезе). Опишите последовательность изготовления литейной формы методом ручной формовки. Материал детали – чугун СЧ20.
7. Изложите принципы конструирования технологичных литых деталей с учетом литейных свойств сплавов.

8. Изобразите схему и опишите сущность процесса контактной шовной (роликовой) сварки. Начертите и опишите циклограмму процесса шовной сварки. Объясните, за счет чего металл ядра в месте контакта заготовок доводится до жидкопластичного состояния. Разработайте процесс сварки бензобака (рис.41) из стали марки Ст3. Производство массовое. Укажите подготовку заготовок под сварку. По толщине свариваемых заготовок выберите тип машины и укажите ее технические данные. Рассчитайте площадь контактной поверхности электрода(для случая отсутствия вращения ролика). По значениям j (А/мм2) и p (мН/м2) определите сварочный ток и усилие, приложенное на роликах, время сварки изделия. Укажите возможные дефекты и причины их возникновения.

Вариант 18
1. Назначьте режим термической обработки (температуру закалки, охлаждающую среду и температуру отпуска) зубил из стали У8.
Опишите структуру и твердость инструмента после термической обработки.
2. Каким способом можно восстановить пластичность холоднокатаного алюминиевого прутка? Назначьте режим термической обработки и опишите физическую сущность происходящих процессов.
3. Для изготовления деталей в авиастроении применяется сплав MЛ4:
а) расшифруйте состав сплава;
б) укажите способ изготовления деталей из данного сплава;
в) опишите характеристики механических свойств этого сплава.
4. С помощью диаграммы состояния железо - карбид железа и графика зависимости твердости от температуры отпуска назначьте режим термической обработки (температуру закалки, охлаждающую среду и температуру отпуска) изделий из стали 50, которые должны иметь твердость 230...250 НВ. Опишите микроструктуру и свойства стали 50 после термической обработки.
5. Приведите характеристику свойств меди и укажите области ее применения. Опишите последовательность технологического процесса производства меди пирометаллургическим способом.
6. По эскизу детали (рис.14) разработайте эскизы элементов литейной формы, модели стержневого ящика, собранной литейной формы (в разрезе). Опишите последовательность изготовления литейной формы методом ручной формовки. Материал детали – сталь 45 Л.
7. Изложите вопросы автоматизации и механизации изготовления литейных форм. Приведите схему автоматической формовочной линии и опишите ее работу.

8. Изобразите схему и опишите сущность процесса контактной стыковой сварки сопротивлением. Начертите и опишите циклограмму процесса стыковой сварки сопротивлением. Объясните, почему в месте контакта заготовок выделяется наибольшая тепловая энергия. Разработайте процесс сварки стержней (рис.42) из стали марки Ст3. Производство крупносерийное. Укажите подготовку заготовок под сварку. По площади сечения заготовок выберите тип машины и укажите ее технические данные. Рассчитайте площадь контактной поверхности электрода(для случая отсутствия вращения ролика). По значениям j (А/мм2) и p (мН/м2) определите ток и усилие осадки. Укажите возможные дефекты и причины их возникновения.

Вариант 19
1. В результате термической обработки оправки должны получить повышенную прочность но всему сечению (твердость НВ250—280). Для изготовления их выбрана сталь 40ХФА:
а) расшифруйте состав и определите, к какой группе относится данная сталь по назначению;
б) назначьте режим термической обработки, приведите подробное его обоснование, объяснив влияние легирования на превращения, происходящие на всех этапах термической обработки этой стали;
в) опишите структуру и свойства стали после термической обработки.
2. Для изготовления вакуумной аппаратуры и достижения плотных контактов между металлом и стеклом используется сплав платинит Н48:
а) расшифруйте состав и определите, к какой группе относится данный сплав по назначению;
б) опишите влияние легирующих элементов на основную характеристику сплава и причины выбора данного состава сплава в связи с аномалией изменения термического коэффициента расширения.
3. Текстолиты. Влияние хлопчатобумажной, стеклянной и асбестовой тканей на свойства пластмасс. Укажите область применения текстолитов в машиностроении.
4. С помощью диаграммы состояния железо - цементит определите температуру нормализации, отжига и закалки для стали У10. Охарактеризуйте эти виды термической обработки и опишите структуру и свойства стали после каждого режима обработки.
5. Приведите характеристику свойств алюминия и укажите области его применения. Опишите последовательность технологического процесса производства глинозема и электролитического получения алюминия.
6. По эскизу детали (рис.15) разработайте эскизы элементов литейной формы, модельных плит, стержневого ящика, собранной литейной формы (в разрезе). Опишите последовательность изготовления формы одним из методом машинной формовки. Материал детали – чугун СЧ20.
7. Опишите микроструктуру и свойства отливок из высокопрочного чугуна. Приведите примеры маркировки высокопрочного чугуна по Государственному стандарту. Изложите технологические особенности получения отливок из высокопрочного чугуна и укажите области их применения.

8. Изобразите схему и опишите сущность процесса контактной стыковой сварки оплавлением. Начертите и опишите циклограмму процесса стыковой сварки оплавлением. Объясните, за счет чего происходит процесс сварки труб (рис. 43) из стали марки Ст3. Производство массовое. Укажите подготовку заготовок под сварку. По площади сечения свариваемых заготовок выберите тип машины и укажите ее технические данные. По значениям j (А/мм2) и p (мН/м2) определите ток и усилие осадки. Определите установочную длину с учетом припуска на оплавление, осадку и время сварки изделия. Укажите возможные дефекты и причины их возникновения.

Вариант 20
1. Кулачки должны иметь минимальную деформацию и высокую износоустойчивость (твердость поверхностного слоя HV750—1000). Дли их изготовления выбрана сталь 35ХМФА:
а) расшифруйте состав стали и определите, к какой группе относится данная сталь но назначению;
б) назначьте режим термической и химико-термической обработки, приведите подробное его обоснование, объяснив влияние легирования на превращения, происходящие на всех этапах обработки данной стали;
в) опишите микроструктуру и свойства стали после термической обработки.
2. Для изготовления постоянных магнитов сечением 50X50 мм выбран сплав EX9KI5;
а) расшифруйте состав и укажите, к какой группе относит ся этот сплав но назначению;
б) назначьте режим термической обработки и опишите структуру и свойства сплава после обработки;
в) укажите, почему в данном случае нельзя применять сталь У12.
3. Стекловолокнит СВАМ. Опишите его свойства, его способ получения, способ изготовления деталей и области применения.
4. Используя диаграмму состояния железо-карбид железа и кривую изменения твердости в -зависимости от температуры отпуска, назначьте для углеродистой стали 45 режим термической обработки, необходимый для обеспечения твердости 550 ИВ. Опишите превращения на всех этапах термической обработки и получаемую после обработки структуру.
5. Приведите характеристику свойств магния и области его применения. Опишите последовательность технологического процесса производства магния из карналлита.
6. По эскизу детали (рис.16) разработайте эскизы элементов литейной формы, модельных плит, стержневого ящика и собранной литейной формы (в разрезе). Опишите последовательность изготовления формы одним из методом машинной формовки. Материал детали – сталь 35Л.
7. Опишите микроструктуру и свойства отливок из ковкого чугуна. Приведите примеры маркировки ковкого чугуна по Государственному стандарту. Изложите технологические особенности получения отливок из ковкого чугуна и укажите области их применения.

8. Изобразите схему и опишите сущность процесса автоматической сварки под слоем флюса. Укажите назначение флюса и флюсовой подушки. Разработайте процесс односторонней сварки плиты из стали марки Ст3 (рис.36). Производство крупносерийное. Укажите тип соединения, форму разделки кромок под сварку (по ГОСТу) и приведите эскиз сечения шва с указанием размеров. Выберите марку и диаметр электродной проволоки и флюса, подберите режим сварки. По размерам шва подсчитайте массу наплавленного металла. Определите расход электродной проволоки и флюса с учетом потерь, расход электроэнергии и время сварки изделия. Укажите методы контроля качества сварного шва.

Вариант 21
1. Для изготовления разверток выбрана сталь ХГ:
а) расшифруйте состав и определите, к какой группе относится данная сталь по назначению;
б) назначьте режим термической обработки, приведите подробное его обоснование, объяснив влияние легирования на всех этапах термической обработки данной стали;
в) опишите микроструктуру и свойства стали после термической обработки.
2. Назначьте марку латуни, коррозионно-устойчивой в морской воде:
а) расшифруйте ее состав и опишите структуру, используя диаграмму состояния медь - цинк;
б) укажите способ упрочнения латуни и основные свойства.
3. Фенолформальдегидные слоистые пластики (полиэтилен и винипласт). Их свойства и область применения в машиностроении.
4. Вычертите диаграмму состояния железо - карбид железа, укажите структурные составляющие во всех областях диаграммы, опишите превращения и постройте кривую охлаждения (с применением правила фаз) для сплава, содержащего 0,8% С. Какова структура этого сплава при комнатной температуре и как такой сплав называется?
5. Приведите краткую характеристику современного металлургического производства. Опишите его структуру, основные виды продукции и перспективы развития.
6. По эскизу детали (рис.7) разработайте эскизы: элементов литейной формы, модели стержневого ящика, собранной литейной формы (в разрезе). Опишите последовательность изготовления литейной формы. Материал детали – сталь 35Л.
7. Перечислите основные литейные свойства сплавов. Приведите краткую характеристику жидкотекучести сплавов, укажите факторы, влияющие на жидкотекучесть.

8. Изобразите схему и опишите сущность процесса ручной электродуговой сварки толстопокрытыми электродами. Укажите назначение покрытия. Разработайте процесс сварки цилиндрической части резервуара из стали марки Ст3 (рис.35). Производство мелкосерийное. Укажите тип соединения, форму разделки кромок под сварку (по ГОСТу) и приведите эскиз сечения шва с указанием размеров. Подберите марку и диаметр электрода, определите режим сварки. По размерам шва подсчитайте массу наплавленного металла. Определите расход электродов с учетом потерь, расход электроэнергии и время сварки изделия. Укажите методы контроля качества сварного шва.
Дата добавления: 2015-08-01; просмотров: 1080;
