Управління фільтрувальними відділами
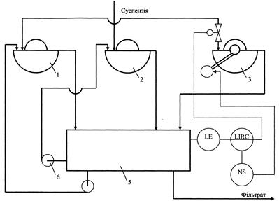
Фільтрацію великих кількостей суспензії проводять не на окремих фільтрах, а в фільтрувальних відділах. Можливі дві схеми роботи фільтрувальних відділів: без переливу і з переливом суспензії із ванн фільтрів (рис. 9.12). У першому випадку управління робочими фільтрами здійснюється звичайним методом – регулюванням рівнів шляхом зміни витрати суспензії. Рівень же в напірній ємності регулюється зміною подачі суспензії в резервний фільтр. Одночасно регулятор рівня резервного фільтра подає сигнал на зміну швидкості обертання барабану. Зокрема, при переповненні ванни резервного фільтру швидкість обертання збільшується.
а

б
Рис. 9.12 Схеми управління фільтрувальними відділами при роботі без переливу (а) та з переливом (б)
У випадку роботи відділення в режимі з переливом рівень в робочих фільтрах підтримується на оптимальному значенні завдяки вільному зливу, а в резервному – аналогічно попередньому варіанту.
Дата добавления: 2015-07-30; просмотров: 856;
