ДИФЕРЕНЦІЙНІ СТРУМОВІ ЗАХИСТИ
8.1. Призначення та принцип дії диференційних захистів ЛЕП
Диференційні струмові захисти - це захисти з абсолютною селективністю (реагують на пошкодження тільки тієї лінії електропересилання, для захисту якої вони призначені), принцип роботи яких базується на порівнянні струмів початку та кінця лінії, яка захищається.
Розрізняють поздовжні та поперечні диференційні захисти ЛЕП.
Диференційні захисти можна виконувати з циркуляційними струмами та зі зрівноваженими напругами. У нас застосовується переважно перший принцип виконання захисту - з циркуляцією струмів.
Оскільки диференційний захист мае абсолютну селективність, його можна виконати без витримки часу.
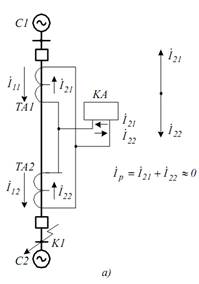
Розглянемо принцип роботи поздовжнього диференційного захисту лінії (рис. 8.1). Для виконання захисту лінії на початку та в кінці лінії встановлюють трансформатори струму ТА1 та ТА2, які утворюють плечі захисту. На різницю струмів вторинних обмоток трансформаторів струму вмикається вимірний орган захисту - максимальне струмове реле КА.
Ділянка лінії, яка знаходитъся між трансформаторами струму, є зоною дії захисту.
Під час к.з. поза зоною дії захисту (точка KА, рис. 8.1, а) при прийнятому додатному напрямі струмів, струм у реле дорівнює векторній сумі струмів. Струм від першого трансформатора Іі буде замикатись через обмотку реле КА, від другого трансформатора струму буде теж протікати через обмотку реле, але в протилежному напрямку. Внаслідок цього в ідеальному випадку за відсутності похибок трансформаторів струму струм у реле дорівнює нулю Iр=0. Вторинні струми трансформаторів струму не будуть замикатись по шляху
ТА1-ТА2, оскільки внутрішній опір реле набагато менший від опору трансформатора струму, тому що трансформатори струму працюють в режимі джерел струму. Під час к.з. в зоні дії захисту (рис. 8.1, б) струми від вторинних обмоток трансформаторів струму будуть протікати в обмотці реле в протилежному напрямку і результуючий струм буде відмінний від нуля Iр= I1 +I2≠0, що ілюструється векторною діаграмою. Реле в цьому випадку буде спрацьовувати.
Рис. 8.1. Принцип роботи поздовжнього диференційного захисту 8.2.
Вибір струму спрацювання поздовжньогодиференційного захисту ЛЕП
Під час к.з. поза зоною дії захисту, як було показано в 8.1, струм в реле відсутній. Але насправді за рахунок похибок трансформаторів струму їх вторинні струми, незважаючи на рівність первинних струмів, відрізняються як по модулю, так і по фазі. Внаслідок цього навіть під час зовнішнього к.з. в обмотці реле буде циркулювати струм, який називається струмом небалансу Iнб .
Для того, щоб диференційний захист не спрацьовував під час к.з. поза зоною дії захисту, необхідно вибрати такий струм спрацювання вимірного органа захисту – реле КА, щоб воно не спрацьовувало під час протікання через його обмотку струму небалансу Iнб .
Зі схеми заміщення ТА видно, що вторинні струми трансформаторів струму, які утворюють плечі диференційного захисту визначаються як
Отже, струм небалансу визначається струмами намагнічення трансформаторів струму, які для двох трансформаторів струму, які утворюють плечі захисту, є неоднаковими (рис. 8.2).
Струм намагнечення суттєво збільшується в перехідних процесах, коли аперіодична складова струму зовнішнього к.з. майже повністю замикається через вітку намагнечення трансформатора струму. Магнетопровід трансформатора струму при цьому насичується, трансформація періодичної складової погіршується і, як наслідок, струм небалансу збільшується.
Крім аперіодичної складової суттєвий вплив на величину струму небалансу має залишкова індукція магнетопроводу. Під час збігу залишкової індукції магнетопроводу з індукцією, яка виникає від аперіодичної складової струму, струм небалансу різко зростає.

Рис. 8.2. Струм небалансу поздовжнього диференційного захисту
Отже, для запобігання хибної роботы поздовжнъого диференційного захисту струм спрацювання його вимірного органа необхідно вибирати з умов відлагодження від максимального струму небалансу, який виникає в перехідному процесі під час зовнішніх к.з.

де keiд>- коефіцієнт відлагодження, дорівнює 1,3; ε- похибка трансформатора струму, ε =10 %; kan- коефіцієнт, який враховує вплив аперіодичної складової в струмі зовнішнього к.з., намагнечення), к0дн - коефіцієнт однотипности, враховує тип трансформаторів струму, які утворюють плечі захисту, для однотипних ТА кодн =0,5, для різнотипних - кодн=1; кТА- коефіцієнт трансформації трансформатора струму; Ік3зовнмакс- максимальний струм зовніш-нього трифазного к.з.
8.3. Чутливість поздовжнього диференційного захисту
Чутливість поздовжнього диференційного захисту визначається під час двофазного к.з. у зоні захисту в мінімальному режимі. Розрахунковим, як правило, є випадок одностороннього живлення к.з., коли струм протікає тільки через одне плече захисту (через одну групу трансформаторів струму). Чутливість оцінюється коефіцієнтом чутливості

де: I(2)р.к.з.мін струм в обмотці реле, який протікаєь від одного плеча захисту (на рис. 8.1
точка К1, розглядається режим живлення від системи 1 або від системи 2, вибирається менше значення); Iс.р – струм спрацювання захисту, визначений за виразом (8.3).
Як правило чутливість захисту є недостатньою під час застосування вимірним органом струмового реле серії РТ-40. Існують кілька способів підвищення чутливості поздовжнього диференційного захисту.
Основними з них є такі:
• внесения сповільнення в роботу захисту. Це дає можливість відлагодити роботу захисту від впливу аперіодичної складової, але при цьому втрачається основна перевага диференційного захисту - швидкодія. Тому такий спосіб не набув застосування на практиці;
• ввімкнення вимірного органа захисту через проміжний швидконасичувалъний трансформатор струму. Цей спосіб дозволяє відлагодити роботу захисту від впливу аперіодичної складової. Застосовуються спеціальні реле з проміжними швидконасичуваними трансформаторами типу РНТ;
використання в диференційному захисті реле з гальмуванням. Струми небалансу, які протікають у вимірному органі захисту, можуть бути зумовлені не тільки аперіодичною складовою, але і періодичною складовою під час зовнішнього к.з. Для відлагодження від впливу періодичної складової під час зовнішнього к.з. застосовується реле серії ДЗТ.
Дата добавления: 2015-07-24; просмотров: 1271;
