ДИСТАНЦІЙНІ ЗАХИСТИ ЛЕП
9.1. Призначення, принцип роботи дистанційного захисту
Як було вказано у попередніх розділах, чутливість та селективність струмових захистів у деяких випадках не забезпечується. Так, зона дії струмової відсічки залежить від режиму енергосистеми і в мінімальних режимах її чутливість не завжди може бути достатньою. МСЗ не завжди задовольняє вимоги чутливості та селективності, особливо під час виконання функції дальнього резервування, крім того, МСЗ може мати недопустимо велику витримку часу. А в мережах складної конфігурації застосування струмових захистів взагалі недопустимо, оскільки вони не можуть задовольнити вимоги селективності та чутливості, особливо в мережах класу напруг 110 кВ і вище. Тому для захисту таких мереж застосовують спеціальні захисти – дистанційні захисти.
Дистанційний захист – це захист із відносною селективністю, вимірний орган якого реагує на відношення комплексу напруги до струму, величина якого не залежить від режиму роботи енергосистеми.
Відношення комплексу напруги до комплексу струму називається опором Z р на
затискачах вимірювального органа, яким застосовується, як правило, орган мінімального опору. Реле мінімального опору вимірює опір від місця встановлення захисту до місця к.з., тобто воно реагує на відстань, на дистанцію від місця встановлення захисту до точки к.з. Звідси і назва – дистанційний захист.
Дистанційний захист, як і струмовий, виконується переважно триступінчастим з відносною селективністю.
Параметрами кожного ступеня є довжина ділянки лінії, яка охоплюється цим ступенем та час спрацювання.
На рис 9.1 показані залежності витримок часу кожного ступеня від довжини лінії, яка захищається. Під час к.з. в першій зоні захист діє без витримки часу (із власним часом
спрацювання захисту tI ). Другий ступінь призначений для захисту кінця першої лінії (друга
зона) і діє з витримкою часу t1II . Вона охоплює першу лінію та початок другої. Третій ступінь
резервує дію перших двох ступенів і діє з витримкою часу t1III . Він охоплює першу та другу лінії.

Рис. 9.1. Ступінчасті характеристики витримок часу дистанційних захистів
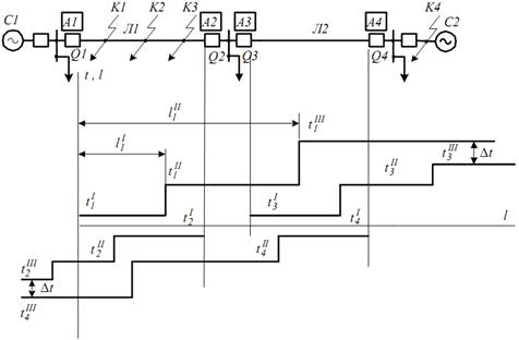
Розглянемо роботу дистанційних захистів на прикладі мережі з двостороннім живленням (рис. 9.2).
Рис. 9.2. Дія дистанційного захисту в мережі
Попередньо приймемо всі захисти спрямованими, тобто вони спрацьовують лише під час спрямування потужності від шин у лінію.
Триступеневий захист А1 охоплює повністю лінію Л1 – перший ступінь діє без витримки
часу під час к.з. на ділянці лінії l1I . Другий ступінь охоплює повністю першу лінію та початок другої, тобто вона резервує дію першого ступеня під час к.з. на ділянці l1II та є основною під час к.з. в кінці лінії, але діє з витримкою часу t1II . Крім того другий ступінь резервує дію першого ступеня захисту А1 під час к.з. на початку лінії Л1. Третій ступінь резервує роботу
перших та других ступенів дистанційного захисту та діє з витримкою часу t1III .
Під час к.з. на початку лінії Л1 (точка К1) діє перший ступінь захисту А1 та другий ступінь захисту А2 (А1 вимикає пошкодження без витримки часу,
А2 – з витримкою часу t2 ). Під час к.з. посередині лінії Л1 (точка К2) працюють перші ступені
захистів А1 та А2 і без витримки часу вимикають пошкоджений елемент. Під час к.з. в кінці першої лінії (точка К3) спрацьовує другий ступінь захисту А1 та перший ступінь захисту А2. При цьому будуть запускатись і вимірні органи другого та третього ступенів захисту А4 та третій ступінь захисту А1, але останні будуть спрацьовувати з витримками часу при неспрацюванні основних захистів. При цьому третій ступінь захисту А1 виконує роль ближнього резервування, а другий та третій ступені захисту А4 – роль дальнього резервування (спрацьовує при неспрацюванні другого ступеня захисту А2 або неспрацюванні вимикача Q2. Захист А3 спрацьовувати не буде, оскільки під час к.з. на лінії Л1 потужність для спрямованих вимірних органів цього захисту буде протікати від лінії до шин.
Час спрацювання третіх ступенів вибирається за зустрічно-ступінчастим принципом. Так, третій ступінь захисту А1 узгоджується з третім ступенем захисту А3
а третій ступінь захисту А4 узгоджується з третім ступенем захисту А2:
Це необхідно для того, щоб під час к.з., наприклад, в точці К4 і відмові другого ступеня захисту A3, третій ступінь захисту A3 подіяв і вимкнув вимикач Q3 раніше, ніж третій ступінь захисту А1. У такому випадку кількість неселективно вимкнених елементів буде меншою.
Проте в кільцевій мережі неможливо узгодити між собою за часом треті ступені захистів. Так, для забезпечення селективної роботи третіх ступенів дистанційних захистів А1, A3, А5 (у цій групі захистів узгоджуються часи спрацювання третіх ступенів, оскільки в них
органи спрямування потужності однаково орієнтовані) для мережі рис. 9.3

Як видно, ці умови взаємовиключні.
Рис. 9.3. Кільцева мережа з багатостороннім живленням
Рис. 9.4. Характеристики витримок часу чотириступеневого
дистанційного захисту
У такому випадку час спрацювання третіх ступенів всіх захистів у кільцевій мережі приймається однаковим, але при цьому зменшуються зони дії третіх ступенів (аналогічно других ступенів захистів попередніх елементів). При цьому через обмеження областей дії третіх ступенів вводяться четверті ступені. Це ілюструється на рис. 9.4.
Ми розглядали захисти з ступінчастими характеристиками витримок часу. При цьому час спрацювання кожного ступеня не залежить від віддаленості до місця к.з. .
Використовуються також дистанційні захисти з залежними характеристиками витримок часу, в яких час спрацювання залежить від віддаленості до місця к.з. (рис. 9.5.)
Рис. 9.5. Залежна характеристика витримок часу
Застосовуються також захисти з комбінованими характеристиками витримок часу (рис. 9.6).
Таку характеристику має серійний захист КРЗА-С, який застосовується для захисту ліній до 10 кВ.
Суттєвою перевагою дистанційних захистів є чітко фіксована зона дії першого ступеня, вона охоплює до 85–90 % лінії і не залежить від режиму системи, вища чутливість порівняно з струмовими захистами другого та третього ступенів.
Дата добавления: 2015-07-24; просмотров: 1006;
