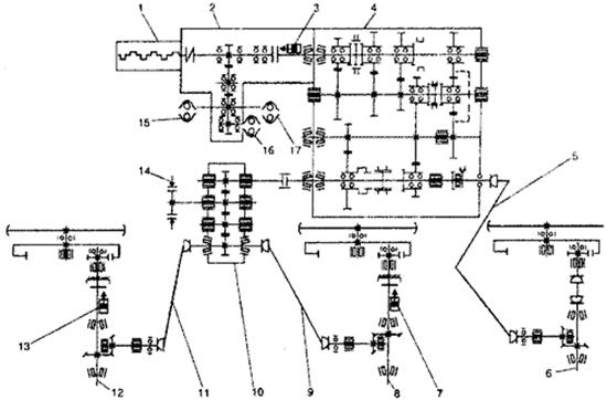
Кинематическая схема автогрейдера

Рис. 1.2 Кинематическая схема автогрейдера
1- двигатель; 2- редуктор привода насосов; 3- сцепление; 4- коробка передач; 5,9,11- карданные валы; 6- передний мост; 7,13- колесные (рабочие) тормоза; 8- средний мост; 10- раздаточный редуктор; 12- задний мост; 14- стояночный тормоз; 15- насос гидросистемы рабочего оборудования; 16- насос смазки блока трансмиссии; 17- насос рулевого управления
Эксплуатационная производительность автогрейдера (м3/ч) при резании и перемещении грунта:
Пэ = 3600 ∙ B ∙ L ∙ h ∙ Kв (tP + tn)n, (м3/ч)
Где: В — ширина захвата отвала, м; L — длина участка, м; h — толщина срезаемой стружки; Кв — коэффициент использования машины по времени; tp — время, затрачиваемое на один проход, с; tn — то же, на один поворот; п — число проходов по одному участку.
Дата добавления: 2015-07-24; просмотров: 1471;
