Измерительные трансформаторы
Измерительные трансформаторы служат для включения в электрическую цепь электроизмерительных приборов, расширения пределов измерения измерительных приборов и повышения безопасности обслуживающего персонала.
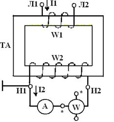
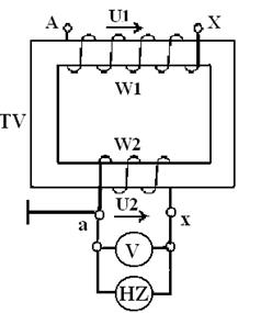
Измерительные трансформаторы делятся на трансформаторы тока (рис.4.6) и трансформаторы напряжения (рис.4.7).
Трансформаторы тока и напряжения состоят из магнитных сердечников, на которые устанавливаются катушки с разным количеством витков. Первичная катушка трансформатора тока имеет обмотку с небольшим количеством витков толстого провода либо пластинчатой меди, вторичная обмотка трансформатора тока имеет большое количество витков. В трансформаторах напряжения количество витков первичной обмотки больше количества витков вторичной обмотки.

Рис.4.6. Трансформатор тока

Рис.4.7. Трансформатор напряжения
Для действующих значений токов и напряжений коэффициенты трансформации трансформаторов тока и напряжения определяют по формулам:
Ктр =
; Ктр =
. (4.11)
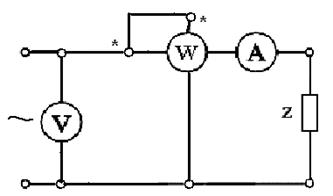
Непосредственное включение измерительных приборов в однофазную и трёхфазную цепи без измерительных трансформаторов показано на рис.4.9 и рис.4.10.

Рис.4.9. Схема включения измерительных приборов в однофазную сеть

| |
| |
Включение измерительных приборов в однофазную и трёхфазную цепи через трансформаторы тока и напряжения показаны на рис.4.11 и рис.4.12.

Рис.4.11. Схема включения измерительных приборов в однофазную сеть через трансформаторы тока и напряжения
Рис.4.12. Схема включения измерительных приборов в трёхфазную сеть через трансформаторы тока и напряжения
Измерительные приборы, работающие с измерительными трансформаторами, градуируют в единицах первичных величин. На шкалах приборов делают надпись: «С трансформаторами тока I1H/I2H» или «С трансформаторами напряжения U1H/U2H». Обычно I2H = 5А, U2H = 100В. Номинальные параметры I1H, I2H, U1H, U2H указываются на измерительных трансформаторах. У трансформаторов тока вторичная обмотка И1, И2 должна быть замкнута через измерительные приборы. Если разомкнуть вторичную обмотку трансформатора тока, то при этом увеличится магнитный поток в магнитнопроводе, возбужденный током первичной обмотки, при этом будет увеличиваться ЭДС во вторичной обмотке, что приведет к пробою изоляции этой обмотки и выходу из строя трансформатора тока. Поэтому, при ремонте (отключении измерительных приборов) необходимо вторичную обмотку трансформатора тока замкнуть накоротко.
Дата добавления: 2015-07-24; просмотров: 1103;
