Лекция 8. 4.3. Трёхфазные трансформаторы
4.3. Трёхфазные трансформаторы
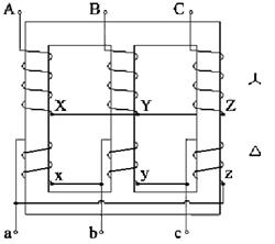
Конструкция трёхфазного трансформатора имеет трёхфазный магнитопровод, состоящий из листов электротехнической стали. На каждый стержень магнитопровода надевают изолированные цилиндры, на которые намотаны обмотки высшего и низшего напряжений, соединённых звездой или треугольником. На рис.4.4 показана схема трехфазного трансформатора, в котором фазы первичной обмотки соединены звездой, а вторичной обмотки - треугольником.
Принцип действия трёхфазного трансформатора аналогичен работе однофазного трансформатора. Так, в режиме холостого хода, при подаче на трёхфазную первичную обмотку линейных напряжений в фазах трансформатора появляются фазные напряжения. Фазные токи возбуждают в фазах переменные магнитные потоки, которые индуктируют мгновенные ЭДС в фазах первичной и вторичной обмоток трансформатора, направленных встречно.
При соединении звездой фаз первичной обмотки трансформатора соотношения между фазными и линейными напряжениями и токами выразятся
;
. При соединении треугольником фаз вторичной обмотки трансформатора эти соотношения имеют вид
=
;
.
Обмотки трёхфазных трансформаторов могут соединяться:
/
(
/
) ; / (
/
) ;
/ (
/
) ; /
(
/
).
На рис.4.5 приведены обозначения таких схем.

Рис.4.4. Схема трёхфазного трансформатора

Рис.4.5. Схемы обозначения трёхфазных трансформаторов
Коэффициент трансформации трёхфазного трансформатора ктр можно определить с учётом введения понятия коэффициента трансформации эксплуатационного кэ.
Так, при соединениях
/
и / Кэ = Ктр =
;
при соединении /
Кэ =
Ктр; при соединении
/ Кэ =
.
Активная, реактивная и полная мощности трёхфазного трансформатора определяются по формулам:
P =
=
, (4.8)
Q =
=
, (4.9)
S =
. (4.10) В мощных силовых трансформаторах применяется радиаторная система масляного охлаждения.
Маркировка трансформаторов производится буквами и числами.
Первая буква означает количество фаз: О – однофазные; Т – трёхфазные.
Вторая буква означает охлаждение: М – масляное; С – воздушное.
После буквенного шифра идут две цифры дробью, числитель - полная номинальная мощность (кВА), знаменатель - номинальное напряжение обмотки высшего напряжения (кВ). Например: ТС – 0,63/0,22 или TМ – 630/10.
На каждом трансформаторе имеется щиток, на котором указан тип трансформатора, сила линейного тока при номинальной мощности, частота сети, число фаз, схема и группа соединения обмоток.
Дата добавления: 2015-07-24; просмотров: 840;
