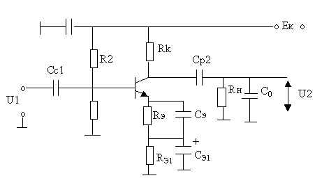
ВЧ-коррекция за счет частотно зависимой ООС

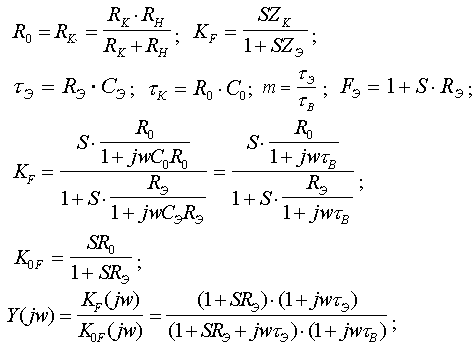
t Э = RэСэ;
Со=Свых+Сш+Сн;
Rэ1Сэ1 - цепь автоматического смещения;
RэСэ - цепь высокочастотной коррекции;
R1,R2 - делитель;
Rн - сопротивление по переменному току;
Rэ<<Rэ1;
Сэ<<Сэ1;
Rэ » (10-50)Ом
Сэ » (10-500)пФ

На ВЧ RН - уменьшается (wS>>wB), следовательно S не зависит от w, следовательно ZK - уменьшается, усиление - уменьшается. Это связано с шунтирующим действием С0.
Из формулы (*) коэффициента усиления с ОС видно, что глубина F=1+SZЭ, будет изменяться от частоты. Таким образом, с увеличением w, в числителе ZK - уменьшается, а в знаменателе уменьшается F (глубина ОС), тем самым обеспечивается постоянство коэффициента усиления в некоторой полосе частот. Выбирая соответствующим образом элементы коррекции, можно получить подъем ачх, а следовательно и уменьшить время установления (tУ).
Найдем аналитическое выражение ачх, ФЧХ и ПХ УК с корректируемой ООС.
RВЫХ >> RК; RВЫХ >> RH.

На НЧ RВЫХ >>RK; RВЫХ >>RH.

Используя принятые обозначения представим характеристику в виде:

Используя метод Брауде, найдем условие оптимальности ачх, ФЧХ, ПХ.
Условие оптимальной коррекции ачх:
Приравняв коэффициенты при одинаковых степенях XB=wt В, получим:
Следовательно полоса пропускания расширяется на глубину ОС.
Эти формулы хорошо работают, если RH>>RK. При работе промежуточных каскадов, эффективность уменьшается.
Последовательность расчета:
1) Определить FЭ;
2) Найти m;
3) Находят RЭ,СЭ (RЭ ~ 0,1RЭ1), где RЭ1 - сопротивление эмиттерной стабилизации.
ПХ:
коррекция с помощью ООС:
1) Достаточно эффективна если RH>RK, влияние RH ослаблено за счет параллельной емкостной связи;
2) коррекция с помощью RЭСЭ-цепи позволяет стабилизировать усиление
3) Позволяет использовать высоконадежные элементы (конденсаторы);
4) Наиболее эффективно обеспечивает разнополосые каскады.
Дата добавления: 2015-08-26; просмотров: 2353;
