Распределение электроэнергии на напряжении 0,4 кВ.
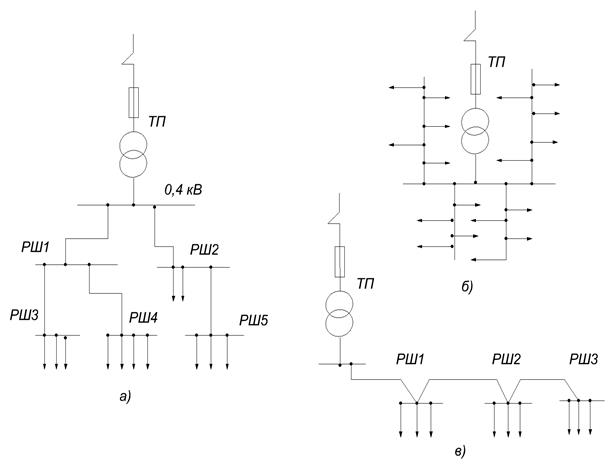
Распределение электроэнергии внутри цеха после получения её от цеховой ТП распределяется при напряжении до 1000 В. Цеховые сети систем трёхфазного тока напряжением до 1000 В выполняют по радиальной (рис. 4.3. а), магистральной (рис. 4.3.в) и комбинированным схемам. В чистом виде радиальная и магистральная схема применяется редко, в зависимости от характера производства, условий окружающей среды сети выполняются комбинированными. При сравнительно малых мощностях приёмников на некоторых участках цеха устанавливаются распределительные шкафы (РШ), которые питаются от одной линии.

Рис. 4.3 Схемы питания электроприёмников напряжением до 1000 В.
В настоящее время большое распространение получила схема блока трансформатор – магистраль (рис. 4.3 б), выполненная магистральным шинопроводом, к которому присоединены распределительные шинопроводы, а уже от них осуществляется питание потребителей.
Осветительные нагрузки цехов питаются отдельными линиями, обычно от щитков рабочего и аварийного освещения. Такая схема позволяет отключать силовую сеть для ремонтов не отключая освещения. При питании осветительной нагрузки совместно с силовой необходимо учитывать возможное ухудшение качества электроэнергии. Питание силовой и осветительной нагрузки от одного трансформатора удешевлявляет сеть. Однако при пуске двигателей в питающей сети происходят кратковременные явления снижения напряжения, что приводит к миганиям ламп. Одна из мер по уменьшению этого влияния – увеличение мощности питающего трансформатора. Но все мероприятия по улучшению качества электроэнергии при совместном питании должны быть экономически обоснованы.
Наружные сети напряжением до 1000 В применяются редко, так как распределение электроэнергии по цеху производится от внутрицеховых ТП. Внутренние сети могут выполняться кабелями, проводами или шинами. С появлением на рынке продукции для прокладки проводов, кабелей наиболее перспективным считают прокладка питающих линий в лотках и в канала, которые прикрепляются к стенам здания и в полу.
Вопросы для самопроверки.
1. Перечислить требования, предъявляемые к распределительным сетям на предприятии.
2. Какие существуют схемы питания промышленных предприятий? Приведите примеры.
3. Для чего секционируют системы шин?
4. Перечислить типы цеховых трансформаторных подстанций.
5. Указать особенности распределения электроэнергии внутри цеха на напряжении до 1000 В.
Дата добавления: 2015-08-26; просмотров: 1794;
