Активные фильтры
Принцип действия фильтров RC и
LC, по принципу действия являются пассивным
, т. е. предполагается, что для их функционирования не требуется усилительных активных элементов. Усиление производится отфильтрованного сигнала в другом блоке.
Развитие активных элементов и микросхем позволило использовать их как составную часть устройств фильтрации. Такие микросхемы получили название операционных усилителей (ОУ).
Основные особенности ОУ: высокий коэффициент усиления, минимальное смещение нуля и температурный дрейф; небольшая потребляемая мощность; небольшая стоимость. Например операционный усилитель К140УД7 имеет коэффициент усиления 50 000, входной ток менее 200 мкА, ЭДС смещения нуля менее 4 мВ, максимальное входное напряжение 11 В, ток потребление менее 2,8 мА, входное сопротивление более 0,4 МОм, частота среза 0,8 МГц, сопротивление нагрузки 1 кОм. Наиболее широко применяются полосовые активные фильтры, в схему которых включены резисторы и конденсаторы (активные RC-фильтры).
Если в схемах с ОУ характеристики обратной связи изменяются с частотой, то могут быть получены устройства, коэффициент передачи которых изменяется с частотой.

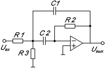
Рис. 5.20
Таким образом, ОУ, охваченный цепью обратной связи, выполняет функции, аналогичные функциям колебательного контура.
Простейшая схема полосового фильтра с такой обратной связью при использовании одного ОУ дана на рис. 5.20. Частота квазирезонанса
. (5.30)
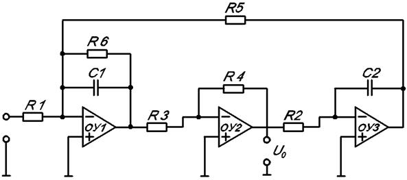
Полосовые активные RC-фильтры на трех ОУ. Работа фильтра с тремя ОУ несколько отличается от работы фильтра с одним ОУ. Можно показать, что часть схемы (рис. 5.21), включающих в свой состав два ОУ (ОУ2 и ОУ3), создает эффект взаимодействия тока и напряжения, эквивалентный индуктивности (гиратор). Индуктивность гиратора определяется по формуле
. (5.31)
Тогда эквивалентная схема фильтра имеет вид, изображенный на рис. 5.22. При этом в цепь обратной связи включен контур, состоящий из элементов: катушки индуктивности L1, резистора R5 и конденсатора С2. Чем больше сопротивление резистора R5, тем больше добротность эквивалентного контура, тем уже полоса пропускания. Активные RC-фильтры обычно проектируются на заводах изготовителях РЭА.

Рис. 5.21
Дата добавления: 2015-08-26; просмотров: 1429;
