РОЗРАХУНКОВЕ ВИЗНАЧЕННЯ ПРИВЕДЕНОГО ОПОРУ ТЕПЛОПЕРЕДАЧІ ОГОРОДЖУВАЛЬНИХ КОНСТРУКЦІЙ
И.1 Опір теплопередачі термічно однорідної непрозорої огороджувальної конструкції розраховується за формулою:
. (И.1)
де αв, αз – коефіцієнти тепловіддачі внутрішньої і зовнішньої поверхонь огороджувальної конструкції, Вт/(м2 .К), які приймаються згідно з додатком Е;
Ri – термічний опір i-го шару конструкції, м2 .К/Вт;
λiр – теплопровідність матеріалу i-го шару конструкції в розрахункових умовах експлуатації (згідно з додатком Л), Вт/(м · К);
И.2 Приведений опір теплопередачі термічно неоднорідної непрозорої огороджувальної конструкції розраховується за формулою:
. (И.2)
де Rj – термічний опір термічно однорідної зони, що визначається експериментально або на підставі результатів розрахунків двомірного (тримірного) температурного поля й розраховується за формулою
. (И.3)
де
- середні температури внутрішньої і зовнішньої поверхні термічно однорідної зони, 0C, відповідно;
qj – густина теплового потоку через термічно однорідну зону, Вт/м2;
Fj – площа j-і термічно однорідної зони, м2;
FΣ – площа огороджувальної конструкції, м2.
Для замкнених повітряних прошарків Rj визначається згідно з табл.И.1, И.2
И.3 Для конструкцій з визначеними значеннями лінійного коефіцієнту теплопередачі теплопровідних включень, kj, Вт/(м. К), відповідно до табл.И.3 приведений опір теплопередачі розраховується за формулою:
(И.4)
Таблиця И.1 - Термічний опір замкненого повітряного прошарку, м2•К/Вт, залежно від розміщення в конструкції
| Товщина повітряного прошарку, м | Розміщення прошарку | ||||
| горизонтальне при потоці тепла знизу вгору та вертикальне | горизонтальне при потоці тепла згори донизу | ||||
| середня температура повітря у прошарку | |||||
| ≥ 0 0С | < 0 0С | ≥ 0 0С | < 0 0С | ||
| 0,01 0,02 0,03 0,05 0,1 0,15 0,2-0,3 | 0,13 0,14 0,14 0,14 0,15 0,15 0,15 | 0,15 0,15 0,16 0,17 0,18 0,18 0,19 | 0,14 0,15 0,16 0,17 0,18 0,19 0,19 | 0,15 0,19 0,21 0,22 0,23 0,24 0,24 | |
Таблиця И.2 –Термічний опір замкненого повітряного прошарку, м2•К/Вт, при встановленні відбивноі ізоляції
| Кількість прошарків (товщиною від 3 мм до 10 мм) | Середня температура повітря прошарку | Тип відбивноі ізоляції, товщина вспіненого шару, мм | |||||
| А (одностороння)* | Б (двостороння) | ||||||
| ≥ 0 0С | 0,34 | 0,48 | 0,84 | ||||
| < 0 0С | 0,3 | 0,4 | 0,79 | ||||
| ≥ 0 0С | 0,79 | 1,0 | 1,3 | 0,85 | 1,39 | 1,49 | |
| < 0 0С | 0,64 | 0,79 | 1,2 | 0,82 | 1,25 | 1,4 | |
| Примітка:*. Встановлення ізоляції відбивним шаром у бік приміщення |
де kj – лінійний коефіцієнт теплопередачі, Вт/(м . К), j-го теплопровідного включення, для конструкцій, що не включені в таблицю И.3, значення цього показника визначаються за результатами розрахунків двомірних (тримірних) температурних полів згідно з И.5;
Lj – лінійний розмір, м, j-готеплопровідного включення за внутрішньою поверхнею термічно неоднорідної огороджувальної конструкції.
Таблиця И.3 - Значення лінійних коефіцієнтів теплопередачі (k) вузлів сполучення огороджувальних конструкцій
| Тип вузла | Конструктивні елементи вузла | k вузла, Вт/( м К) | |||
| 1. Вузол сполучення балконної плити та зовнішніх стінових панелей | |||||
| 1) керамзитобетон, g=1200 кг/м3. 2) залізобетон, g=2500 кг/м3. 3) Цементно-піщаний (далі -ЦП) розчин, g=1600 кг/м3. 4) ЦП штукатурка, g=1600 кг/м3. 5) опоряджувальний шар, g=1800 кг/м3. 6) гіпсова плита, g=1200 кг/м3. 7) повітряний прошарок. | k балкон=0,44 | |||
| 2. Вузол сполучення цокольної стінової панелі з рядовою зовнішньою панеллю та з плитою перекриття над підвалом | |||||
| 1) керамзитобетон, g=1200 кг/м3. 2) залізобетон, g=2500 кг/м3. 3) ЦП розчин, g=1600 кг/м3. 4) ЦП штукатурка, g=1600 кг/м3. 5) опоряджувальний шар, g=1800 кг/м3. 6) гіпсова плита, g=1200 кг/м3. 7) повітряний прошарок. | k підвал=0,16 | |||
| 3. Вузол кутового сполучення стінових панелей | |||||
| 1) керамзитобетон, g=1200 кг/м3. 2) залізобетон, g=2500 кг/м3. 3) ЦП розчин, g=1600 кг/м3. 4) ЦП штукатурка, g=1600 кг/м3. 5) опоряджувальний шар, g=1800 кг/м3. | k кута = 0,23 |
| Тип вузла | Конструктивні елементи вузла | k вузла, Вт/( м К) | |||
| 4. Вузол горизонтального стику стінових панелей у рівні міжповерхового перекриття | |||||
| 1) керамзитобетон, g=1200 кг/м3. 2) залізобетон, g=2500 кг/м3. 3) ЦП розчин, g=1600 кг/м3. 4) ЦП штукатурка, g=1600 кг/м3. 5) опоряджувальний шар, g=1800 кг/м3 6) гіпсова плита, g=1200 кг/м3. 7) повітряний прошарок. | k перекр = 0,34 | |||
| 5. Вузол сполучення парапетної стінової панелі з рядовою та з плитою перекриття верхнього поверху | |||||
| 1) керамзитобетон, g=1200 кг/м3. 2) залізобетон, g=2500 кг/м3. 3) ЦП розчин, g=1600 кг/м3. 4) ЦП штукатурка, g=1600 кг/м3. 5) опоряджувальний шар, g=1800 кг/м3. 6) керамзитобетон, g=1200 кг/м3. 7) повітряний прошарок. | k парапет=0,39 | |||
| Тип вузла | Конструктивні елементи вузла | k вузла, Вт/( м К) | |||
| 6. Вузол вертикального стику зовнішніх стінових панелей з внутрішніми стіновими панелями | |||||
| 1) керамзитобетон, g=1200 кг/м3. 2) залізобетон, g=2500 кг/м3. 3) ЦП розчин, g=1800 кг/м3. 4) ЦП штукатурка, g=1600 кг/м3. 5) опоряджувальний шар, g=1800 кг/м3. | k верт.стик = 0,32 | |||
| 7. Вузол сполучення віконного блоку зі стіновою панеллю | |||||
| 1) керамзитобетон, g=1200 кг/м3. 2) дерево, g=500 кг/м3. 3) скло, g= 2500 кг/м3. 4) ЦП штукатурка, g=1600 кг/м3. 5) опоряджувальний шар, g=1800 кг/м3. 6) герметик, g= 1800 кг/м3. 7) повітряний прошарок. | k вікно = 0,29 | |||
| Тип вузла | Конструктивні елементи вузла | k вузла, Вт/( м К) | |||
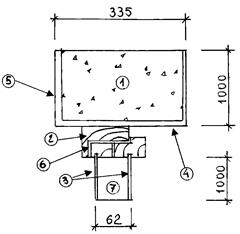
| 8. Вузол сполучення плити перекриття з зовнішньою стіною з цегли | |||||
| 1 цегляна стіна, g=1800 кг/м3. 2 ЦП штукатурка, g=1600 кг/м3. 3 залізобетонна плита перекриття, g=2500 кг/м3. 4 паркетні дошки, g=500 кг/м3. 5 лаги з дощок на звукоізоляційних прокладках, g=500 кг/м3. | k перекр = 0,44 | |||
| 9. Вузол кутового сполучення зовнішніх стін з цегли | |||||
| 1) цегляна стіна, g=1800 кг/м3. 2) ЦП штукатурка, g=1600 кг/м3. | k кута= 0,31 | |||
| Тип вузла | Конструктивні елементи вузла | k вузла, Вт/( м К) | |||
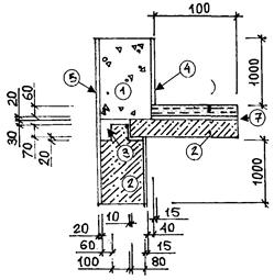
| 10. Вузол сполучення зовнішньої та внутрішньої стін з цегли | |||||
| 1) цегляна стіна, g=1800 кг/м3. 2) ЦП штукатурка, g=1800 кг/м3. 3) внутрішня стіна з цегли, g=1800 кг/м3. | kперегородки=0,49 | |||
| 11. Вузол сполучення залізобетонної балконної плити та цегляної стіни | |||||
| 1) залізобетонна панель перекриття, g=2500 кг/м3. 2) балконна плита, g=2500 кг/м3. 3) муарова кладка, g=1800 кг/м3. 4) залізобетонні перемички, g=2500 кг/м3. 5) анкер, g=7850 кг/м3. 6) ЦП розчин, g=1600 кг/м3. | kбалкону=0,58 | |||
| Тип вузла | Конструктивні елементи вузла | k вузла, Вт/( м К) | |||
| 12. Вузол сполучення верху вікна з цегляною стіною | |||||
| 1) цегляне мурування, g=1800 кг/м3. 2) залізобетонні перемички, g=2500 кг/м3 . 3) віконна коробка з дерева, g=500 кг/м3. 4) герметик, g=1800 кг/м3. 5) віконний блок, g=500 кг/м3. 6) скло, g= 2500 кг/м3. | kверха вікна=1,19 | |||
13. Вузол сполучення низу вікна з цегляною стіною
| |||||
| 1) цегляне мурування, g=1800 кг/м3. 2) металевий костиль, g=7850 кг/м3. 3) злив з оцинкованої сталі, g= 7850 кг/м3. 4) віконна коробка, g=500 кг/м3. 5) скло, g= 2500 кг/м3. 6) віконний блок, g=500 кг/м3. 7) підвіконна дошка, g=500 кг/м3. 8) руберойд, g=1800 кг/м3. 9) ЦП штукатурка, g=1600 кг/м3. | kнизу вікна=0,55 | ||||
| Тип вузла | Конструктивні елементи вузла | k вузла, Вт/( м К) | |||
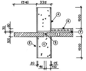
| 14. Вузол сполучення зовнішньої стіни з цегли зі сумісною покрівлею | |||||
| 1) цегляне мурування, g=1800 кг/м3. 2) покриття з руберойду та гравію утопленого в бітум, g=1800 кг/м3 . 3) керамзитобетон, g= 1200кг/м3. 4) залізобетонна плита покриття, g=2500 кг/м3. 5) ЦП штукатурка, g=1600 кг/м3. | k покрівлі=0,48 | |||
15. Вузол вертикального стику внутрішніх стінових панелей
| |||||
| 1) залізобетонні плити, g=2500 кг/м3. 2) ЦП штукатурка, g=1600 кг/м3. | k вн.стін.пан.=0,69 | ||||
| Тип вузла | Конструктивні елементи вузла | k вузла, Вт/( м К) | |
| 16. Вузол вертикального стику внутрішніх стін з цегли | |||
| 1) внутрішні стіни з цегли, g=1800 кг/м3. 2) ЦП штукатурка, g=1600 кг/м3. | k вн.цегл.стіна = 0,42 | |
И.4 Порядок визначення лінійного коефіцієнту теплопередачі, k, Вт/(м . К)
И.4.1 Визначається кількість теплоти (Q1 і Q2), яка проходить через кожний вузол (стик) конструкції огородження, утворений перетином суміжних термічно однорідних конструкцій, протяжністю L (м) з відомими теплотехнічними характеристиками (рисунок И.1).
И.4.2 Загальна кількість теплоти, що проходить через огороджувальну конструкцію з теплопровідним включенням, Qзаг, визначається на підставі результатів розрахунків двомірного (тримірного) температурного поля. Кількість теплоти, яка проходить через теплопровідне включення (вузол, стик), Qst, визначається за формулою:
Qst = Qзаг - (Q1 + Q2) . (И.5)
Лінійний коефіцієнт теплопередачі визначається за формулою:
k =Qst /L(tв - tз). (И.6)
де L - довжина розглянутого фрагменту конструкції огородження з теплопровідним включенням або вузлом (стиком), м;
tв, tз - відповідно внутрішня та зовнішня температури повітря, 0С.
И.5 Загальні втрати тепла через огороджувальну конструкцію з теплопровідним включенням визначаються за формулою:
, (И.7)
де RΣj, Fj – опір теплопередачі та площа j-го фрагменту основного поля конструкції.

а) температурне поле вузла;
б) епюра густини теплового потоку вузла;
в) модель визначення густини теплового потоку вузла;
г) густина теплового потоку з використанням поняття лінійного коефіцієнта теплопередачі.
Рисунок И. 1 – Принципи моделювання при визначенні лінійного коефіцієнту теплопередачі.
Дата добавления: 2015-07-06; просмотров: 1629;

13. Вузол сполучення низу вікна з цегляною стіною
15. Вузол вертикального стику внутрішніх стінових панелей