Нормальные реакции опорной поверхности колес
При движении ПА нормальные реакции Rn изменяются. Уменьшение или увеличение нагрузки на п-е колесо при движении АТС характеризуется коэффициентом λп изменения нормальной реакции
(6.27)
где zn – нормальная реакция опорной поверхности (нагрузка) n-го колеса при стоянке АТС на горизонтальной дороге; Gn – масса АТС, сила веса, которая создает нагрузку zn.
Если нормальные реакции колес левой и правой стороны одной оси ПА равны, то коэффициент λn характеризует также и изменение нагрузки на ось.
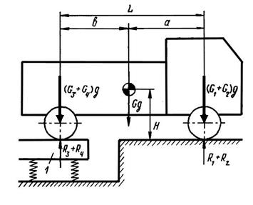
Распределение силы веса (Gg) между колесами ПА зависит от положения центра масс автомобиля, жесткости подвески и рамы, давления воздуха в шинах. При вычислении zn влиянием всех факторов, кроме положения центра масс, обычно пренебрегают. Для двухосного автомобиля нагрузки zn вычисляют по формулам (рис. 6.5):
(6.28)
(6.29)
где z1, z2 –соответственно нагрузка на левое и правое колесо передней оси; z3, z4 – соответственно нагрузки на левые и правые колеса задней оси.
|
Рис. 6.5. Определение координат центра масс пожарного автомобиля:
1 – платформа весов
При компоновке ПА добиваются равного распределения силы веса между колесами одной оси:
(6.30)
(6.31)
Из-за обязательного выполнения требований по равенству нагрузки на левые и правые колеса одной оси в технических характеристиках АТС и ПА принято указывать только G, расстояние между осями и массы, силы веса от которых передаются каждой осью. Для двухосного АТС указываются: G, L и G12, G34 Данные по G12и G34, которые приводятся в технических характеристиках АТС, определяются, как правило, экспериментально. Для аналитического определения G12 и G34 необходимо знать расстояния а, L или b, L. Основная погрешность аналитического определения G12 и G34 для двухосного автомобиля связана с ошибками в вычислении положения центра масс АТС, координаты которого (a или b) определяются по формулам для вычисления положения центра масс абсолютно твердого тела. Вычисление а или b по этим формулам приводит к ошибке до 10–15 %.
Для экспериментального определения z12 или z34 колеса передней или задней оси ПА устанавливают на весы (см. рис. 6.5). Для проверки равенств (6.30), (6.31) ПА устанавливают на весы колесами одной стороны. Основные требования при взвешивании: полная комплектация ПА (при отсутствии боевого расчета его имитируют балластом); горизонтальная опорная поверхность колес ПА при взвешивании; расторможенные колеса и нейтральное положение рычага механической коробки передач. Взвешивают ПА, как правило, два раза: первый – при въезде на весы передним ходом, второй – при въезде на весы задним ходом. За зачетные значения G, z12 и z34 принимаются их средние арифметические.
По результатам взвешивания судят о возможности эксплуатации ПА. Необходимо выполнение трех основных требований:
масса G ПА не должна превышать полной массы базового шасси – собственной массы базового шасси плюс грузоподъемность;
распределение массы G между осями ПА (G12 или G34) должно соответствовать распределению между осями полной массы базового шасси;
нагрузка на колеса левой и правой стороны ПА должна быть равной.
Нагрузки на оси R12 и R34 при движении ПА определяются из уравнений:
(6.32)
. (6.33)
После преобразований уравнений (6.32), (6.33) и подстановки R12 и R34, z12 и z34 формул (6.28), (6.29) в формулу (6.27) получим:
(6.34)
(6.35)
где α > 0, ј > 0 – при подъеме и разгоне АТС; α < 0, ј < 0 – при спуске и торможении АТС.
Анализ формул (6.34) и (6.35) показывает, что при движении на подъеме и разгоне ПА увеличивается нагрузка на заднюю ось и уменьшается на переднюю. При движении на спуске и торможении ПА происходит обратное явление. Этим объясняется, например, подъем передней части ПА, наблюдаемый при разгоне, и наклон ее вниз («клевок») при торможении. При движении по дорогам с асфальтобетонным покрытием коэффициенты λ12 и λ34 ПА могут изменяться в пределах от 0,5 до 1,5. Предельные значения коэффициентов достигаются при движении по крутым уклонам и при интенсивном разгоне или торможении ПА со всеми ведущими осями или при экстренном торможении.
Дата добавления: 2016-02-11; просмотров: 492;
