Тема 2.5. Компоновка конструкции и схемы трансформаторных подстанций
Цель лекции. Понимать сущность и социальную значимость своей будущей профессии, проявлять к ней устойчивый интерес. Осуществлять поиск информации, необходимой для эффективного выполнения профессиональных задач. Читать и составлять электрические схемы электрических подстанций .
План лекции:
| 1.Назначение и классификация подстанций |
2.Конструкция трансформаторных подстанций городских электрических сетей
3.Центральные распределительные пункты
Рекомендуемая литература.
Л.3, с.256-260, Л5,с. 545-554
* * *
Ретроспекция.Трансформаторная подстанция: назначение, виды, основное и вспомогательное оборудование ПС.
* * *
| 1.Назначение и классификация подстанций |
В зависимости от потребляемой мощности и удаленности от источника питания различают следующие виды подстанций: узловая распределительная, главная понизительная , глубокого ввода, трансформаторный пункт.
Узловая распределительная подстанция(УРП)- центральная подстанция на напряжение 110кВ и выше ,получающая электрическую энергию и распределяющая её( без трансформации или с частичной трансформацией) по подстанциям глубокого ввода напряжением 35...220 кВ на территории предприятия.
Главная понизительная подстанция (ГПП) – подстанция на напряжение 35-220кВ, получающая питание непосредственно от районной энергосистемы и распределяющая электроэнергию на более низком напряжении по всему предприятию.
Подстанцией глубокого ввода (ПГВ) называется подстанция на напряжение 35-220кВ , выполненная обычно по упрощенным схемам коммутации на стороне первичного напряжения, получающая питание непосредственно от энергосистемы или центрального распределительного пункта данного предприятия и предназначенная для питания отдельного объекта или группы электроустановок предприятия. Схемы электроснабжения с ПГВ, называются схемами с глубоким вводом.
Главные понизительные подстанции, питающие крупные промышленные предприятия, включают в себя распределительные устройства на напряжение 35...220 и 6 (10) кВ, главные трансформаторы на напряжение 35...220/6 (10) кВ, трансформаторы собственных нужд на напряжение 6 (10)/0,4 кВ, конденсаторные батареи напряжением 6 (10) кВ, шиты управления электроснабжением, мастерские и т.д.
На Г ПП, как правило, устанавливают два одинаковых трансформатора на 35...220/6 (10) кВ. Необходимость двух трансформаторов обусловлена тем, что на современных промышленных предприятиях преобладают нагрузки второй категории и обычно имеются нагрузки первой категории, для питания которых необходимо иметь два независимых источника. Установка более двух трансформаторов неэкономична и применяется в основном лишь при расширении предприятия. Главные понизительные подстанции размещают вблизи центра нагрузки.
При установке на ГПП двух трансформаторов, питаемых от разных линий электропередачи, создается возможность применения надежных и высокоэкономичных упрощенных схем: блока линия 35...220 кВ — трансформатор ГПП и блока линия на 35... 220 кВ — трансформатор ГПП — токопровод на 6 (10) кВ. Эти схемы не содержат сборных шин и выключателей на стороне первичного напряжения ГПП, а на стороне вторичного напряжения 6 (10) кВ обычно имеют одиночную секционированную систему шин или токопроводы от каждого трансформатора. Одно- трансформаторные ГПП можно применять при наличии возможности обеспечить резервное питание нагрузок первой и второй категорий по сети напряжением 6 (10) кВ от соседних подстанций или ТЭЦ. Экономичность этих схем и индустриализация монтажа подстанций возросли в связи с изготовлением последних на заводе в виде блочных подстанций типа КТПБ.
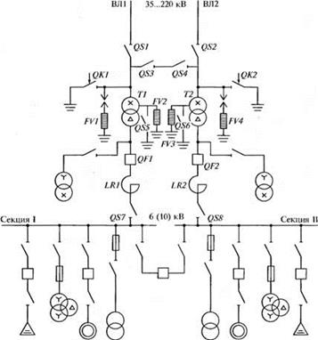
На рис. 1 приведена схема ГПП напряжением 35... 220/6 (10) кВ для предприятия средней мощности, получающего электроэнергию от энергосистемы по двум радиальным линиям BJl I и BJ12. Трансформаторы 77, 72 подключают к линиям только через разъединители QSJ, QS2 РЛНД (разъединитель с линейным контактом, наружной установки, двухколонковый), так как при радиальной схеме нет необходимости в отделителях. Перемычка между цепями напряжением 35... 220 кВ, позволяет питать каждый трансформатор не только от своей, но и от другой линии. По условиям ремонта в перемычку включают последовательно два разъединителя (на схеме QS3, QS4). Согласно СН 174-75, следует применять в основном схему без перемычки напряжением 35... 220 кВ, но допускается использование ее в тех случаях, когда по условиям работы ГПП возникает необходимость в питании двух трансформаторов от одной линии, например при загрузке трансформаторов свыше 70 %, когда при отключении одного из них нагрузка другого превышает 140%.
Рис. 1. Схема ГПП напряжением 35...220/6 (10) кВ с секционированной системой шин на стороне напряжения 6 (10) кВ
На вводах к трансформаторам устанавливают короткозамыкатели QK1, QK2: в сетях с глухозаземленной нейтралью — в одной фазе, в сетях с изолированной нейтралью — в двух. Короткозамыкатель автоматически включается при срабатывании релейной защиты в результате внутренних повреждений в трансформаторе ГПП, к которым нечувствительна защита с помощью головных выключателей линий BJ11 и ВЛ2 энергосистемы. При включении короткозамыкателя создается искусственное короткое замыкание на входах высшего напряжения (ВН) трансформатора. На такое короткое замыкание реагирует релейная защита линии в системе и отключает соответствующую линию.
Двухобмоточные трансформаторы ГПП имеют схему соединения обмоток У/Д-11 или Y0/A-l 1. Включение нейтралей трансформаторов 110...220 кВ на землю осуществляется через однополюсные разъединители QS5, QS6 типа ЗОН. Последние включают не всегда. Число включенных на землю нейтралей регулируют так, чтобы ток одно- и двухфазного коротких замыканий на землю не превышал установленные пределы. Для защиты изоляции трансформаторов от пробоя при возникновении перенапряжения в период работы с разземленной нейтралью предусмотрены разрядники FV2, FV3 в нейтрали. Кроме того, разрядники устанавливают на вводе ВН трансформаторов во всех трех фазах для защиты от набегающих по линиям волн перенапряжений (на схеме FV1, FV4).
Трансформаторы ГПП подключают к сборным шинам вторичного напряжения 6 (10) кВ через масляные выключатели QF1 и QF2 и разъединители QS7 и QS8. Если требуется ограничение тока короткого замыкания в сети предприятия напряжением 6 (10) кВ, то между выключателями и разъединителями ввода включают трехфазные бетонные реакторы LR1, LR2.
На рис. 2 показаны схемы подключения вводов трансформаторов ГПП к сборным шинам распределительного устройства напряжением 6 (10) кВ. Схему а применяют при установке трансформаторов мощностью до 25 MB А. При большей мощности трансформаторов обычно требуются мероприятия по ограничению токов короткого замыкания. При мощности трансформатора 40 MB А применяют схемы бив, при мощности 63 MB - А рекомендуются схемы гид. Если же мощность трансформатора достигает 80 MB • А, то применяют схемы е, ж, з.
К вводам подключаются трансформаторы собственных нужд подстанции для обеспечения питания приемников собственного расхода, в том числе приводов масляных выключателей, независимо от состояния сборных шин напряжением 6 (10) кВ ГПП.
Сборные шины напряжением 6 (10) кВ распределительных устройств ГПП секционируют выключателем. Благодаря этому при повреждении или ремонте сборных шин отключается только одна секция и все основные электроприемники получают питание от другой секции. При внезапном исчезновении напряжения на одной секции, например при отключении питающей линии, с помощью устройств АВР включается секционный выключатель, обеспечивая питание секции. Секционный выключатель выбирают по нагрузке одной секции шин, а выключатель ввода трансформатора — по нагрузке двух секций в послеаварийном режиме ГПП. Для ограничения токов короткого замыкания секционный выключатель нормально отключен.
Схема ГПП предприятия средней мощности, получающего электроэнергию по отпайкам от двух магистральных линий. В этом случае необходимы отделители QR1, QR2 для отключения поврежденного трансформатора ГПП от магистрали. Отключение отделителя ггроисходит автоматически в период бестоковой паузы между моментом отключения головного выключателя магистрали после включения короткозамыкателя (QK1, QK2) и моментом повторного включения головного выключателя линии под действием устройств АГ1В.
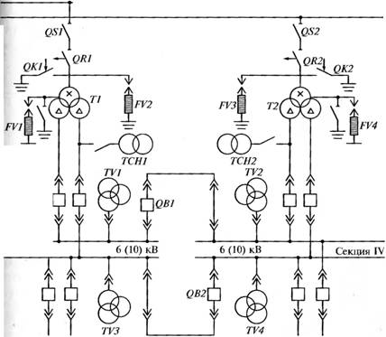
Трансформаторы мощностью 25 MB А и более имеют расщепленную вторичную обмотку. Растепление обмотки представляет собой эффективный способ ограничения токов короткого замыкания в электросети предприятия. Для этой же цели применяется групповое реактирование обычными и сдвоенными реакторами, включаемыми в цепь выводов трансформатора. Применявшееся ранее индивидуальное реактирование каждой отходящей линии не рекомендуется по соображениям компоновки и экономии оборудования.
Секция III
Рис. 2. Схема ГПП напряжением 35...220/6 (10) кВ с четырьмя секциями сборных шин напряжением 6 (10) кВ:
ТСШ, ТСН2— трансформаторы собственных нужд; TV1—TV4— трансформаторы напряжения
В схеме, показанной на рис. 2, каждая вторичная обмотка обоих трансформаторов подключена к отдельной секции шин напряжением 6 (10) кВ. Все четыре секции одной системы сборных шин работают раздельно, но при выходе из работы одного трансформатора вся нагрузка автоматически переводится на другой включением секционных выключателей QBI и QB2 под действием устройств А В Р. В распределительном устройстве данной подстанции установлены ячейки КРУ с масляными выключателями QF типа ВМП напряжением 6(10) кВ. Выкатные масляные выключатели имеют втычные контакты, поэтому нет необходимости в разъединителях. Конденсаторные батареи, измерительные трансформаторы напряжения предусматриваются на каждой секции шин, так как их режим регулируется самостоятельно и напряжения секций могут существенно различаться.
Если передаваемая от одной секции мощность составляет 25 MB А и более, а потребители расположены по одной трассе, то эффективно применение магистрачьной схемы питания с то- копроводами. Шинные и гибкие токопроводы напряжением 6... 10 кВ выполняют одновременно роль сборных шин и распредели тельных линий.
Рассмотренные примеры не отражают всего многообразия схем ГПП, применяемых на разных предприятиях. Так, для открытых подстанций напряжением 35 (110) кВ, не имеюших нагрузок первой категории, с трансформаторами мощностью до 6300 кВ -А применяются схемы с разъединителями и стреляющими предохранителями напряжением 35 (110) кВ на вводе ВН. При этом отпадает необходимость в выключателях или отделителях с короткоза- мыкателями на стороне первичного напряжения подстанции.
При сооружении мощных ГПП на небольшом (несколько километров) расстоянии от районных подстанций или электростанций можно отказаться от установки каких-либо коммутационных аппаратов (за исключением разъединителей) на вводе напряжением 35...220 кВ к главным трансформаторам. Функции защиты и отключения трансформаторов, так же как и линий, передаются головному выключателю питающей ГПП линии. При срабатывании релейной защиты трансформатора ГПП отключающий импульс передается на головной выключатель линии по высокочастотным каналам или специально построенной для этого линии связи.
Если подстанция сооружается в зоне повышенного загрязнения, то следует применять самые простые схемы коммутации с минимально возможным количеством аппаратуры и изоляции наружной установки. Рационально использование в таких условиях трансформаторов с кабельными вводами линии непосредственно в бак трансформатора. Тогда вообще отпадает необходимость в открытой изоляции. При этом защиту следует осуществлять с передачей отключающего импульса на головной выключатель линии. В отдельных случаях выгоднее строить закрытые распределительные устройства (ЗРУ) напряжением 35 (110) кВ. Открытые распределительные устройства (ОРУ) напряжением 35... 220 кВ в условиях загрязнения делают с усиленной изоляцией. В ОРУ напряжением 35 кВ в загрязненной среде ставят изоляторы на напряжение 110 кВ, а в ОРУ напряжением 110 кВ — изоляторы напряжение 150...220 кВ. Не рекомендуется в зонах загрязнения применять комплектные распределительные устройства наружной установки (КРУН) напряжением 6 (10) кВ, так как они не обеспечивают достаточной защиты изоляции от загрязнения газами, аэрозолями, пылью.
При напряжении 110 кВ и выше в условиях нормальной окружающей среды применяют открытые под станции, а при напряжении 35 кВ — как открытые, так и закрытые. В условиях повышенного загрязнения, а также на Крайнем Севере рекомендуется применение ЗРУ напряжением 35...220 кВ с открытой установкой трансформаторов при усиленной изоляции вводов.
На рис. 3 приведена конструктивная схема открытой подстанции напряжением 110/6 кВ без выключателей с применением короткозамыкателей и отделителей.
Рис. 3. Конструктивная схема открытой понизительной подстанции напряжением 110/6 кВ:
1 — линейный разъединитель; 2 — отделители; 3 — линейный портал; 4 — ошиновка; 5 — вентильные разрядники; 6 - трансформаторный портал; 7 — короткозамыкатели; 8 — заземляющий разъединитель нейтрали; 9 — молниеотвод
В ОРУ напряжением 35... 220 кВ все электрооборудование выбирается для наружной установки и монтируется по условиям безопасности обслуживания на высоте 2,5 м над уровнем земли. Выше располагаются сборные шины ОРУ. Третий ярус образуют переходы над сборными шинами и проводами отходящих линий. Поэтому на ОРУ требуется довольно много высоких стальных опор для сооружения порталов, молниеотводов и металлических конструкций для изготовления искусственного заземляющего устройства.
Рис. 4. Общий вид однотрансформаторной подстанции типа 1КТГ1 110/6 (10) кВ с короткозамыкателем и отделителем:
1 — ограждение; 2— разъединитель; 3 — отделитель; 4— разрядник; 5— молниеотвод; 6 — трансформаторный кронштейн; 7 — силовой трансформатор; 8 заземляющий разъединитель: 9 — шкафы КРУН
Значительная экономия территории и материалов получается в случае применения блочных подстанций напряжением 35 (110) кВ типа КТПБ с ОРУ типа КРУБ.
Разработаны закрытые подстанции без выключателей на стороне ВН и с закрытой установкой трансформаторов мощностью 2 х 25 и 2 х 40 М В • А. На таких подстанциях предусмотрена вентиляция камер, шумоглушение.
Главные понизительные подстанции следует располагать как можно ближе к центру нагрузки, насколько это позволяют планировка предприятия, подвод воздушных линий и состояние окружающей среды.
На рис. 4 приведен общий вид однотрансформаторной подстанции типа 1КТП-110/6 (10) кВ с короткозамыкателем и отделителем на стороне ВН.
2.Конструкция трансформаторных подстанций городских электрических сетей
По компоновке оборудования трансформаторные подстанции можно разделить на следующие:
1. зального типа, в которых коммутационная аппаратура напряжением до и выше 1000 В и силовые трансформаторы находятся в одном общем помещении;
2. состоящие из нескольких помещений с отдельными входами, в которых раздельно расположены распределительные устройства 6 — 10 кВ, до 1 кВ и силовые трансформаторы;
3. комплектные;
4. мачтовые.
Трансформаторная подстанция зального типа представляет собой кирпичное или железобетонное здание, в котором установлены распределительное устройство 6 — 10 кВ обычно в виде сборок с однополюсными разъединителями, один или два силовых трансформатора и распределительное устройство до 1 кВ в виде сборок или распределительных щитов. На рисунке ниже показана такая подстанция на два трансформатора по 400 кВ-А, автоматизированная по схеме АВР на стороне низшего напряжения.
Трансформаторная подстанция зального типа
на два трансформатора по 400 кВА,
автоматизированная по схеме АВР на стороне низшего напряжения:
1 и 4 — сборки напряжением 6 — 10 и 0,4 кВ,
2 — силовой трансформатор, 3 — станция управления
Трансформаторная подстанция, состоящая из отдельных помещений для распределительного устройства 6 — 10 кВ, силовых трансформаторов и щита напряжением 0,4 кВ, показана на рисунке ниже.
Трансформаторная подстанция с размещениемоборудования в разных помещениях:
а — общий вид, б — план, в — схема;1 и 2 — помещения для РУ 6 — 10 и 1 кВ,3 — ячейки трансформаторов
К этому же конструктивному типу следует отнести трансформаторные подстанции, автоматизированную по схеме АВР на высшем напряжении. В такой ТП распределительное устройство 6—10 кВ выполняют из определенного количества ячеек (по типу РП), камер силовых трансформаторов и помещения щита напряжением 0,4 кВ.
3.Центральные распределительные пункты
|
Центральным распределительным пунктом ЦРП называется центральный пункт, получающий питание непосредственно от районной энергосистемы или заводской станции при напряжении 6 - 20 кВ и распределяющий его на том же напряжении по всему объекту или отдельной его части.
Местоположениецентральных распределительных пунктов ( ЦРП) определяется конструкцией питающих сетей и размещением основных потребителей. Поскольку основные потребители, как правило, расположены у коммуникационного коридора, ЦРП целесообразно располагать непосредственно в коридоре или рядом с ним. Первое решение используется, как правило, в случаях передачи электроэнергии с помощью токопроводов. При этом ЦРП выполняются отдельно стоящими, а ось их совмещается с осью отпайки от токопровода.
Нацентральном распределительном пункте ( ЦРП), главной понизительной станции ( ГПП), а также на цеховых трансформаторных подстанциях ( ТП) без высоковольтного РУ установка конденсаторов не рекомендуется Целесообразным становится исключениедорогостоящих центральных распределительных пунктов. Электрическая энергия на высоком напряжении 35, 110, 220 кв подводится линиями высокого напряжения непосредственно к местам потребления ее на распределительных пунктах. Осуществляется глубокий ввод электроэнергии высокого напряжения. Питание производится отпайками от линий, чаще всего без выключателей, которые устанавливаются лишь на головных участках, а иногда на подстанциях системы.
ГПП) или доцентрального распределительного пункта ( ЦРП), от которых питается электроэнергией предприятие.
Управление масляными выключателями нацентральных распределительных пунктах принято как ручное, так и дистанционное.
К системе внутреннего электроснабжения относятсяцентральные распределительные пункты ( ЦРП), понизительные цеховые подстанции и распределительная высоковольтная сеть завода.
Электроснабжение всех потребителей должно осуществляться черезцентральный распределительный пункт, на котором должна быть размещена коммутационная аппаратура для управления всеми линиями питания.
От понизительной подстанции, которая может одновременно являтьсяцентральным распределительным пунктом промышленного предприятия, электроэнергия передается на этом напряжении к цеховым трансформаторным подстанциям или непосредственно к отдельным электроприемникам.
На крупных энергоемких предприятиях проектом электроснабжения предусматривается один или несколькоцентральных распределительных пунктов 6 - 10 кВ, куда поступает энергия от головной понизительной подстанции предприятия или непосредственно от районной подстанции энергосистемы и распределяется по отходящим линиям 6 - 10 кВ к внутриплощадочным ТП. Центральный распределительный пункт представляет собой распределительное устройство, состоящее из камер КРУ для внутренней установки или камер КСО; ЦРП могут быть наружной установки, собранные из камер КРУН.
Питание трансформаторных подстанций 6 - 10 кв от центров питания - центрального распределительного пункта ( ЦРП), главной понизительной подстанции ( ГП П) и др. - осуществляется по воздушным или кабельным линиям по радиальной и магистральной схемам.
На крупных промышленных предприятиях пунктами приема электроэнергии являются главные понизительные подстанции - ГПП илицентральные распределительные пункты - ЦРП, а на предприятиях небольшой мощности - распределительные пункты - РП, которые могут быть совмещены с одной из распределительных трансформаторных подстанций - ТП. ЦРП сооружается в том случае, когда напряжение схемы питания одинаково с напряжением схемы распределения ( 6, 10 или 35 кв) и, следовательно, в сооружнии ГПП нет необходимости Распределительный пункт (РП) представляет собой разделенную на секции электроустановку, которая состоит из сборных шин определенного количества ячеек и коридора управления. Ячейки служат для размещения в них выключателей, трансформаторов тока, линейных и секционных разъединителей, предохранителей, трансформаторов напряжения, приборов защиты и другого электрооборудования.
Сборные шины располагают в верхней части РП горизонтально на расстоянии не менее 500 мм от верхнего перекрытия РП. Расстояние между сборными шинами различных фаз должно быть не менее 100 мм при напряжении 1 кВ и 130 мм при напряжении 10 кВ. Шины крепят к опорным изоляторам, установленным на металлических конструкциях или бетонных перегородках. Смонтированные в РП секционные разъединители (рис. 6, поз. 8) служат для отключения секций РП как при профилактических ремонтах, так и в случае повреждения сборных шин (рис. 6, поз. 7).
Ячейки в распределительном пункте разделяются по виду установленного в них оборудования.
На рис. 6 показана схема РП на шесть ячеек, из которых в пяти размещены выключатели и в одной - трансформаторы напряжения.
В ячейках выключателей установлены линейные разъединители 1, трансформаторы тока 2, выключатели 3 и шинные разъединители 4. В ячейке трансформаторов напряжения находятся трансформатор напряжения 5 (один или несколько), предохранитель 6 и шинные разъединители 4. Ячейки выключателей могут быть закрытыми или открытыми. В открытых ячейках устанавливают не опасные в пожарном отношении и невзрывоопасные масляные выключатели ВМП-10, безмасляные (газовые) выключатели и выключатели нагрузки. В этих же ячейках размещают трансформаторы тока и разъединители. Для предотвращения ошибочных операций с разъединителями между приводами трехполюсных разъединителей и приводом выключателя в каждой ячейке имеется блокировка, допускающая включение разъединителей только при отключенном выключателе.
| |
| Рис. 6. Принципиальная схема распределительного пункта: 1 - линейные разъединители, 2 - трансформаторы тока, 3 - выключатели, 4 - шинные разъединители, 5 - трансформатор напряжения, 6 - предохранитель, 7 - сборные шины, 8 - секционные разъединители | Рис. 7. Принципиальная схема трансформаторной подстанции на два трансформатора: 1 - сборные шины 6-10 кВ, 2 - разъединители, 3 - предохранители на 6-10 кВ, 4 - силовые трансформаторы, 5 - распределительное устройство 0,4/0,23 кВ, 6 - предохранители на 0,4/0,23 кВ |
Блокировку выполняют с помощью специальных замков, устанавливаемых на приводах выключателей и разъединителей, или путем устройства системы рычагов, не позволяющих отключить приводы разъединителей при включенном выключателе.
Рис. 8.Сборка с однофазными разъединителями на напряжение 6-10 кВ
( на четыре присоединения):
1 - каркас, 2 - разъединитель, 3 - опорный изолятор, 4 - перегородки из асбестошифера, 5 - шины, 6 - концевая кабельная заделка
В распределительном пункте имеются также реле защиты, измерительные приборы, устройства автоматики, заземляющие устройства, освещение.
Трансформаторная подстанция, схема которой представлена на рис. 7, состоит из сборных шин 1, разъединителей2, предохранителей 3, силовых трансформаторов 4 и распределительного устройства 5 на напряжение 0,4/0,23 кВ с предохранителями ПР и ПН 6 на 0,4/0,23 кВ.
Шины, разъединители и предохранители размещают в камерах или на сборках 6-10 кВ. Сборка на четыре присоединения показана на рис. 8. Она представляет собой стальную каркасную конструкцию 1, на которой установлены разъединители 2, опорные изоляторы 3 и шины 5. В нижней части каркаса крепят кабельные концевые заделки 6. Между разъединителями установлены горизонтальные изоляционные перегородки 4 из листового асбестошифера толщиной 6-8 мм.
В проектах типовых трансформаторных подстанций установка щитов низкого напряжения предусматривается в отдельных помещениях. На щите кроме присоединений отходящих низковольтных линий имеется отдельная линия, питающая сеть наружного освещения. В отдельных случаях в помещении щитов низкого напряжения устанавливается панель питания уличного освещения на базе типовых индустриальных панелей.
Учет отпущенной потребителям электроэнергии при необходимости может осуществляться на стороне 0,23-0,4 кВ трехфазными электросчетчиками, включенными через трансформаторы тока.
Защита от токов короткого замыкания на подстанциях осуществляется на стороне 6-10 кВ - предохранителями ПК; на стороне 0,23-0,4 кВ - предохранителями ПН.
Дата добавления: 2015-08-11; просмотров: 7239;

Трансформаторная подстанция зального типа
на два трансформатора по 400 кВА,
автоматизированная по схеме АВР на стороне низшего напряжения:
1 и 4 — сборки напряжением 6 — 10 и 0,4 кВ,
2 — силовой трансформатор, 3 — станция управления
Трансформаторная подстанция, состоящая из отдельных помещений для распределительного устройства 6 — 10 кВ, силовых трансформаторов и щита напряжением 0,4 кВ, показана на рисунке ниже.
Трансформаторная подстанция с размещениемоборудования в разных помещениях:
а — общий вид, б — план, в — схема;1 и 2 — помещения для РУ 6 — 10 и 1 кВ,3 — ячейки трансформаторов
К этому же конструктивному типу следует отнести трансформаторные подстанции, автоматизированную по схеме АВР на высшем напряжении. В такой ТП распределительное устройство 6—10 кВ выполняют из определенного количества ячеек (по типу РП), камер силовых трансформаторов и помещения щита напряжением 0,4 кВ.
3.Центральные распределительные пункты