Борьба с приемом помех на промежуточной частоте
В супергетеродинных приемниках опасен прием на промежуточной частоте. Поэтому необходимо обеспечить большое подавление сигналов на промежуточной частоте в цепях до преобразователя частоты. С этой целью во входные устройства вводятся специальные заградительные фильтры.
Таким фильтром может служить либо последовательный контур, настроенный на промежуточную частоту и включенный параллельно входу приемника, либо параллельный контур, включенный последовательно между антенной и входом активного элемента.
Схемы таких устройств приведены ниже (Рис. 4.33).

Рис.4. 33 а)

Рис.4. 33 б)
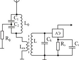
Более совершенный заградительный фильтр представлен на рисунке 4.34.

Рис.4. 34
Параметры элементов схемы выбираются из следующих соотношений:
- для емкостей и индуктивности заградительного контура
; (4.77)
- для сопротивления
, (4.78)
где
- затухание контура фильтра, L - индуктивность заградительного фильтра.
Приведенная схема отличается высоким подавлением сигналов на промежуточной частоте и используется в высококачественных приемных устройствах.
Дата добавления: 2015-08-11; просмотров: 933;
