АЦП параллельного типа
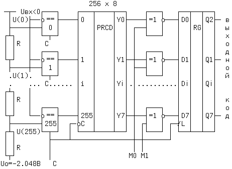
В таком АЦП весь диапазон входного напряжения разбивается на 2^n интервалов. Каждому интервалу соответствует опорное напряжение Uо(i), снимаемое с делителя напряжения, и свой аналоговый компаратор, сравнивающий Uвх с Uо(i).

Для любого входного напряжения в диапазоне (0 .. ¦Uo¦)В найдется такой i-ый компаратор, входное напряжение на котором будет больше или равно опорному U(i). В этом случае на выходе этого компаратора напряжений и на выходах всех компараторов с номерами меньшими i появится "1", а на выходах остальных "0". Приоритетный шифратор сформирует двоичный код, равный наивысшему номеру входа на котором еще присутствует единица. Полученный код через управляемые инверторы/повторители, выполненные на элементах равнозначности, защелкивается в выходном регистре.Учитывая логику работы шифратора, заключающуюся в том, что если на его входах с 1-го по (n-1)-ый одни нули, то единица обязательно должна быть на нулевом входе, можно сэкономить на нулевом компараторе. В этом случае нулевой вход шифратора постоянно подключен к "1", и если входное напряжение находится в пределах 0 <= ¦Uвх¦ < ¦U(1)¦, то нулевой код на выходе генерируется автоматически. Элементы ИСКЛЮЧАЮЩЕЕ-ИЛИ-НЕ при значении Mi = 0 инвертируют выходной сигнал шифратора, а при Mi = 1 повторяют его. Зависимость выходного кода от режима дана ниже:
| M1 | M0 | Выходнойкод |
| 1 | 1 | прямой |
| 0 | 0 | обратный |
| 0 | 1 | дополнительный прямой |
| 1 | 0 | Дополнительный обратный. |
Быстродействие достигается, как за счет параллельного принципа работы, так и за счет конвейерного передвижения информации внутри АЦП (см.рисунок).

В момент t0 положительным фронтом сигнала C происходит защелкивание кода от предыдущего цикла преобразования. В момент t1 компараторы открываются и начинается сравнение входного напряжения с опорным в текущем цикле. Когда тактовый сигнал C станет равным нулю (момент t2), шифратор отпирается по входу C и начинает преобразование текущего значения Uвх в код. Следующий цикл преобразования начинается в момент t3, когда производится запоминание в регистре текущего кода и его появление на выходах в момент t4, одновременно с началом сравнения на входах компараторов следующего значения напряжения. Время преобразования Tпр = Tclk, т.е. примерно на порядок меньше, чем у АЦП последовательных приближений. По такой схеме выполняются преобразователи типа 1107ПВ1,..5.
Дата добавления: 2015-08-08; просмотров: 1439;
