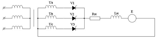
Трехфазный управляемый выпрямитель

Рис.18.8. Схема трехфазного управляемого выпрямителя

Рис.18.9. Временные диаграммы работы трехфазного управляемого выпрямителя
1. Равномерная нагрузка фаз.
2. Уменьшенная пульсация напряжений.
1.
;
2.Для режима непрерывного тока:
.

Рис.18.10. Режимы работы выпрямителя и инвертора
При наличии источника Э.Д.С. входного сигнала или при П.П. a резко возрастает Uср резко падает под действием Э.Д.С. самоиндукции.
LT =0 малая мощность RT =0 большая мощность
Рис. 18.15. Схема принципиальная Рис. 18.16. Схема принципиальная стабилизатора замещения транзистора приведенного ко второй обмотке.
18.4. Однополюсный выпрямитель
Рис. 18.17. Схема принципиальная Рис. 18.18. Временные характеристики
Однополюсного выпрямителя напряжений


Дата добавления: 2015-08-04; просмотров: 834;
