Схемотехника логических элементов
В последнее время в основном распространены три типа схемотехнических реализаций логических элементов.
1. Элементы ТТЛ – транзисторно–транзисторная логика и ее разновидность ТТЛ- Ш, на основе транзисторов Шотки.
Основные серии: ТЛК 155, К 133, К 134, К 1555, К 1531 - ТТЛШ
2. КМОП - логика на комплиментарных МОП – транзисторах: К 176, К 561
3. Элементы ЭСЛ – эмиттерно-связанная логика: К 500, К 1500.
Характеристика серий:
а.) ЭСЛ, время переключения состояний 0,1 нс. В то же время этот тип является наиболее энергоемким. Потребляющая мощность до 50 Ом.
б.) Наименее быстродействующим является КМОП – логика, и в то же время она является наименее энергоемкой. Время переключения составляет от 40- 50 нс. Потребляемая мощность 0,1;0,01 млВт.
в.) ТТЛ – микросхемы являются средним, как по потребляемой мощности 20 млВт, так и по времени переключения 10 - 20 нс. У ТТЛ – Ш микросхем при меньшем потреблении достигнуто большее быстродействие, составляющее единицы нс.
10.5.1 Элементы НЕ в ТТЛ – микросхемах

- транзистор откроется

а.)

б.)

в.)
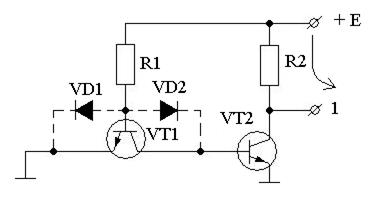
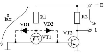
Рис.10.20. Элементы НЕ в ТТЛ - микросхемах
10.5.2. Реальная ячейка схемы ТТЛ
Рис. 10.21. Схема принципиальная ТТЛ
- элемент И-НЕ
Элемент имеет двухтактный выходной каскад на транзисторах Т3 и Т4 . Диод D3 –Диод сдвига уровня напряжения. Транзистор Т2 с сопротивлениями R2 и R3 играет роль фазорасщепителя. Транзистор Т1 - многоэмитторный входной транзистор. D1 и D2 – защитные диоды.
Дата добавления: 2015-08-04; просмотров: 806;
