Кожух зубчатой передачи
Кожух зубчатой передачи предназначен для защиты зубчатой передачи от внешней среды и является масляной ванной для ее смазывания.
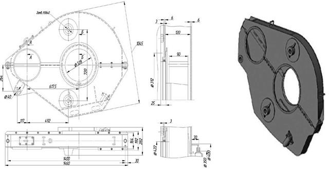
Кожух редуктора, смотри рисунок 2.9, состоит из двух половин и сварен из листовой стали с толщиной листов 5 мм., прикреплен к остову тягового двигателя тремя болтами М36. По горловинам кожуха со стороны тягового двигателя установлены уплотнения из трубчатой резины, а со стороны колеса – специальное уплотнение из полиуретанового материала. По стыку двух половин кожуха со стороны малой горловины установлено специальное уплотнение, а с внутренней стороны горловины – приварено кольцо для сбора масла. На ступице зубчатого колеса и крышке подшипника предусмотрены выступы, выполняющие функции маслоотбойников. Для улучшения условий смазки передачи нижняя поверхность кожуха выполнена с дополнительным резервуаром. На боковине нижней половины кожуха находится карман с заправочной горловиной, закрываемой откидной крышкой. К крышке люка приварена трубка-сапун, служащая для выравнивания давления внутри кожуха с атмосферным давлением. Половины кожуха по концам стянуты двумя болтами М24, восемью болтами М12 по боковине со сторону колеса и тремя болтами М12 со стороны тягового двигателя.
|
| Рисунок 2.9 - Кожух редуктора колесной пары. |
Дата добавления: 2015-08-04; просмотров: 2426;
