Рама тележки
|
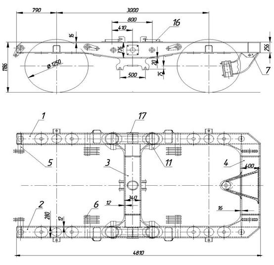
| Рисунок 2.3 - Рама тележки |
Рама тележки предназначена для передачи и распределения вертикальной нагрузки между отдельными колесными парами восприятия и передачи на раму кузова тягового усилия, тормозной силы, а также боковых, горизонтальных и вертикальных сил от колесных пар при проходе ими неровностей пути. Она служит для монтажа всех основных узлов, составляющих тележку, и предназначена для распределения статических и инерционных нагрузок от веса кузова, тяговых двигателей, тормозного оборудования на рессорное подвешивание.
Рама тележки, рис. 2.3, представляет собой цельносварную конструкцию коробчатого сечения с незамкнутой концевой частью. В комплект рамы входят две боковины 1 и 2, средняя 3 и концевая 4 балки и кронштейны 5, 6, 7 для установки элементов тормозной системы.
Верхний и боковые листы боковины рамы тележки выполнены плоскими, а нижний в центральной части имеет прогиб радиусом 350 мм. Для стыковки с концевой балкой нижний и верхний листы имеют закругление радиусом 400мм и выступ шириной 400мм. Для стыковки со средней балкой закругления радиусом 250 мм и выступ шириной 340мм.
Кроме того, на наружном продольном торце нижнего листа боковины также имеются два выступа с округлыми сторонами под установку кронштейнов тормозных цилиндров, а на его горизонтальных участках с каждой стороны устанавливаются по два круглых платика под чаши буксовых пружин. В боковых листах имеются по пять сквозных отверстий диаметром 98 мм, в которые при сборке рамы ввариваются трубы, расточенные под запрессовку в них кронштейнов для установки элементов тормозной системы. После сварки короба боковины, к ее нижней части привариваются щеки 9, имеющие клиновидные пазы для установки валиков амортизаторов двух буксовых поводков, которые впоследствии обрабатываются на раме в сборе. На верхний лист устанавливаются эллипсовидные накладки под стаканы кузовных пружин.
Средняя балка имеет также коробчатое сечение, в ее центральной части для придания конструкции необходимой жесткости вварена толстостенная труба с наружным диаметром 219 мм, по обе стороны которой с каждой стороны установлены по два кронштейна подвесок тяговых электродвигателей. Клиновидные пазы на кронштейнах унифицированы с клиновидными пазами для крепления буксовых поводков и также обрабатываются на тележке в сборе.
Концевая балка является наиболее ответственным и напряженным элементом рамы. Ее основной профиль аналогичен профилю средней балки, однако к ее передней части посередине приварен кронштейн 8 для установки наклонной тяги, образованный двумя плоскими закругленными боковыми листами и приваренными к ним сверху согнутым листом с радиусом гиба 170 мм, а к торцам толстостенной втулки с наружным диаметром 175 мм. Для изготовления рамы применены листы из стали 09Г2Д ГОСТ19281-89. При этом их толщина составляет: верхних листов боковин, средней и концевой балок –16 мм, всех нижних листов – 20 мм, боковых листов боковины и средней балки – 12 мм, боковых листов концевой балки – 16 мм, кронштейнов и платиков от 10 до 20 мм.
Дата добавления: 2015-08-04; просмотров: 2351;
