Подбор и расчет элементов корпуса аппарата
2.1.Выбор размеров корпуса аппарата
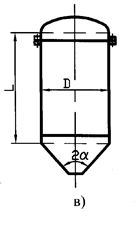
Корпус аппарата состоит из цилиндрической обечайки, днища и крышки. Для нагревания или охлаждения обрабатываемых в аппарате продуктов аппарат снабжён приварной рубашкой. Типы и основные размеры емкостных аппаратов стандартизованы. Основными параметрами для выбора размеров корпуса являются внутренний номинальный объём V и внутренний диаметр D. Конструктивные схемы корпусов показаны на рис.2.1, а их основные размеры приведены в табл.1 - 4приложения. На основании исходных данных на проектирование (внутренний объём V и внутренний диаметр аппарата D) из указанных таблиц определяется длина цилиндрической части корпуса l. Размеры эллиптических (рис 2.3 а) и конических (рис 2.3 б) днищ выбираются по табл. 5 - 6 приложения. Конструкция корпуса аппарата с неразъёмной сварной рубашкой приведена на рис. 2.13.
Корпусы аппаратов чаще всего работают в условиях статических нагрузок: под избыточным внутренним давлением, вакуумом или наружным избыточным давлением.
|
|
|
| ||||
|
|
|
2.2. Цилиндрические обечайки
Расчёт на прочность и устойчивость производится по ГОСТ 14249- 89.
Расчёт обечаек, нагруженных избыточным внутренним давлением. Толщину стенок определяют по формулам
(2.1)
где рR - давление в аппарате, МПа; sR - расчетное значение толщины стенки, мм; D - внутренний диаметр обечайки, мм; [s] допускаемое напряжение, MПа (зависит от марки стали и рабочей температуры). Марку стали выбирают в зависимости от свойств перерабатываемой среды по табл. 7, допускаемое напряжение
[s] - по табл. 8.
Допускаемое внутреннее избыточное давление
(2.2)
Для стыковых и тавровых двухсторонних швов, выполняемых автоматической сваркой, коэффициент прочности сварочного шва j=1;. для тех же швов, выполняемых вручную, j=0.9 .Прибавка на коррозию c определяется по формуле: c = V • Т, где V - скорость коррозии (обычно принимают 0.1 - 0.2 мм/г), Т - срок службы аппарата (обычно принимают 10-12 лет). Для материалов, стойких к перерабатываемой среде и при отсутствии данных о скорости коррозии рекомендуют принимать c=2 мм. Толщину стенки, вычисленную по формуле (2.1), округляют в большую сторону до ближайшей стандартной толщины листа (2,4,5,6,8,10,12,14,16,18, 20,22,24,26,28,30 мм, ГОСТ 10885-75).
Расчет цилиндрических обечаек, нагруженных наружным давлением. Под наружным давлением находятся вакуумные аппараты и аппараты с рубашками. Тонкостенные обечайки под действием наружного давления могут потерять первоначальную форму (устойчивость) с образованием нескольких волн смятия (рис.2.2). Давление, при котором оболочка начнет деформироваться, называется критическим.
Толщину стенки обечайки, нагруженной наружным давлением, приближенно определяют по формуле
|
|
где
- давление в рубашке. Полученное значение толщины стенки следует проверить на допускаемое наружное давление по формуле (ГОСТ 14249-80)

|
|
|
|
а допускаемое давление из условия устойчивости в пределах упругости рассчитывается по формуле
| |||||||
| |||||||
| |||||||
| |||||||
где Е - модуль упругости (табл.2.9); пи - коэффициент устойчивости (для рабочих условий пи =2.4); lR - расчётная длина обечайки.
Для эллиптического днища lR = l – 2hц + НD/3; для конического днища lR = l – 2hц + т ах{Rвsina ; D/3tga}, где a - половина угла при вершине (рис.2.3), l - длина цилиндрической части корпуса.
Если в результате расчета окажется, что давление в рубашке больше допускаемого, определенного по формуле (2.4), т.е.
, необходимо увеличить толщину стенки обечайки.
2.3. Днища и крышки аппаратов приварные
Толщину стенки эллиптического отбортованного днища (рис.2.3а) определяют по формулам:
а) днища, нагруженного внутренним давлением
(2.7)
б) днища, нагруженного наружным давлением
(2.8)
При действии наружного давления полученное значение толщины стенки s необходимо проверить по формуле (2.4). В этом случае допускаемое давление из условия прочности в пределах упругости:
, (2.9)
а допускаемое давление из условия устойчивости в пределах упругости определяется по формуле
(2.10)
Толщину стенки конического отбортованного днища (рис.2.3 б) с углом при вершине 2a < 1400 , нагруженного внутренним давлением, рассчитывают следующим образом. Определяют толщину стенки цилиндрической части днища:
, (2.11)
где у - коэффициентформы днища, который выбирают по
табл. 10. в зависимости от угла a и отношения Rв /D (отношениявнутреннего радиуса отбортовки Rв к диаметру днища D). При D = 800 ¸1500 мм, Rв =160 мм; при D = 1600 ¸ 3000 мм, Rв = 200 мм.
Определяют толщину стенки конической части днища:
(2.12)
где
.
| |
|
|
| | ||||
|
| |||||||
|
| ||||||
|
Исполнительнуютолщину стенки принимают следующей
. (2.13)
Если коническое днище нагружено наружным давлением, то толщину стенки, полученную по формуле (2.13), проверяют на допускаемое наружное давление по формуле (2.4). При этом допускаемое наружное давление в пределах пластичности рассчитывают по формуле
, (2.14)
а допускаемое наружное давление из условия устойчивости - по формуле
, (2.15)го
где lE=D/2sina; DE=D/2cosa .
2.4. Расчет элементов рубашки
Толщину стенки цилиндрической части рубашки определяют по формуле (2.1), эллиптического днища - по формуле (2.7), толщину стенки конического днища - по формулам (2.11) и (2.12). В качестве расчётного давления Рr принимают давление в рубашке. Для корпусов с внутренним диаметром D £1800 мм диаметр рубашки принимают больше внутреннего диаметра аппарата D на 100мм. Для корпусов с диаметром D >1800 мм диаметр рубашки принимают на 200 мм больше диаметра аппарата. Расположение рубашки на корпусе аппарата показано на рис 2.13.
2.5. Крышки отъёмные
Отъёмные крышки присоединяются к корпусу аппарата с помощью фланцев.
При определении толщины стенки эллиптической крышки используют формулу (2.7).
При расчете плоской крышки определяют толщину в средней части крышки s1 и в месте уплотнения s2 (рис 2.4).
| |||
|
Толщинy плоской крышки в средней части рассчитывают
по формуле
, (2.16)
где K=0,5. Расчетный диаметр DR равен среднему диаметру прокладки Dсп,
Толщина крышки в месте установки прокладки s2 = 0.8 • s1 . Наружный диаметр крышки Dкр равен диаметру фланца DФ .
2.6. Фланцевые соединения
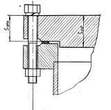
Фланцевые соединения применяют для разъёмного соединения составных частей корпуса, крышки с корпусом и т.д. На фланцах присоединяют к аппаратам трубы, арматуру. Соединение состоит из двух фланцев, прокладки, которую размещают между уплотнительными поверхностями фланцев (рис. 2.5 а), болтов (шпилек), гаек и шайб. В целях исключения самоотвинчивания гаек под действием приложенных нагрузок применяют пружинные шайбы или контргайки. Фланцевые соединения стандартизованы. По форме уплотнительной поверхности различают следующие типы фланцев: выступ-впадина, шип-паз (исполнение 1) и с гладкой поверхностью (исполнение 2).
|
|
| |||
| |||
|
|
|
| |||||
| |||||
|
Фланцы плоские приварные с гладкой уплотнительной поверхностью (рис. 2.5) применяют при р < 2.5 МПа и t £3000С. Размеры таких фланцев для аппаратов выбирают по внутреннему диаметру аппаратa и условному давлению по табл.11. Для герметизации фланцевого соединения применяют прокладки различной конструкции [1].
Плоские неметаллические прокладки (рис 2.5 г) используют для уплотнения гладких поверхностей фланцев. Прокладки из резины применяют в диапазоне температур от -30°С до 100°С и давлении до 0 6 МПа. Паронит выдерживает температуру до 4000С и давление до 2.5 МПа. Асбестовый картон применяют для прокладок при давлении до 1.6 МПа и температуре до 550°С. Фторопласт используют в диапазоне температур от -200СС до +250°С независимо от давления. Размеры прокладок выбирают по внутреннему диаметру аппарата D и условному давлению ру по табл.12 .
Фланцы и прокладки, подобранные по стандартам, в расчёте не нуждаются.
При конструировании аппаратов выполняют проверочный расчёт болтов в соответствии с ОСТ 26-373-82 по следующей методике.
1.Определяют нагрузку, действующую на фланцевое соединение от внутреннего давления РR :
(2.17)(2.17)
где
средний диаметр прокладки; Dсп = 0,5(Dп + dп), (см. рис 2.5 г и табл.12).
2 . Рассчитывают реакцию прокладки
(2.18)
где: вп - ширина прокладки; вп = 0,5(Dп –dп); m=1 - для прокладок из резины; m =2.5 - для прокладок из других материалов;
в0 – эффективная ширина прокладки:
| при вп ≤15мм, | во = 0,5вп |
| при во >15мм, | ;
|
3.Определяют болтовую нагрузку при сборке РБ1.
Принимают наибольшее значение из трёх расчетных:
РБ1=p×Dсп×в0×q, (2.19)
где q=20 МПа - для прокладок из паронита, резины и картона асбестового, q=10 МПа - для прокладок из фторопласта.
(2.20)
(2.21)
4.Проверяют прочность болтов при монтаже по условию
(2.22)
5.Проверяют прочность болтов в период эксплуатации
(2.23)
где
и
- допускаемые напряжения для материала болта при 20°С и при рабочей температуре (табл.13); nБ – количество болтов (табл.11, nБ = z); fБ – площадь поперечного сечения стержня болта. Болтовая нагрузка в рабочих условиях:
(2.24)
Если условия (2.22) или (2.23) не выполняются, то увеличивают число болтов, но так, чтобы оно оставалось кратным четырём. Болты, винты, гайки и шайбы являются стандартными изделиями, их размеры приведены в табл. 14 - 20.
2.7. Устройства для присоединения трубопроводов
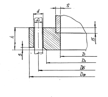
Присоединение технологических трубопроводов для подвода и отвода различных жидкостей и газов, а также контрольно-измерительных приборов и предохранительных устройств к аппарату производят с помощью штуцеров. Стальные фланцевые штуцера стандартизованы и представляют собой патрубки, выполненные из труб с приваренными к ним фланцами. Штуцера с плоскими приваренными фланцами имеют гладкую уплотнительную поверхность (рис.2.6), их применяют при Р£1,6МПа и t£300°С. Назначение штуцеров для аппаратов рассмотрено в табл. 21. Расположение штуцеров на эллиптических и плоских крышках приведено на рис 2.7, 2.8, расположение штуцеров на днищах - на рис. 2.9. Для входа и выхода теплоносителя на рубашке устанавливают два штуцера (K и K1). Их расположение показано на рис.2.13. Диаметры условного прохода штуцеров в зависимости от типа крышки и диаметра корпуса указаны в табл. 22.
|
|
|
|
|
|
|
|
|
|
|
|
2.8. Опоры аппаратов.
Химические аппараты устанавливают на фундаменты или специальные несущие конструкции с помощью опор. Стандарт предусматривает три типа опор: тип 1 (лапы) - для аппаратов с рубашками и без теплоизоляции; тип 2 (лапы) - для аппаратов с теплоизоляцией; тип 3 (стойки) - для аппаратов с эллиптическими и коническими днищами. Стойки (рис.2.10) служат для установки аппаратов на фундамент. Расположение стоек на днищах показано на рис.2.11. Лапы (рис.2.12) применяют для крепления аппаратов на несущих конструкциях или между перекрытиями.
|
|
|
Лапы размешают на корпусе или рубашке на расстоянии L=(0.35 ¸ 0.4)D от уплотнительной поверхности фланцев (рис. 2.13).
Стандартные опоры выбирают по требуемой нагрузке с учетом условия Qтабл ³ Qрасч , их не проверяют расчетом.
Расчетную нагрузку на одну опору Qрасч определяют следующим образом.
1. Задаются количеством опор, z. Лап должно быть не менее двух (z=2;3;4), стоек - не менее трёх (z=3;4).
2. Определяют вес металла, из которого изготовлен аппарат:
(2.25)
где F - внутренняя поверхность корпуса, м2, (см. табл. (1-4)); S - исполнительная толщина стенок, м; g - удельный вес металла, g= 78,5
. Коэффициент 1,1 учитывает: вес фланцев, штуцеров и т.д.
3. Определяют вес металлоконструкций, установленных на крышке аппарата (привод, стойка и т.д.):
G2= 0,5 G1 . (2.26)
4. Рассчитывают вес воды, заполняющей аппарат при
гидравлических испытаниях:
G3 = V×g , (2.27)
где V – внутренний объем аппарата (см. исходные данные); - удельный вес воды,. g = 10
.

Рис.2.13. Расположение лап и штуцеров
K, K1 для теплоносителя на корпусе
с неразъемной сварной рубашкой
| D | 1000-1800 | 2000-2400 | 2600-3000 | |
| h | 140 | 200 | 250 | |
| h1 | 300 | 300 | 400 |
5. Определяют максимальную нагрузку на одну опору:
(2.28)
где z - число опор; l = 1 (при z =2 и 3); l = 2 - при числе опор z = 4.
По табл. 24 или 26 выбирают опоры по условию Qтабл ³ Qрасч.
Дата добавления: 2015-08-01; просмотров: 3773;

;