ИССЛЕДОВАНИЕ ЭФФЕКТИВНОСТЬ ЗАЩИТНОГО
ЗАЗЕМЛЕНИЯ И ЗАНУЛЕНИЯ
Цель: Познакомиться с факторами, влияющими на опасность поражения человека электрическим током; исследовать эффективность защитного заземления и зануления.
Приборы и оборудование: лабораторный стенд ОТ 10.
Общие положения
Электрические установки, с которыми приходится иметь дело практически всем работающим на производстве, представляют потенциальную опасность. Опасность эксплуатации электроустановок состоит в том, что токоведущие проводники (или корпуса машин, оказавшиеся под напряжением в результате повреждения изоляции) не подают сигналов опасности, на которые реагирует человек. Реакция человека на электрический ток возникает лишь после его прохождения через ткани.
Статистика электротравматизма показывает, что до 85 % смертельных поражений людей электрическим током приходится в результате прикосновения пострадавшего непосредственно к токоведущим частям, находящимся под напряжением. При этом в сетях с номинальным напряжением до 1000 В величина тока, протекающего через человека, а следовательно, и опасность поражения зависит от условий включения человека в электрическую цепь и характеристики сети (режима нейтрали).
В зависимости от режима нейтрали и наличия нулевого провода различают следующие трехфазные сети (рис. 10.1): а) трехпроводные с изолированной нейтралью; б) трехпроводные с заземленной нейтралью; в) четырехпроводные с изолированной нейтралью; г) четырехпроводные с заземленной нейтралью.

а б в г
Рис.10.1. Конструктивное исполнение трехфазной электрической сети
Правилами устройства электроустановок (ПУЭ) предусмотрено применение при напряжениях до 1000 В лишь двух сетей: трехпроводной с изолированной нейтралью и четырехпроводной с заземленной нейтралью. Две другие электрические сети практически применяются очень редко.
При двухфазном включении (рис. 10.2), независимо от вида сетей, человек попадает под полное линейное напряжение сети и величина тока, проходящего через тело человека, определяется по формуле
Jчел= Uл / Rчел , (10.1)
где Uл – линейное напряжение сети, В; Rчел – условное сопротивление тела человека, 1000 Ом.

Рис.10.2. Схема двухфазного включения человека в электрическую сеть
При однофазном включении в сеть с изолированной нейтралью (рис.10.3а) величина тока, проходящего через человека, определяется по формуле
, (10.2)
где Rиз – сопротивление изоляции фаз, Ом; Uл – линейное напряжение, В.
Условия безопасности в этом случае находятся в прямой зависимости от сопротивления изоляции фаз относительно земли: чем лучше изоляция, тем меньше ток, протекающий через человека. Однако в аварийном режиме, когда одна из фаз замыкает на землю или корпус оборудования (рис.10.3б) или сопротивление изоляции мало, человек может оказаться под полным линейным напряжением.

а) б)
Рис. 10.3. Схема однофазного включения в сеть с изолированной
нейтралью:
а) при хорошей изоляции; б) при аварийном режиме
В этом случае через человека пройдет ток, определяемый по формуле 10.1.
При однофазном включении в сетях с заземленной нейтралью (рис. 10.4) человек попадает под фазное напряжение независимо от величины сопротивления изоляции фаз.
Величина тока, проходящего через человека, в этом случае определяется по формуле
Jчел= Uф / Rчел+Rоб+Rп+Rо, (10.3)
где Uф – фазное напряжение, В; Rоб – сопротивление обуви, Ом; Rп – сопротивление пола, Ом; Rо – сопротивление заземления нейтрали, Ом.

Рис.10.4. Схема однофазного включения в сетях с заземленной
нейтралью
Таким образом, при прочих равных условиях однофазное включение человека в сеть с изолированной нейтралью менее опасно, чем в сеть с заземленной нейтралью. В случае аварии, когда одна из фаз замкнута на землю или сопротивление изоляции проводов мало, сеть с изолированной нейтралью может оказаться более опасной, так как в этом случае напряжение между фазой и землей в сети с изолированной нейтралью может возрасти с фазного до линейного.
Для предотвращения поражений человека электрическим током при прикосновении к нетоковедущим частям, оказавшимся в результате аварии под напряжением, применяют различные меры защиты: защитное заземление, зануление, защитное отключение и выравнивание потенциалов.
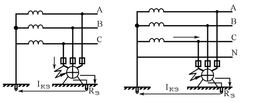
В сетях с напряжением до 1000 В с изолированной нейтралью применяется защитное заземление (рис. 10.5).

Рис. 10.5. Схема защитного заземления оборудования
Ток замыкания на землю в таких сетях на превышает 10 А.
В соответствии с ПУЭ сопротивление заземления не должно превышать 4 Ом. Напряжение, под которое может попасть человек в результате замыкания на корпус, определяется по формуле
U= Jзам×Rз, (10.4)
где Jзам – ток замыкания на землю, А; Rз –сопротивление заземляющего устройства, Ом.
В сетях с глухозаземленной нейтралью (рис. 10.6) заземление как средство защиты не применяется.

Рис.10.6. Схема заземления оборудования в сети
с глухозаземленной нейтралью
В этих сетях напряжение замкнувшей фазы распределяется между сопротивлениями заземления нейтрали и заземления оборудования. Отсюда напряжение на заземленном оборудовании относительно земли зависит только от соотношения этих сопротивлений:
, (10.5)
где Rз – сопротивление заземления оборудования, Ом; Rо – сопротивление заземления нейтрали, Ом.
Если Rз = Rо, то U = 0,5 Uф, В.
Следовательно, защитное заземление оборудования в сети с глухозаземленной нейтралью безопасность не обеспечивает. Поэтому на практике такие сети не применяются.
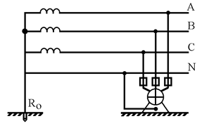
Для защиты от поражения электрическим током в сетях с глухозаземленной нейтралью применяется зануление (рис.10.7).
Занулением называется преднамеренное соединение металлических частей, корпусов оборудования, аппаратов, приборов, нормально не находящихся под напряжением, с нулевым проводом.

Рис. 10.7. Схема зануления оборудования
Основная задача зануления состоит в том, чтобы превратить замыкание фазы на корпус в однофазное короткое замыкание и вызвать тем самым отключение поврежденного оборудования от сети. В течение всего времени, пока не сгорел предохранитель или не сработал автомат защиты, замыкание на один зануленный корпус (рис.10.8) вызывает на всем зануленном оборудовании напряжение (относительно земли), опасное для человека, которое определяется по формуле
, (10.6)
где Jк.з×– ток короткого замыкания, А; Rф – сопротивление фазного провода, Ом; Rн – сопротивление нулевого провода, Ом;
При отношении
0,5, согласно ПУЭ, Uк =
= 146 В.

Рис. 10.8. Схема замыкания фазы на корпус зануленного оборудования
Безопасность может быть достигнута лишь при весьма кратковременном действии тока, т.е. при быстром срабатывании защиты.
Допустимые значения тока, протекающего через тело человека, и напряжения, приложенного к телу человека, в зависимости от времени действия даны в табл. 10.1.
Таблица 10.1
Зависимость допустимых значений напряжения электрического тока, приложенного к телу человека, от времени его воздействия
| Время воздействия, с | 0,05 | 0,1 | 0,2 | 0,5 | 1,0 | 2,0 | 3,0 |
| Допустимые напряжения, В |
Дата добавления: 2015-08-01; просмотров: 1214;
