Агрегаты шасси, трансмиссии и рулевого управления
Трансмиссия автомобилей традиционно содержит сцепление 1 (см. рис. 5.4,а), коробку передач 2, карданный вал 3, главную передачу 4, дифференциал 5 и полуоси 6. На автомобилях с двумя и более ведущими мостами (см. рис. 5.4,б,в) устанавливается, кроме того, раздаточная коробка 7, увеличивается количество карданных передач, а каждый ведущий мост имеет свою главную передачу и дифференциал.
| |
Р и с. 5.4. Схемы трансмиссий автомобилей:
а - с одним ведущим мостом (МАЗ - 500А, МАЗ - 5335); б - с двумя ведущими мостами
(КрАЗ - 257); в - с тремя ведущими мостами ("Урал-375Д)
СЦЕПЛЕНИЕ, как правило, имеет фрикционный принцип действия, когда ведомый и ведущий диски передают крутящий момент за счет сил сухого трения.
Износостойкость материала дисков сцепления определяет ресурс работоспособности этого механизма. Один из видов отказов сцепления - попадание смазки на поверхность дисков.
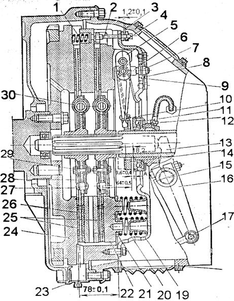
Пример конструкции механизма сцепления приведен на рис. 5.5.

Р и с. 5.5. Сцепление автомобилей МАЗ-500А, МАЗ-5335:
1 - отжимная пружина; 2 - шток; 3 - кольцо; 4 - планка; 5 - оттяжной рычаг; 6 - вилка оттяжного рычага; 7 - регулировочная гайка; 8 - опорная пластина; 9 - стопорная пластина; 10 - пружина оттяжного рычага; 11 - муфта выключения с подшипником; 12 - шланг для подвода смазкик муфте; 13 - вилка; 14 - упорное кольцо оттяжных рычагов; 15 - вал вилки выключения;
16 - рычаг; 17 - палец; 18 - крышка люка картера сцепления; 19 - кожух сцепления;
20 - нажимная пружина; 21 - теплоизоляционная прокладка пружины; 22 - нажимной диск;
23 - крышка люка картера маховика; 24 - маховик; 25 - ведомые диски;
26 - средний ведущий диск; 27 - упорный штифт; 28 - диск гасителя крутильных
колебаний; 29 - фрикционныепальцы; 30 - пружина гасителя
Механизм сцепления может иметь рычажное (механическое) устройство или устройство с пневматическим усилителем включения сцепления, который сам является сложным узлом трения.
Коробка передач преобразует крутящий момент по величине и направлению. Как правило, применяют ступенчатые 4 или 5 скоростные коробки передач.
Основными парами трения здесь являются зубчатые пары, подшипники качения и механизм синхронизации скорости переключаемых пар зацепления.
Одна из конструкций синхронизатора грузовых автомобилей приведена на рис. 5.6.
| ||
|
| |
Р и с. 5.6. Синхронизатор:
а – общий вид устройства; б - схема работы
1 - вторичный вал коробки передач; 2 - шестерня пятой передачи; 3, 8 - конусные кольца синхронизатора; 4 - конусное кольцо шестерни пятой передачи; 5 - муфта включения четвертой и пятой передач; 6 - каретка синхронизатора; 7 - корпус; 9 - первичный вал коробки передач; 10, 13 - зубчатые муфты синхронизатора включения четвертой и пятой передач; 11, 14 - зубчатые муфты; 12 - шарики фиксатора
В этой конструкции перед включением передачи вилка рычага переключения перемещает муфту 5 и бронзовые конусные кольца 3 и 8 до соприкосновения с коническим выступом переключаемой шестерни. За счет сил трения она начинает вращаться, а при выравнивании скоростей происходит переключение муфты. В этом механизме важны и фрикционные свойства конической пары и их износостойкость.
Карданная передача представляет собой механизм, состоящий из одного или нескольких карданных валов и шарниров (рис. 5.7.). Карданные шарниры (шарниры Гука) и карданные (игольчатые) подшипники унифицированы. В тяжелых машинах кардан может иметь раздаточную коробку и промежуточные опоры, как это показано на рис. 5.7. Шарниры и подшипники карданов являются наиболее уязвимыми элементами системы, требуют качественной смазки, тщательного обслуживания и регулировки.
В случае заднеприводной конструкции наиболее нагруженным механизмом ходовой части является задний мост (рис. 5.8). Ведущий мост выполняет функцию увеличения крутящего момента двигателя и передачи его на полуоси под углом 900 к продольной оси автомобиля.
Главная передача, дифференциал и полуоси располагаются в общем картере.
|
| Р и с. 5.7. Карданные передачи автомобилей: |
| а - двухосного с приводом на заднюю ось; б - двухосного с приводом на обе оси; в - трехосного с приводом на все оси 1 - карданный шарнир; 2, 4 - карданные валы; 3 - промежуточная опора |
Главная передача бывает одинарной (пара конических шестерен) и двойной, когда добавляется еще пара цилиндрических шестерен для увеличения передаточного числа механизма. Такую схему имеет мост, приведенный на рис. 5.8, где цилиндрическая шестерня имеет позицию 4. Дифференциал предназначен для возможности вращения колес с разными скоростями.
|
| Р и с. 5.8. Задний ведущий мост и главная передача автомобиля КрАЗ-257: |
| 1 - вал ведущей конической шестерни; 2 - ведущая коническая шестерня; 3 - ведомая коническая шестерня; 4 - вал ведомой конической шестерни; 5 - ведущая цилиндрическая шестерня; 6 - сапуны; 7 - заливная горловина; 8 - ведомая цилиндрическая шестерня; 9 - крестовина; 10 - сателлит; 11 - чашка коробки дифференциала; 12 - пробка; 13 - полуосевая шестерня; 14 - шариковый подшипник; 15 - фланец; 16, 18 - конические роликовые подшипники; 17 - ступица колеса; 19 - полуось; 20, 21 - роликовые конические подшипники |
Смазка механизмов моста обычно производится методом разбрызгивания масла, залитого в картер, ведомой конической шестерней.
Ведущие мосты требуют тщательной регулировки качества зубчатых зацеплений, при плохой регулировке возникает шум. Уплотнения должны обеспечить герметичность картера. От качества смазки зависит работоспособность роликовых подшипников ступицы.
Не менее сложной и ответственной является совокупность механизмов, составляющих систему рулевого управления автомобилем. Почти все элементы системы представляют собой узлы трения. Это опоры рулевого колеса и вала, пары рулевого механизма поворота колес, гидравлический усилитель. Рулевой механизм обычно устроен по типу винт-гайка или винт-рейка. Для легкости поворота здесь используют шариковые винтовые пары.
Износы и разрегулирования приводят к люфтам или свободному ходу рулевого колеса.
Тормозной механизм содержит пару трения "тормозной барабан - колодка" и разжимное устройство. Колодки при работе нормально разжаты.
К фрикционным накладкам тормозов предъявляются высокие требования по характеристикам трения, по температурной стойкости и сопротивлению изнашиванию. Здесь недопустимы схватывания и задиры.
Обычно в конструкции предусмотрено два механизма торможения - с приводом от педали и ручным. В тяжелых автомобилях предусмотрена пневмосистема, обеспечивающая легкость управления тормозом и реализацию необходимых усилий на тормозной паре.
Дата добавления: 2015-07-06; просмотров: 3424;
