Выбор мощности трансформаторов подстанций
Структурной называют схему трансформаторных соединений между распределительными устройствами (РУ) основных напряжений.
Понижающие подстанции предназначены для распределения энергии по сети низшего напряжения (НН) и создания пунктов соединения сети высшего (ВН) и среднего напряжения (СН).
Типовые структурные схемы подстанций с тремя или двумя напряжениями приведены на рис. 2.7. На подстанции с двухобмоточными трансформаторами (рис. 2.7, а) электроэнергия от системы поступает в РУ ВН, затем трансформируется и распределяется между потребителями, присоединенными к РУ НН. При наличии потребителей электроэнергии, получающих питание от РУ двух напряжений НН (6 или 10 кВ) и среднего напряжения (СН) (35кВ), применяют схемы с трехобмоточными трансформаторами (рис. 2.7, в).

Рис. 2.7. Структурные схемы подстанций
Применять понижающие трехобмоточные автотрансформаторы экономически всегда выгоднее, чем трехобмоточные трансформаторы, но их применение возможно только в тех случаях, когда сети ВН и СН работают с заземленными нейтралями, например сети 220 и 110 кВ (рис. 2.7, б).
Выбор структурной схемы подстанции производится с учетом типа подстанции, количества трансформаторов или автотрансформаторов, а также количества РУ различных классов напряжений.
Число трансформаторов, устанавливаемых на подстанциях всех категорий, принимается, как правило, не более двух. Установка более двух трансформаторов может быть допущена на основе технико-экономических расчетов, а также в тех случаях, когда на подстанции требуются два средних напряжения. Количество трансформаторов на подстанциях 1÷6 в выполняемом проекте указанно в задании.
Мощность трансформаторов выбирается так, чтобы при отключении наиболее мощного из них на время ремонта или замены оставшиеся в работе обеспечивали питание нагрузки с учетом их допустимой по техническим условиям на трансформаторы аварийной перегрузки и резерва по сетям СН и НН.
Аварийные перегрузки – это такие перегрузки, которые можно допустить для трансформатора в редких аварийных случаях без его повреждения. При аварийных перегрузках идут на повышенный против нормального износ изоляции. Так как эти случаи в эксплуатации достаточно редки, а время аварийного режима ограничено, то значительного снижения срока службы по сравнению с нормативным не происходит.
При отсутствии графиков нагрузки потребителей проектируемого сетевого района выбор мощности трансформаторов на подстанциях рекомендуется производить из условия равенства их номинальных мощностей и выполнения неравенства:
, (2.12)
где
- значение наибольшей мощности, протекающей через наиболее загруженную обмотку трансформатора подстанции; 1,4 – условно принимаемый коэффициент допустимой аварийной перегрузки.
При использовании вышеприведенной формулы следует помнить, что силовые трансформаторы в нормальном режиме должны быть загружены, по возможности, не менее чем на 70 %.
На однотрансформаторных подстанциях номинальная мощность трансформатора выбирается с учетом требований [11], которые рекомендуют принимать мощность силового трансформатора согласно формуле:
. (2.13)
При росте нагрузки сверх расчетного уровня увеличение мощности подстанции производится, как правило, путем замены трансформаторов на более мощные. Установка дополнительных трансформаторов должна иметь технико-экономическое обоснование.
В случаях, когда на подстанции требуется установить автотрансформаторы, необходимо производить проверку по перегрузке не только наиболее загруженной обмотки, но и обмотки НН, которая рассчитана на мощность меньше номинальной мощности автотрансформатора. Обычно ее мощность составляет
, (2.14)
где
- коэффициент выгодности обмотки НН автотрансформатора, принимаемый из ряда: 0,25; 0,4; 0,5.
Трансформаторы подстанций должны быть оборудованы устройством регулирования напряжения под нагрузкой (РПН). При отсутствии трансформаторов с устройством РПН допускается дополнительно устанавливать регулировочные трансформаторы.
При питании потребителей от обмоток НН автотрансформаторов для независимого регулирования напряжения на шинах всех РУ последовательно с обмоткой НН следует предусматривать установку линейных регулировочных трансформаторов (ЛР).
Пример 4.
Требуется выбрать тип и мощность трансформаторов на двухтрансформаторной подстанции 110/10 кВ. Максимальная мощность нагрузки составляет 21,5 МВ×А. Нагрузка между трансформаторами распределена равномерно, т.е. трансформаторы загружены одинаково.
Так как график нагрузки трансформаторной подстанции не известен, то для выбора номинальной мощности силовых трансформаторов подстанции воспользуемся условием (2.12).
,
тогда ближайшее стандартное значение номинальной мощности трансформаторов составит 16 МВ×А. При установке на рассматриваемой подстанции двух трансформаторов с номинальной мощностью 16 МВ×А каждый из них будет загружен на 67,2%.
.
Таким образом, для рассматриваемой подстанции в качестве силовых трансформаторов могут использоваться два трансформатора типа ТДН-16000/110.
Пример 5.
Требуется выбрать тип и мощность трансформаторов на двухтрансформаторной подстанции 110/35/10 кВ. Максимальная мощность нагрузки подстанции на напряжении 10 кВ составляет 4,6 МВ×А. Мощность, отдаваемая в сеть 35 кВ в режиме наибольшей нагрузки равна 9,3 МВ×А. Коэффициенты мощности нагрузок
и
равны 0,93. Нагрузка между трансформаторами распределена равномерно.
Очевидно, что мощность самой загруженной обмотки (обмотки ВН) равна сумме мощностей, отдаваемых с шин НН и СН подстанции.
При одинаковых коэффициентах мощности нагрузки эта мощность составит величину (МВ×А):

.
Так как график нагрузки трансформаторной подстанции не известен, то для выбора номинальной мощности силовых трансформаторов подстанции воспользуемся условием (2.12). Поэтому
,
тогда ближайшее стандартное значение номинальной мощности трансформаторов составит 10 МВ×А. При установке на рассматриваемой подстанции двух трехобмоточных трансформаторов с номинальной мощностью 10 МВ×А обмотка ВН каждого из них будет загружена на 69,5 %.

В соответствии с требованиями нормативных документов для возможности осуществления встречного регулирования напряжения трансформатор должен быть оснащен устройством РПН. Таким образом, для рассматриваемой подстанции в качестве силовых трансформаторов могут использоваться два трансформатора типа ТДТН-10000/110/35.
Пример 6.
Требуется выбрать тип и мощность автотрансформаторов на двухтрансформаторной подстанции 220/110/10 кВ. Максимальная мощность нагрузки подстанции на напряжении 10 кВ составляет 39,9 + j17,33 МВ×А. Мощность, отдаваемая в сеть 110 кВ в режиме наибольшей нагрузки, равна 37,1 + j14,97 МВ×А. Нагрузка между автотрансформаторами распределена равномерно.
Очевидно, что мощность самой загруженной обмотки (обмотки ВН) равна сумме мощностей, отдаваемых с шин НН и СН подстанции. Таким образом, эта мощность составит величину (МВ×А):

,
.
Так как график нагрузки трансформаторной подстанции не известен, то для выбора номинальной мощности силовых автотрансформаторов подстанции воспользуемся условием (2.12). Поэтому
,
тогда ближайшее стандартное значение номинальной мощности автотрансформаторов составит 63 МВ×А. При установке на рассматриваемой подстанции двух трехобмоточных автотрансформаторов с номинальной мощностью 63 МВ×А обмотка ВН каждого из них будет загружена на 66,3 %.
.
Тип предполагаемых к установке автотрансформаторов с учетом требований нормативных документов – АТДЦТН – 63000/220/110. Коэффициент выгодности
. Необходимо провести проверку на допустимость перегрузок обмотки НН. Согласно приведенной информации ее номинальная мощность составит (МВ×А):
.
Тогда в случае отключения одного из автотрансформаторов должно выполняться неравенство:
МВ×А,
что не противоречит условию, т.к. 31,5 > 30,71.
Кроме того, последовательно с обмоткой НН необходимо установить регулировочные трансформаторы для осуществления встречного регулирования напряжения на шинах 10 кВ подстанции. Выбор мощности таких аппаратов рекомендуется производить по мощности обмотки НН автотрансформатора, исходя из условия:
,
где
- номинальная мощность линейного регулировочного трансформатора, приведенная в табл. П.10.
В рассматриваемом случае целесообразно предусмотреть установку на подстанции линейного регулировочного трансформатора ЛТДН-40000/10 с номинальной мощностью 40 МВ×А и номинальным напряжением 10 кВ.
2.5. Схемы электрических соединений подстанции
Схема электрической сети определяется применяемыми номинальными напряжениями, числом ступеней трансформации, надежностью электроснабжения потребителей электрической энергии, схемами электрических соединений подстанции (ПС).
Главная схема электрических соединений подстанций выбирается с использованием типовых схем РУ-35-750 кВ, нашедших широкое применение при проектировании. Отступления от типовых схем допускаются при наличии технико-экономических обоснований. Схема распределительных устройств подстанций определяется номинальным напряжением, количеством присоединений (числом линий и трансформаторов, подключенных к РУ), способом присоединения подстанции к сети. По типу присоединения подстанции делятся на тупиковые, ответвительные, проходные и узловые (рис. 2.8).
Тупиковая или концевая подстанция присоединяется в конце магистральных или радиальных сетей (рис. 2.8, а и 2.8, б).
Ответвительные подстанции питаются от линий электропередачи через ответвления. Присоединение к линии при помощи ответвлений дешевле, так как в точке присоединения не устанавливается коммутационная аппаратура. Эксплуатация линии с ответвлениями менее удобна, поскольку при ремонте каждого из ее участков надо отключать всю линию. Ответвительные подстанции могут присоединяться к одной или двум магистральным линиям, либо к линиям с двухсторонним питанием (рис. 2.8, в; 2.8, г).

Рис. 2.8. Основные типы присоединения подстанций к сети
Проходная подстанция присоединяется к сети путем захода на нее одной линии с двусторонним питанием (рис. 2.8, д). Проходные подстанции применяются в простых замкнутых сетях.
Узловые подстанции присоединяются к сети не менее, чем по трем линиям (рис. 2.8, г).
На рис. 2.8 подстанции ЦП1 и ЦП2, питающие сеть рассматриваемого напряжения, являются центрами питания.
На рис. 2.9 приведены типовые схемы РУ 35-750 кВ, а в табл. 2.9 – перечень схем и области их применения. Типовые схемы РУ обозначаются двумя числами, указывающими напряжение сети и номер схемы (например, 110-5Н, 35-9 и т.п.) [7].
Блочные схемы 1, 3Н являются, как правило, первым этапом двух-трансформаторной ПС с конечной схемой «сдвоенный блок без перемычки».
Схема 1 применяется в условиях загрязненной атмосферы, где целесообразна установка минимума коммутационной аппаратуры, или для ПС 330 кВ, питаемых по двум коротким ВЛ. Сдвоенная схема ЗН применяется вместо схемы 4Н в условиях стесненной площадки.
Мостиковые схемы 5Н и 5АН находят широкое применение в сетях 110-220 кВ. На первом этапе в зависимости от схемы сети возможна схема укрупненного блока (два трансформатора и одна ВЛ) либо установка одного трансформатора. Вновь введенная в новой редакции типовых схем схема 6 является, по существу, одним из вариантов первого этапа строительства ПС.
Схемы многоугольников. Схема 7 применяется на напряжении 220 кВ при невозможности использования схем 5Н или 5АН, а на напряжении 330-750 кВ - для всех ПС, присоединенных к сети по двум ВЛ. На напряжении 110 кВ практически не используется. На первом этапе развития электрической сети при одном автотрансформаторе АТ устанавливается три выключателя.

Рис. 2.9. Типовые схемы РУ 35-750 кВ.
Цифры соответствуют номерам типовых схем
Таблица 2.9
Типовые схемы РУ 35-750 кВ
| Номер типовой схемы по рис. 2.9 | Наименование схемы | Область применения | |||
| Напряжение, кВ | Сторона подстанции | Количество присоединяемых линий | Дополнительные условия | ||
| Блок (линия -трансформатор) с разъединителем | 35-220 | ВН | 1. Тупиковые ПС, питаемые линией без ответвлений. 2. Охват трансформатора линейной защитой со стороны питающего конца или передача телеотключающего импульса | ||
| ЗН | Блок(линия -трансформатор) с выключателем | 35-500 | ВН | Тупиковые и ответвительные ПС | |
| 4Н | Два блока с выключателями и неавтоматической перемычкой со стороны линий | 35-220 | ВН | Тупиковые и ответвительные ПС | |
| 5Н | Мостик с выключателями в цепях линий и ремонтной перемычкой со стороны линий | 35-220 | ВН | Проходные ПС при необходимости сохранения в работе трансформаторов при повреждении на ВЛ | |
| 5АН | Мостик с выключателями в цепях трансформаторов и ремонтной перемычкой со стороны трансформаторов | 35-220 | ВН | Проходные ПС при необходимости сохранения транзита при повреждении в трансформаторе | |
| Заход-Выход | 110-220 | ВН | 1. Проходные ПС 2. Начальный этап более сложной схемы | ||
| 6Н | Треугольник | 110-750 | ВН | 1. Для однотрансформаторных ПС 110-220 кВ 2. Для ПС 330-750 кВ как начальный этап более сложных схем | |
| Четырехугольник | 110-750 | ВН | 1. Альтернатива схемам «мостика» для ПС 110-220 кВ 2. Начальный этап более сложных схем для ПС 330-750 кВ |
Продолжение табл. 2.9
| Одна секционированная система шин | 35-220 | ВН, СН, НН | 3 и более | Количество радиальных ВЛ не более одной на секцию | |
| Одна рабочая секционированная и обходная системы шин | 110-220 | ВН, СН | 3 и более | 1. Количество радиальных ВЛ не более одной на секцию 2. Недопустимость отключения присоединений при плановом ремонте выключателей 3. При наличии устройств для плавки гололеда | |
| Две несекционированные системы шин | 110-220 | ВН, СН | 3 и более | При невыполнении условий для применения схемы 12 | |
| 13Н | Две рабочие и обходная системы шин | 110-220 | ВН, СН | 3 и более | 1. То же, что и для 13, но при недопустимости отключения присоединений при плановом ремонте выключателей 2. При наличии устройств для плавки гололеда |
| Трансформаторы - шины с присоединением линий через два выключателя | 330-750 | ВН, СН | 330- 500 кВ - 4; 750 кВ-3 | Отсутствие перспективы увеличения количества ВЛ |
Схемы с одной и двумя системами шин применяются для РУ ВН узловых ПС 35-220 кВ и РУ СН подстанций 330-750 кВ. Схема 9 используется, как правило, на стороне СН и НН подстанции 110-330 кВ. Схема 110–12 используется на стороне ВН узловых ПС в сети 110 кВ (как правило, при четырех ВЛ) и на стороне СН ПС 220/110/10 кВ. Ограничением для применения схемы 12 и замены ее схемой 13 является присоединение к каждой секции шин ПС более одной радиальной ВЛ. Для РУ 220 кВ, как правило, применяются одинарные секционированные системы шин, двойные и обходные системы шин применяются только при специальном обосновании, в частности, в недостаточно надежных и нерезервированных электрических сетях.
Схемы РУ 10 кВ приведены на рис. 2.10.

Рис. 2.10. Типовые схемы РУ-10(6) кВ
Схема с одной секционированной системой шин (рис.2.10, а) применяется при двух трансформаторах марки ТМН, ТДН, схема с двумя секционированными системами шин (рис. 2.10, б) – при двух трансформаторах с расщепленными обмотками марки ТРДН.
Для подстанций с ВН 35-220 кВ освоено заводское изготовление комплектных трансформаторных подстанций с выполнением РУ ВН по схемам 1, 3Н, 4Н, 5Н, 5АН.
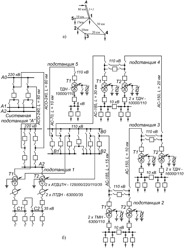
В качестве примера на рис. 2.11, а изображена схема электрической сети, а на рис. 2.11, б – схема электрических соединений данной сети.

Рис. 2.11. Схема электрических соединений сетевого района
Дата добавления: 2015-07-30; просмотров: 5825;
