Лопастные гидродвигатели типа МГ16-1
(см. также с.20,21)
Техническая характеристика
| Наименование параметра | Типоразмеры гидродвигателей | ||||||
| МГ16-11 | МГ16-12 | МГ16-13 | МГ16-14 | МГ16-15А | МГ16-15 | МГ16-16А | |
| Удельный расход (при р=0 кг/см2), см3/об | |||||||
| Рабочее давление, кг/см2 | |||||||
| Пиковое давление, кг/см2 | |||||||
| Наибольшее число оборотов в минуту | |||||||
| Наименьшее число оборотов вала при номинальном крутящем моменте в минуту | |||||||
| Номинальный крутящий момент при давлении 50 кг/см2 | 0,32 | 0,85 | 2,0 | 7,5 | |||
| Наибольшая эффективная мощность, кВт | 0,6 | 1,2 | 2,5 | 7,5 | |||
| Эффективный КПД при рабочем давлении 50 кг/см2 и скорости вращения вала 1000 об/мин | 0,35 | 0,45 | 0,5 | 0,55 | 0,6 | 0,64 | 0,68 |
| Объемный КПД при рабочем давлении 50 кг/см2 и скорости вращения вала 1000 об/мин | 0,7 | 0,73 | 0,75 | 0,8 | 0,85 | 0,88 | 0,90 |
| Момент инерции кгм/с2·10-6 | 7,32 | 7,32 | 20,4 | ||||
| Масса, кг | 6,3 | 6,3 |
Продолжение табл. 11
|
Основные габаритные и присоединительные размеры
лопастных гидродвигателей МГ16-14 и МГ16-15А
|
Основные габаритные и присоединительные размеры
лопастных гидродвигателей МГ16-15 и МГ16-16А
|
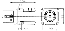
Основные габаритные и присоединительные размеры
лопастных гидродвигателей МГ16-11 и МГ16-12
Окончание табл. 11
|
Основные габаритные и присоединительные размеры
лопастного гидродвигателя МГ16-13
Таблица 12
Дата добавления: 2015-07-30; просмотров: 1124;
