Гидродвигатели типа МГ15
(см. также с.18,19)
Гидродвигатели типа МГ15 предназначены для приводов вращательного движения с бесступенчатым регулированием скорости в следящих гидроприводах, в системах, в которых требуются реверсирование, частые включения, автоматическое и дистанционное управление. Гидравлический привод вращения может быть применен в станках, где требуется автоматизация процесса обработки, включающая регулирование скорости на ходу, в станках повышенной точности (так как благодаря бесступенчатому регулированию скорости возможен подбор чисел оборотов, обеспечивающих наилучшую чистоту обработки), а также в целом ряде других машин.
Продолжение табл.10
Техническая характеристика
| Наименование параметров | Типоразмеры гидродвигателей | ||||
| МГ151 | МГ152 | МГ153а | МГ154а | МГ155а | |
| Удельный расход (при р=0кг/см2), см3/об | |||||
| Наибольшее рабочее давление, кг/см2 | |||||
| Наибольшее пиковое давление, кг/см2 | |||||
| Наибольшее число оборотов в минуту | |||||
| Наименьшее число оборотов при номинальном крутящем моменте в минуту | |||||
| Номинальный крутящий момент при давлении 50 кг/см2, кгм | 0,6 | 1,25 | 2,5 | ||
| Наибольшая эффективная мощность, кВт | 0,6 | 1,25 | 2,5 | ||
| Эффективный КПД при рабочем давлении 50 кг/см2 и скорости вращения вала 1000 об/мин | 0,8 | ||||
| Объемный КПД при рабочем давлении 50 кг/см2 и скорости вращения вала 1000 обмин | 0,95 | 0,97 | 0,98 | 0,98 | 0,98 |
| Момент инерции, кгм/с2 | 0,00004 | 0,00011 | 0,0035 | 0,00075 | 0,0025 |
| Масса, кг | 4,5 |
Примечания:
1. Объемный и эффективный КПД, а также эффективная мощность приведены для новых гидродвигателей при работе их на минеральном масле «Индустриальное 20» при температуре масла
.
2. Отклонения удельного расхода крутящего момента и эффективной мощности в сторону увеличения при условии соблюдения указанных КПД не ограничиваются.
|
Окончание табл.10
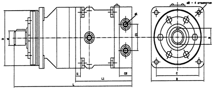
Основные габаритные и присоединительные размеры
аксиально-поршневых гидродвигателей МГ15 B
| Типоразмеры | Присое-динительная резьба | Размеры, мм | ||||||||||||
| L | L1 | l | l1 | D допускаемое отклонение по С | d допускаемое отклонение по С | d1 | B | C | C1 | C2 | h | h1 допускаемое отклонение по A2 | ||
| МГ151 | K3/8” | 15,4 | ||||||||||||
| МГ152 | K1/2” | 19,8 | ||||||||||||
| МГ153а | K3/4” | 24,2 | ||||||||||||
| МГ154а | K1” | 34,5 | ||||||||||||
| МГ155а | K1 ½” |
Таблица 11
Дата добавления: 2015-07-30; просмотров: 1181;
