Система противоскатывания.
Эта система не позволяет поезду двигаться продолжительное время со слишком малой скоростью или скатываться. Если в течение 7с. после трогания с места поезд не наберёт скорость более 5,5 км/ч (не включится Р1 – первое скоростное реле в БИС-200), то АРС выдаст команду на торможение, включатся ВЗ№1 и ВЗ№2 (если КВ не в ходовом положении) без возможности их отмены. Если в этот момент ГРКВ была в ходовом положении, то сработает ЭПВ. Для дальнейшего движения необходимо переключение АРС установленным порядком (стр.16). На вагонах Еж-3 при срабатывании противоскатывания, независимо от положения ГРКВ, ВЗ№1 не включаются и срабатывает ЭПВ.
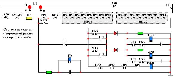
Основным управляющим элементом системы противоскатывания является РО (реле остановки), которое:
· включается при снижении скорости поезда меньше 10 км/ч, шунтирует КЭ 19 провода, при этом в каждом вагоне включатся РВ3, отменяя срабатывание В№2 в конце торможения.
· На всё время стоянки РО находится под питанием, имитируя нулевую скорость поезда.
· РО отключается через 7-9с. после перевода ГРКВ в ходовое положение. Это время выдержки (7-9с.) выбрано по двум причинам:
§ при трогании на 40 ‰ подъёме с половиной неработающих двигателей поезд должен
успеть набрать скорость более 5,5 км/ч (то есть, должны включиться скоростные реле Р1)
§ если при трогании на 40 ‰ подъёме машинист допустит скатывание поезда, то РО должно отключиться раньше, чем поезд успеет набрать скорость 5,5 км/ч (то есть, до включения реле Р1).

рис.19
· При нахождении ГРКВ в любом тормозном положении КРТ (контрольное реле торможения) находится под питанием, а КРХ (контрольное реле хода) обесточено (их контакты замкнуты).
· По мере снижения скорости все скоростные реле (Р10 – Р2) обоих БИСов последовательно отключаются и замыкают свои контакты. При снижении скорости менее 10 км/ч реле Р2 обоих БИСов отпускают якоря, тем самым создавая цепь питания для катушки РО (Р1 находится под питанием в диапазоне скоростей 5,5 - 11,5 км/ч).
· РО, включившись, встаёт на самоблокировку, замыкает контакт в цепи катушки РВЗ1 и шунтирует своими контактами КЭ 19 провода главного вала КВ, в результате включаются РВ3 в каждом вагоне и размыкают свои блокировки в цепи ВЗ№2 (8 вагонный провод), одновременно включается КРО (контрольное реле остановки) и шунтирует контакты КРТ, обеспечивая питание всей цепи даже при 0 положении ГРКВ.
· При снижении скорости менее 5,5 км/ч теряют питание реле Р1 бобих БИСов и их обратный повторитель ПР1, что создаёт цепь питания для катушки РВЗ1 (при наличии любой сигнальной частоты реле БР2 обесточено и его контакты замкнуты).
· РВЗ1, включившись, замыкает свой контакт в цепи 48 поездного провода, в результате включаются ВЗ№1 на всём составе: …А48—кэ7Г—А79—ВУ АРС—П5—контакт РВЗ1—РЦ АРС—48 Ппр —СК—48 ваг. пр. —А72—контакт РТ2—ВЗ№1 (см. схему ЦУ в конспекте по электрооборудованию).
· После постановки ГРКВ в любое ходовое положение включится реле КРХ (контрольное реле хода) и разорвёт цепь питания катушек РО и РВЗ1, то есть, – отпустят все ВЗ№1, а РО, потеряв питание, отпустит свой якорь с задержкой 7-9 с. (рис.19).
Дата добавления: 2015-07-04; просмотров: 894;
